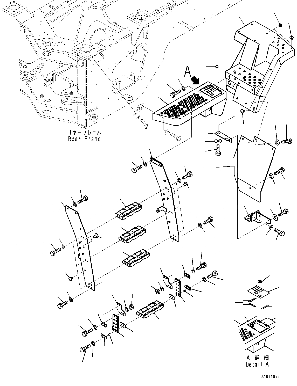
Запчасти Komatsu WA380Z-6 ЛЕСТНИЦА, ЛЕВ. (№87-) ЛЕСТНИЦА, С КРЫЛО, УДЛИНН. ВПУСК ВОЗДУХА, ПРЕФИЛЬТР МАСЛ. BATH ТИП

Схема запчастей Komatsu WA380Z-6 - ЛЕСТНИЦА, ЛЕВ. (№87-) ЛЕСТНИЦА, С КРЫЛО, УДЛИНН. ВПУСК ВОЗДУХА, ПРЕФИЛЬТР МАСЛ. BATH ТИП
43
24
25
24
25
22
21
26
27
26
27
41
42
41
42
43
44
1
17
20
18
19
20
19
14
3
14
15
4
2
2
12
11
10
9
8
7
12
9
28
30
31
32
40
32
33
34
36
39
38
37
32
29
33
35
34
36
31
40
39
32
35
37
38
23
23
23
2
5
6
13
16
16
FIT
1:1
100%

Артикул

Название

Примечание

Количество

1

424-02-41150

Floor

SN: 66847-UP

1шт.

2

423-02-41210

Floor

SN: 66847-UP

1шт.

3

22M-54-19170

Stopper,Welded

SN: 66847-UP

1шт.

4

423-54-44390

Hinge,Welded

SN: 66847-UP

2шт.

5

01010-D1230

Bolt

SN: 66847-UP

4шт.

6

01643-71232

Washer

SN: 66847-UP

4шт.

7

423-54-41320

Bracket

SN: 66847-UP

1шт.

8

423-54-44140

Bracket

SN: 66847-UP

1шт.

9

01010-D1230

Bolt

SN: 66847-UP

4шт.

10

01010-D1230

Bolt

SN: 66847-UP

2шт.

11

01643-71232

Washer

SN: 66847-UP

2шт.

12

421-03-31590

Washer

SN: 66847-UP

4шт.

13

421-54-22990

Plug

SN: 66847-UP

4шт.

14

418-54-22190

Cushion

SN: 66847-UP

3шт.

15

08037-02512

Grommet

SN: 66847-UP

1шт.

16

426-56-21990

Plug

SN: 66847-UP

4шт.

17

09415-00506

Cap

SN: 66847-UP

1шт.

18

423-54-44190

Sheet

SN: 66847-UP

1шт.

19

01010-D1025

Bolt

SN: 66847-UP

6шт.

20

421-54-34550

Washer

SN: 66847-UP

6шт.

21

423-54-54220

Ladder

SN: 66847-UP

1шт.

22

423-54-54270

Ladder

SN: 66847-UP

1шт.

23

423-54-54971

Step

SN: 66847-UP

3шт.

24

01010-D1030

Bolt

SN: 66847-UP

12шт.

25

01643-71032

Washer

SN: 66847-UP

12шт.

26

01010-D1235

Bolt

SN: 66847-UP

4шт.

27

01643-71232

Washer

SN: 66847-UP

4шт.

28

423-54-54971

Step

SN: 66847-UP

1шт.

29

423-54-54980

Bracket

SN: 66847-UP

1шт.

30

423-54-54990

Bracket

SN: 66847-UP

1шт.

31

423-54-54260

Rubber

SN: 66847-UP

2шт.

32

428-T86-1650

Plate

SN: 66847-UP

4шт.

33

01010-D1045

Bolt

SN: 66847-UP

4шт.

34

01643-71032

Washer

SN: 66847-UP

4шт.

35

423-54-54110

Nut

SN: 66847-UP

4шт.

36

01643-71032

Washer

SN: 66847-UP

4шт.

37

01010-D1050

Bolt

SN: 66847-UP

4шт.

38

01643-71032

Washer

SN: 66847-UP

4шт.

39

423-54-54240

Plate

SN: 66847-UP

2шт.

40

423-54-54280

Spacer

SN: 66847-UP

4шт.

41

01010-D1030

Bolt

SN: 66847-UP

4шт.

42

01643-71032

Washer

SN: 66847-UP

4шт.

43

22L-46-12150

Cap

SN: 66847-UP

4шт.

44

416-54-34230

Plug

SN: 66847-UP

1шт.

Выбрано товаров: 44