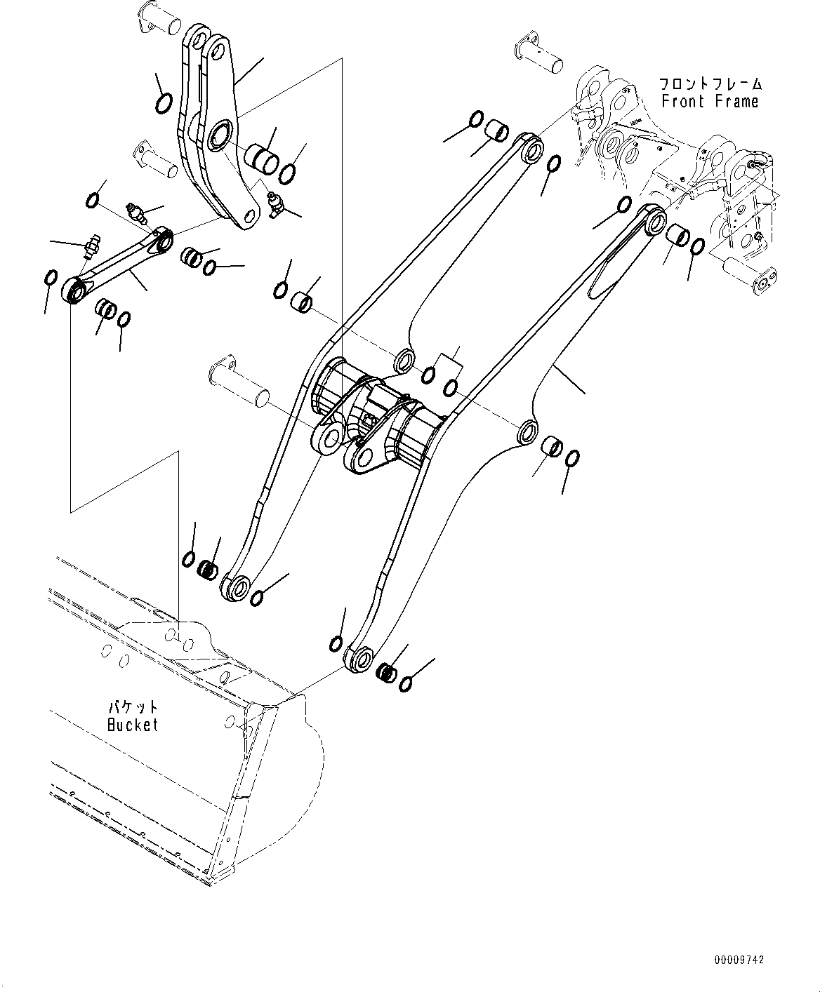
Запчасти Komatsu WA380Z-6 РУКОЯТЬ И BELL CRANK, СТРЕЛА, BELL CRANK И СОЕДИНИТЕЛЬН. ЗВЕНО (№87-) РУКОЯТЬ И BELL CRANK, С ВЫСОК. ПОДЪЕМ РУКОЯТЬ

Схема запчастей Komatsu WA380Z-6 - РУКОЯТЬ И BELL CRANK, СТРЕЛА, BELL CRANK И СОЕДИНИТЕЛЬН. ЗВЕНО (№87-) РУКОЯТЬ И BELL CRANK, С ВЫСОК. ПОДЪЕМ РУКОЯТЬ
6
3
6
6
3
4
6
6
5
5
1
1
5
5
6
2
6
2
8
9
9
7
10
13
12
14
12
13
14
13
13
11
FIT
1:1
100%

Артикул

Название

Примечание

Количество

|$0

423-850-4100

Boom Assembly

SN: 66847-UP

1шт.

1

423-70-21810

Bushing

SN: 66847-UP

2шт.

2

424-70-11770

Bushing

SN: 66847-UP

2шт.

3

424-70-11890

Bushing

SN: 66847-UP

2шт.

4

Boom

SN: 66847-UP

1шт.

5

424-09-12320

Seal, Dust

SN: 66847-UP

4шт.

6

421-09-11310

Seal, Dust

SN: 66847-UP

8шт.

6

423-70-31202

Bell Crank Assembly

SN: 66847-UP

1шт.

7

Bell Crank

SN: 66847-UP

1шт.

8

424-70-11860

Bushing

SN: 66847-UP

1шт.

9

421-09-11350

Seal, Dust

SN: 66847-UP

2шт.

10

07020-00900

Fitting, Grease

SN: 66847-UP

1шт.

|$12

423-850-0030

Link Assembly

SN: 66847-UP

1шт.

11

Link

SN: 66847-UP

1шт.

12

424-70-11820

Bushing

SN: 66847-UP

2шт.

13

424-09-12320

Seal, Dust

SN: 66847-UP

4шт.

14

07020-00000

Fitting, Grease

SN: 66847-UP

2шт.

Выбрано товаров: 17