Запчасти Komatsu WA40-1 ДВИГАТЕЛЬ И ТРАНСМИССИЯ MOVNTING ЧАСТИ КОМПОНЕНТЫ ДВИГАТЕЛЯ И ЭЛЕКТРИКА

Схема запчастей Komatsu WA40-1 - ДВИГАТЕЛЬ И ТРАНСМИССИЯ MOVNTING ЧАСТИ КОМПОНЕНТЫ ДВИГАТЕЛЯ И ЭЛЕКТРИКА
FIT
1:1
100%

Артикул

Название

Примечание

Количество

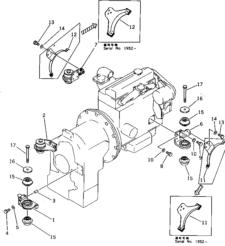
1

363-01-12110

BRACKET,L.H.

SN: 1001-UP

1шт.

2

363-01-12120

BRACKET,R.H.

SN: 1001-UP

1шт.

3

04020-01024

PIN,DOWEL

SN: 1001-UP

4шт.

4

01010-51025

BOLT

SN: 1001-UP

6шт.

5

01602-21030

WASHER,SPRING

SN: 1001-UP

6шт.

6

363-01-12131

BRACKET,L.H.

SN: 1001-UP

1шт.

7

363-01-12141

BRACKET,R.H.

SN: 1001-UP

1шт.

8

01010-51030

BOLT

SN: 1001-UP

4шт.

9

01010-51035

BOLT

SN: 1001-UP

4шт.

10

01602-21030

WASHER,SPRING

SN: 1001-UP

8шт.

11

363-01-13122

BRACKET,L.H.

SN: 1952-UP

1шт.

|11

363-01-13121

BRACKET,L.H.

SN: 1001-1951

1шт.

12

363-01-13132

BRACKET,R.H.

SN: 1952-UP

1шт.

|12

363-01-13131

BRACKET,R.H.

SN: 1001-1951

1шт.

13

01010-51030

BOLT

SN: 1001-UP

6шт.

14

01643-31032

WASHER

SN: 1001-UP

6шт.

15

103-01-21120

CUSHION

SN: 1001-UP

8шт.

16

113-01-21120

WASHER

SN: 1001-UP

4шт.

17

01011-51615

BOLT

SN: 1001-UP

4шт.

Выбрано товаров: 0