Запчасти Komatsu WA40-1 ГИДРАВЛИКА РУЛ. УПРАВЛЕНИЯ (/) РУЛЕВ. УПРАВЛЕНИЕ И СИСТЕМА УПРАВЛЕНИЯ

Схема запчастей Komatsu WA40-1 - ГИДРАВЛИКА РУЛ. УПРАВЛЕНИЯ (/) РУЛЕВ. УПРАВЛЕНИЕ И СИСТЕМА УПРАВЛЕНИЯ
FIT
1:1
100%

Артикул

Название

Примечание

Количество

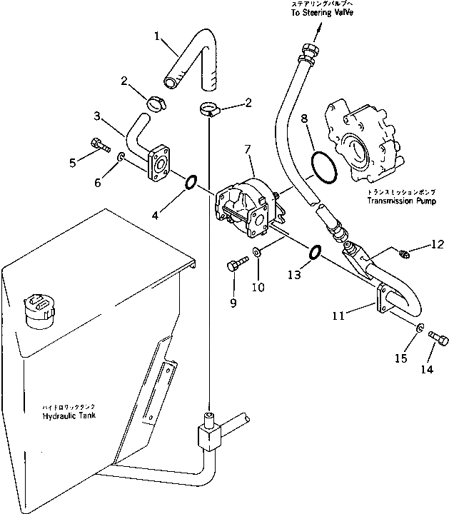
1

363-62-15170

HOSE

SN: 1001-UP

1шт.

2

07281-00489

CLAMP

SN: 1001-UP

2шт.

3

363-62-15110

TUBE

SN: 1001-UP

1шт.

4

07000-13032

O-RING

SN: 1001-UP

1шт.

5

01010-51030

BOLT

SN: 1001-UP

4шт.

6

01602-21030

WASHER,SPRING

SN: 1001-UP

4шт.

7

705-62-22010

STEERING PUMP ASS'Y

SN: 1001-UP

1шт.

8

07000-02085

O-RING

SN: 1001-UP

1шт.

9

01010-51035

BOLT

SN: 1001-UP

2шт.

10

01643-31032

WASHER

SN: 1001-UP

2шт.

11

363-62-15120

TUBE

SN: 1001-UP

1шт.

12

07042-20108

PLUG

SN: 1001-UP

1шт.

13

07000-13022

O-RING

SN: 1001-UP

1шт.

14

01010-50830

BOLT

SN: 1001-UP

4шт.

15

01602-20825

WASHER,SPRING

SN: 1001-UP

4шт.

Выбрано товаров: 15