Запчасти Komatsu WA40-1 МНОГОЦЕЛЕВ. КОВШ СПЕЦ. APPLICATION ЧАСТИ

Схема запчастей Komatsu WA40-1 - МНОГОЦЕЛЕВ. КОВШ СПЕЦ. APPLICATION ЧАСТИ
FIT
1:1
100%

Артикул

Название

Примечание

Количество

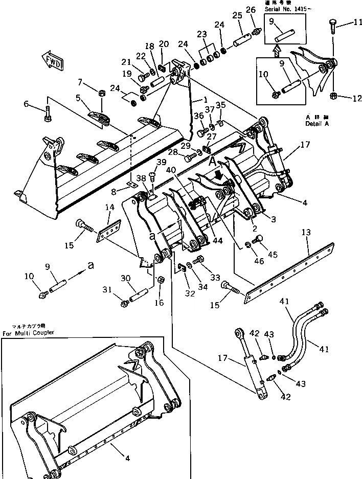
1

363-923-1520

BUCKET

SN: 1001-UP

1шт.

2

363-70-11170

BOSS (WELDED)

SN: 1001-UP

3шт.

3

363-70-11180

BOSS (WELDED)

SN: 1001-UP

3шт.

4

363-923-1510

BLADE

SN: 1001-UP

1шт.

4

363-923-1710

BLADE

SN: 1001-UP

1шт.

5

20T-70-13130

TOOTH,(FOR MULTI COUPLER)

SN: 1001-UP

7шт.

6

02090-11060

BOLT

SN: 1001-UP

14шт.

7

02205-11015

NUT

SN: 1001-UP

14шт.

8

20T-70-05010

SHIM ASS'Y

SN: 1001-UP

7шт.

8

0

SHIM, 0.5MM

SN: 1001-UP

1шт.

8

0

SHIM, 1.0MM

SN: 1001-UP

1шт.

9

363-70-11220

PIN

SN: 1415-UP

2шт.

9

363-70-11380

PIN

SN: 1415-UP

1шт.

9

363-70-11220

PIN

SN: 1001-1414

3шт.

10

07020-00000

FITTING,GREASE

SN: 1415-UP

2шт.

10

07020-00000

FITTING,GREASE

SN: 1001-1414

3шт.

11

01010-51095

BOLT

SN: 1001-UP

3шт.

12

01598-01011

NUT

SN: 1001-UP

3шт.

13

363-923-1550

EDGE,CUTTING

SN: 1001-UP

1шт.

14

12F-929-2170

BIT

SN: 1001-UP

2шт.

15

02090-10835

BOLT

SN: 1001-UP

16шт.

16

02290-10813

NUT

SN: 1001-UP

16шт.

17

363-63-22200

CYLINDER ASS'Y

SN: 1001-UP

2шт.

18

362-70-12230

PIN

SN: 1001-UP

2шт.

19

07020-00000

FITTING,GREASE

SN: 1001-UP

2шт.

20

113-70-21280

LOCK

SN: 1001-UP

2шт.

21

01010-51025

BOLT

SN: 1001-UP

4шт.

22

01602-21030

WASHER,SPRING

SN: 1001-UP

4шт.

23

07143-10503

BUSHING

SN: 1001-UP

6шт.

24

07145-00050

SEAL,DUST

SN: 1001-UP

8шт.

25

363-923-1570

PIN

SN: 1001-UP

2шт.

26

07020-00000

FITTING,GREASE

SN: 1001-UP

2шт.

27

113-70-21280

LOCK

SN: 1001-UP

2шт.

28

01010-51025

BOLT

SN: 1001-UP

4шт.

29

01602-21030

WASHER,SPRING

SN: 1001-UP

4шт.

30

201-936-1240

PIN

SN: 1001-UP

2шт.

31

07020-00000

FITTING,GREASE

SN: 1001-UP

2шт.

32

113-70-21280

LOCK

SN: 1001-UP

2шт.

33

01010-51020

BOLT

SN: 1001-UP

4шт.

34

01602-21030

WASHER,SPRING

SN: 1001-UP

4шт.

35

363-923-1620

BRACKET

SN: 1001-UP

1шт.

36

01010-51025

BOLT

SN: 1001-UP

2шт.

37

01602-21030

WASHER,SPRING

SN: 1001-UP

2шт.

38

09601-00835

PLATE, NAME,(LIMITED SUPPLY)

SN: 1001-UP

1шт.

39

04418-13060

SCREW

SN: 1001-UP

4шт.

40

363-923-1670

TUBE

SN: 1001-UP

2шт.

41

07123-40307

HOSE

SN: 1001-UP

4шт.

42

07235-10315

ELBOW

SN: 1001-UP

4шт.

43

07002-02034

O-RING

SN: 1001-UP

4шт.

44

20T-62-51470

CLAMP

SN: 1001-UP

2шт.

45

01010-51030

BOLT

SN: 1001-UP

2шт.

46

01602-21030

WASHER,SPRING

SN: 1001-UP

2шт.

Выбрано товаров: 52