Запчасти Komatsu WA40-1 МАРКИРОВКА (АНГЛ.) МАРКИРОВКА¤ ИНСТРУМЕНТ И РЕМКОМПЛЕКТЫ

Схема запчастей Komatsu WA40-1 - МАРКИРОВКА (АНГЛ.) МАРКИРОВКА¤ ИНСТРУМЕНТ И РЕМКОМПЛЕКТЫ
FIT
1:1
100%

Артикул

Название

Примечание

Количество

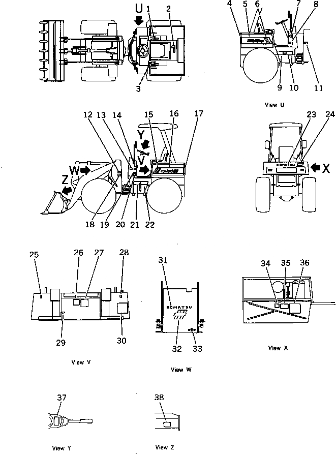
1

362-54-27140

PLATE, OPERATING,WORK EQUIPMENT LEVER

SN: 1001-UP

1шт.

2

362-54-27390

PLATE, CAUTION,ENGINE

SN: 1001-UP

1шт.

3

362-54-27150

PLATE, OPERATING,TRANSMISSION

SN: 1001-UP

1шт.

4

363-54-16170

PLATE, MARK

SN: 1001-UP

1шт.

5

363-54-16240

PLATE, MARK,WA40

SN: 1001-UP

1шт.

6

363-54-16130

CHART, OIL

SN: 1001-UP

1шт.

7

09601-00835

PLATE, NAME,(LIMITED SUPPLY)

SN: 1001-UP

1шт.

8

09653-03000

PLATE, SAFETY,HYDRAULIC TANK CAP

SN: 1001-UP

1шт.

9

362-54-27370

PLATE, STRIPE

SN: 1001-UP

1шт.

10

362-54-27380

PLATE, STRIPE,SYMBOL

SN: 1001-UP

1шт.

11

362-98-12620

PLATE, CAUTION

SN: 1001-UP

1шт.

12

362-98-12620

PLATE, CAUTION

SN: 1001-UP

1шт.

13

362-98-12230

PLATE, CAUTION,HOSE

SN: 1001-UP

1шт.

14

362-98-12220

PLATE, CAUTION,BRAKE OIL

SN: 1001-UP

1шт.

15

363-54-16120

PLATE, MARK

SN: 1001-UP

1шт.

16

363-54-16230

PLATE, MARK,WA40

SN: 1001-UP

1шт.

17

363-54-16160

PLATE, MARK

SN: 1001-UP

1шт.

18

362-98-12160

PLATE, CAUTION,ARTICULATE LOCK

SN: 1001-UP

1шт.

19

362-54-27290

PLATE, CAUTION,FUEL

SN: 1001-UP

1шт.

20

09652-30100

PLATE, CAUTION,FUEL TANK WATER DRAIN

SN: 1001-UP

1шт.

21

363-54-16220

PLATE, MARK,FUEL FILTER

SN: 1001-UP

1шт.

22

363-54-16210

PLATE, MARK,FUEL TANK

SN: 1001-UP

1шт.

23

09690-40560

PLATE, MARK,KOMATSU

SN: 1001-UP

1шт.

24

362-54-27320

PLATE, MARK

SN: 1001-UP

1шт.

25

09685-30116

PLATE, OPERATING,WORK EQUIPMENT LOCK LEVER

SN: 1001-UP

1шт.

26

362-98-12150

PLATE, CAUTION,BEFORE OPERATING

SN: 1001-UP

1шт.

27

362-98-12140

PLATE, CAUTION

SN: 1001-UP

1шт.

28

09685-30116

PLATE, OPERATING,TRANSMISSION LEVER LOCK

SN: 1001-UP

1шт.

29

362-54-17330

PLATE, OPERATING,ENGINE STOPPED

SN: 1001-UP

1шт.

30

363-54-16130

CHART, OIL

SN: 1001-UP

1шт.

31

09690-40400

PLATE, MARK,KOMATSU

SN: 1001-UP

1шт.

32

362-54-27320

PLATE, MARK

SN: 1001-UP

1шт.

33

09694-50125

PLATE, MARK,SYMBOL

SN: 1001-UP

1шт.

34

362-54-27280

PLATE, INSTRUCTION,FUEL FILTER

SN: 1001-UP

1шт.

35

09655-30120

PLATE, INSTRUCTION,OIL FILTER

SN: 1001-UP

1шт.

36

09637-30161

PLATE, INSTRUCTION,AIR CLEANER

SN: 1001-UP

1шт.

37

362-54-27450

PLATE, OPERATING,TURN SIGNAL

SN: 1001-UP

1шт.

38

09601-00835

PLATE, NAME,(LIMITED SUPPLY)

SN: 1001-UP

1шт.

Выбрано товаров: 38