Запчасти Komatsu WA40-2 ОТВОД ВЫХЛОПН. ГАЗОВ И ГЛУШИТЕЛЬ КОМПОНЕНТЫ ДВИГАТЕЛЯ И ЭЛЕКТРИКА

Схема запчастей Komatsu WA40-2 - ОТВОД ВЫХЛОПН. ГАЗОВ И ГЛУШИТЕЛЬ КОМПОНЕНТЫ ДВИГАТЕЛЯ И ЭЛЕКТРИКА
FIT
1:1
100%

Артикул

Название

Примечание

Количество

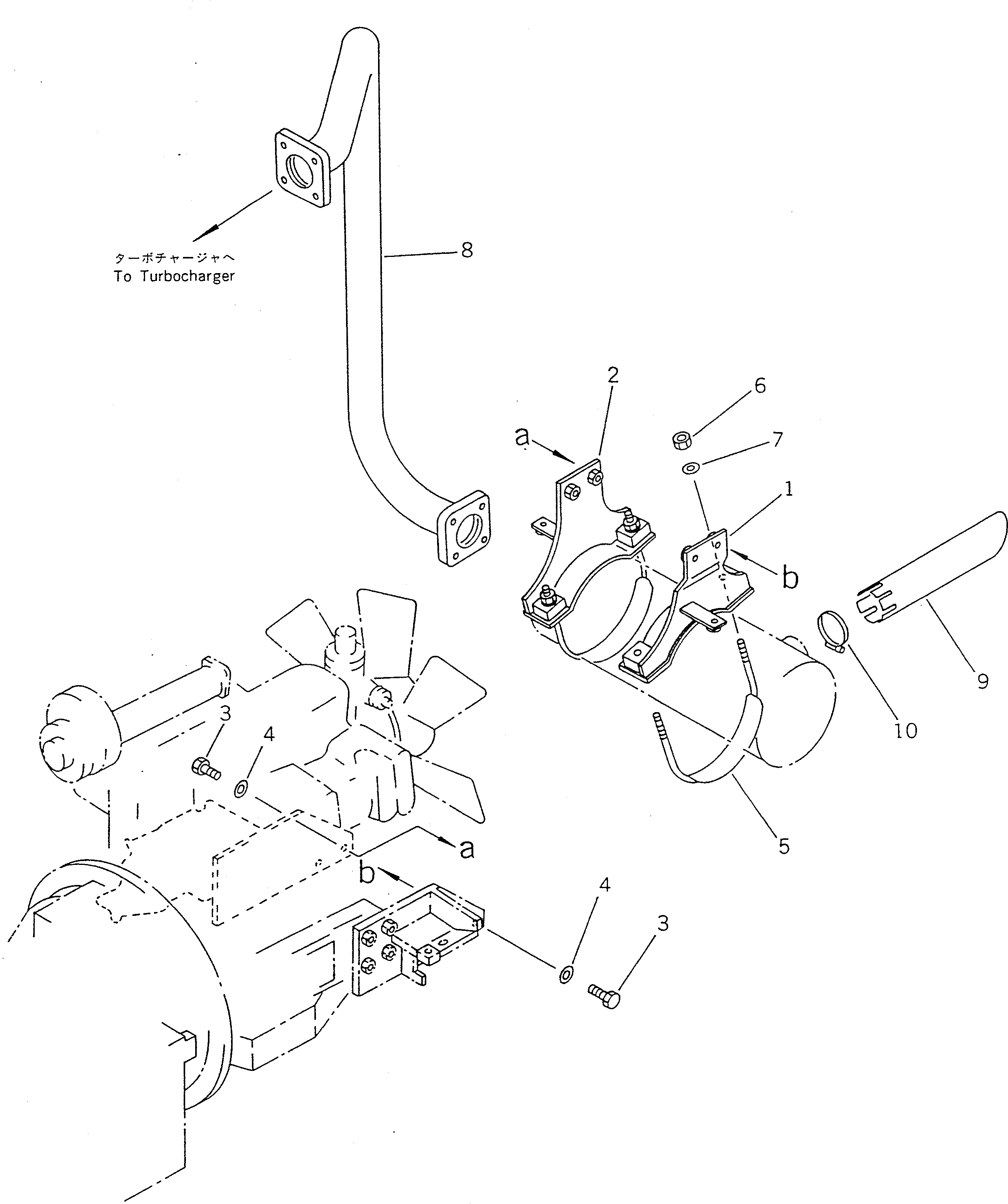
1

363-01-23122

BRACKET,L.H.

SN: 3001-UP

1шт.

2

363-01-23131

BRACKET,R.H.

SN: 3001-UP

1шт.

3

01010-51235

BOLT

SN: 3001-UP

4шт.

4

01643-31232

WASHER

SN: 3001-UP

4шт.

5

363-01-23172

U-BOLT

SN: 3001-UP

2шт.

6

01580-10806

NUT

SN: 3001-UP

4шт.

7

01643-30823

WASHER

SN: 3001-UP

4шт.

8

363-01-23111

TUBE

SN: 3001-UP

1шт.

9

363-01-23162

PIPE

SN: 3001-UP

1шт.

10

207-09-11110

CLAMP

SN: 3001-UP

1шт.

Выбрано товаров: 0