Запчасти Komatsu WA40-2 СТОЯНОЧНЫЙ ТОРМОЗ РУЛЕВ. УПРАВЛЕНИЕ И СИСТЕМА УПРАВЛЕНИЯ

Схема запчастей Komatsu WA40-2 - СТОЯНОЧНЫЙ ТОРМОЗ РУЛЕВ. УПРАВЛЕНИЕ И СИСТЕМА УПРАВЛЕНИЯ
FIT
1:1
100%

Артикул

Название

Примечание

Количество

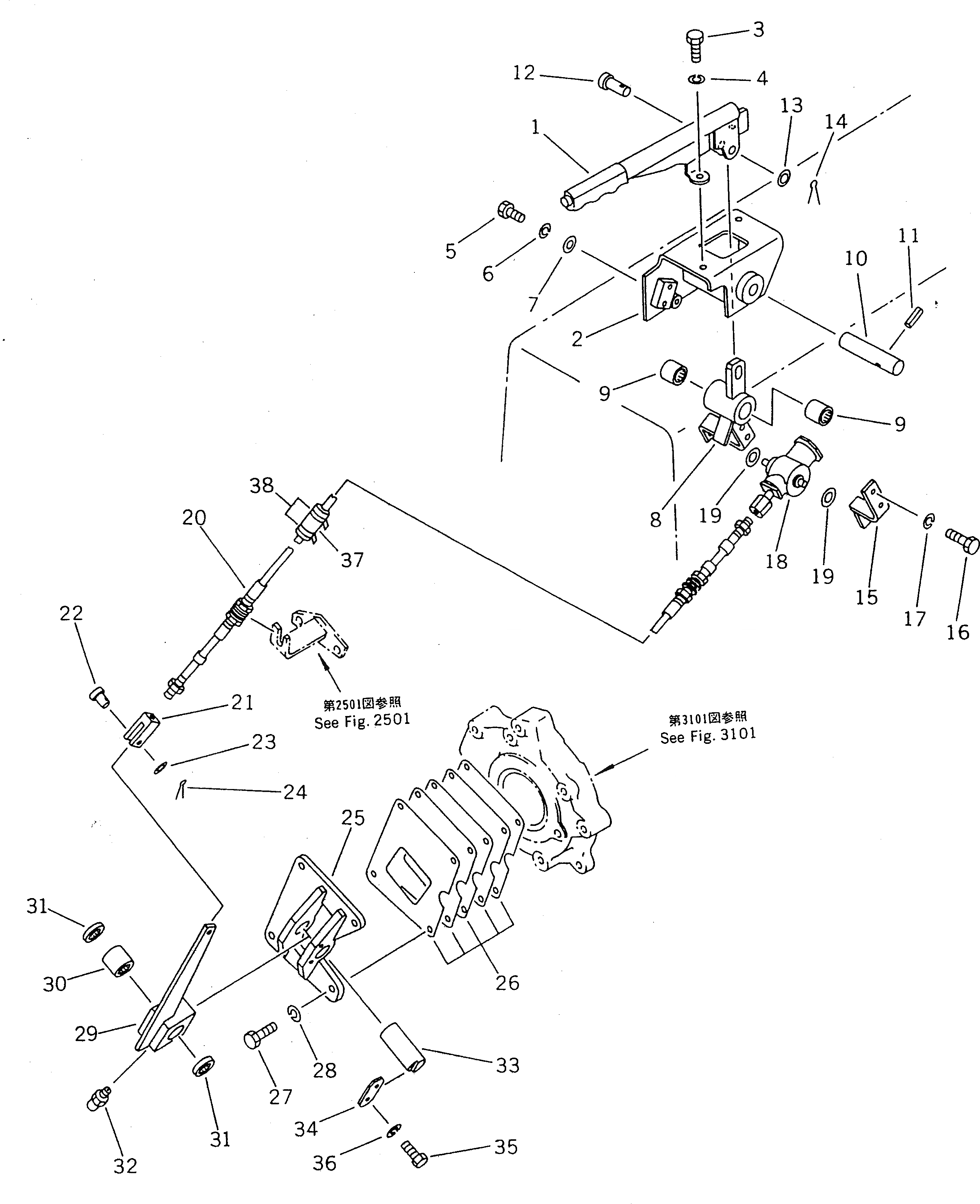
1

415-22-16200

LEVER ASS'Y

SN: 3001-UP

1шт.

2

363-43-26110

BRACKET

SN: 3001-UP

1шт.

3

01010-50825

BOLT

SN: 3001-UP

2шт.

4

01602-20825

WASHER,SPRING

SN: 3001-UP

2шт.

5

01010-51025

BOLT

SN: 3001-UP

2шт.

6

01602-21030

WASHER,SPRING

SN: 3001-UP

2шт.

7

01643-31032

WASHER

SN: 3001-UP

2шт.

8

363-43-26121

LEVER

SN: 3001-UP

1шт.

9

09350-02020

BUSHING

SN: 3001-UP

2шт.

10

363-43-26130

PIN

SN: 3001-UP

1шт.

11

04025-00540

PIN,SPRING

SN: 3001-UP

1шт.

12

415-22-16130

PIN

SN: 3001-UP

1шт.

13

01640-21323

WASHER

SN: 3001-UP

1шт.

14

04050-13020

PIN,COTTER

SN: 3001-UP

1шт.

15

363-43-26191

PLATE

SN: 3001-UP

1шт.

16

01010-51030

BOLT

SN: 3001-UP

2шт.

17

01602-21030

WASHER,SPRING

SN: 3001-UP

2шт.

18

363-43-26211

SPRING

SN: 3001-UP

1шт.

19

01641-21223

WASHER

SN: 3001-UP

2шт.

20

363-43-26141

CABLE

SN: 3001-UP

1шт.

21

04211-20844

YOKE

SN: 3001-UP

1шт.

22

04205-10825

PIN

SN: 3001-UP

1шт.

23

01641-20812

WASHER

SN: 3001-UP

1шт.

24

04050-12012

PIN,COTTER

SN: 3001-UP

1шт.

25

363-43-26170

BRACKET

SN: 3001-UP

1шт.

26

363-43-05010

SHIM KIT

SN: 3001-UP

1шт.

|26

0

SHIM¤ 0.20MM

SN: 3001-UP

5шт.

27

01010-51025

BOLT

SN: 3001-UP

4шт.

28

01602-21030

WASHER,SPRING

SN: 3001-UP

4шт.

29

363-43-26161

LEVER

SN: 3001-UP

1шт.

30

06120-02520

BEARING,NEEDLE

SN: 3001-UP

1шт.

31

06122-02504

SEAL,BEARING

SN: 3001-UP

2шт.

32

07020-00000

FITTING,GREASE

SN: 3001-UP

1шт.

33

362-43-26130

PIN \

SN: 3001-UP

1шт.

34

362-43-26290

PLATE

SN: 3001-UP

1шт.

35

01010-50816

BOLT

SN: 3001-UP

2шт.

36

01602-20825

WASHER,SPRING

SN: 3001-UP

2шт.

37

113-06-23220

COVER

SN: 3001-UP

1шт.

38

08034-00414

BAND

SN: 3001-UP

2шт.

Выбрано товаров: 39