Запчасти Komatsu WA400-1 ОБОГРЕВАТЕЛЬ. (/) (NIPPON DENSO)(№.-) РАМА И ЧАСТИ КОРПУСА

Схема запчастей Komatsu WA400-1 - ОБОГРЕВАТЕЛЬ. (/) (NIPPON DENSO)(№.-) РАМА И ЧАСТИ КОРПУСА
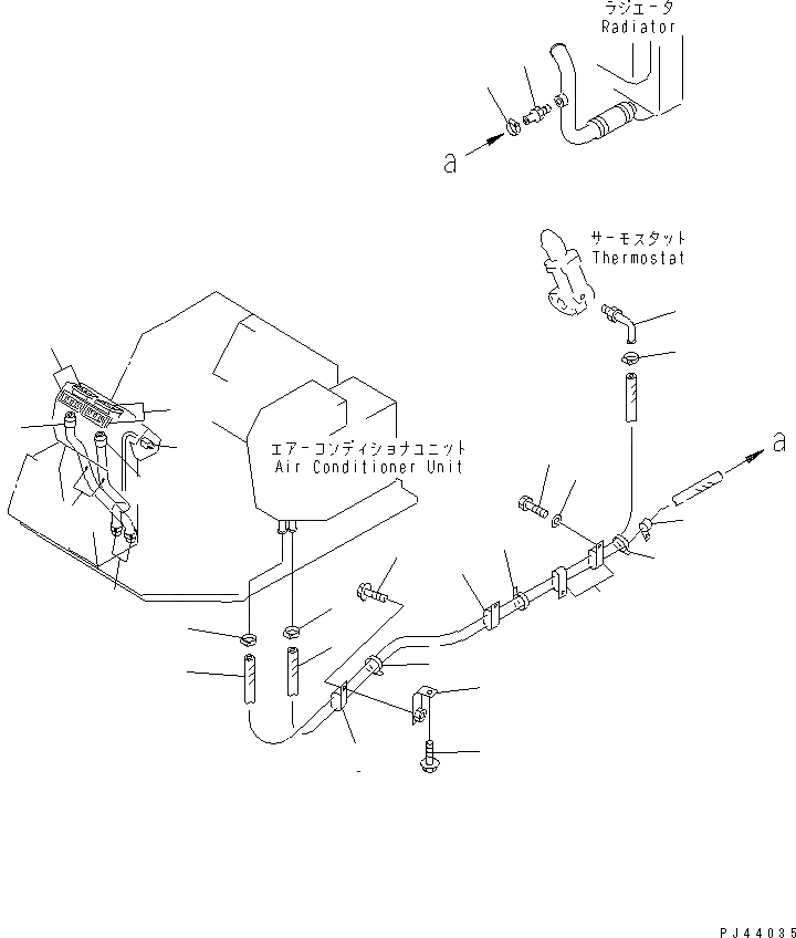
1
1
2
3
4
4
4
4
5
5
5
6
7
8
9
9
10
11
11
11
12
13
13
13
14
14
15
FIT
1:1
100%

Артикул

Название

Примечание

Количество

1

09483-10526

HOSE

SN: .-UP

2шт.

2

424-07-11360

ELBOW

SN: .-UP

1шт.

3

424-07-11370

TUBE

SN: .-UP

1шт.

4

07281-00259

CLAMP

SN: .-UP

4шт.

5

421-07-11550

CLIP

SN: .-UP

4шт.

6

01010-51020

BOLT

SN: .-UP

2шт.

7

01643-31032

WASHER

SN: .-UP

2шт.

8

423-T46-1170

PLATE

SN: .-UP

1шт.

9

01435-01220

BOLT

SN: .-UP

2шт.

10

08036-02514

CLIP

SN: .-UP

1шт.

11

08034-00823

BAND

SN: .-UP

3шт.

12

421-07-12831

HOSE

SN: .-UP

2шт.

13

421-07-12810

CONNECTOR

SN: .-UP

4шт.

14

421-07-12512

GRILLE ASS'Y

SN: .-UP

4шт.

15

419-963-1510

WIRE ASS'Y

SN: .-UP

1шт.

Выбрано товаров: 15