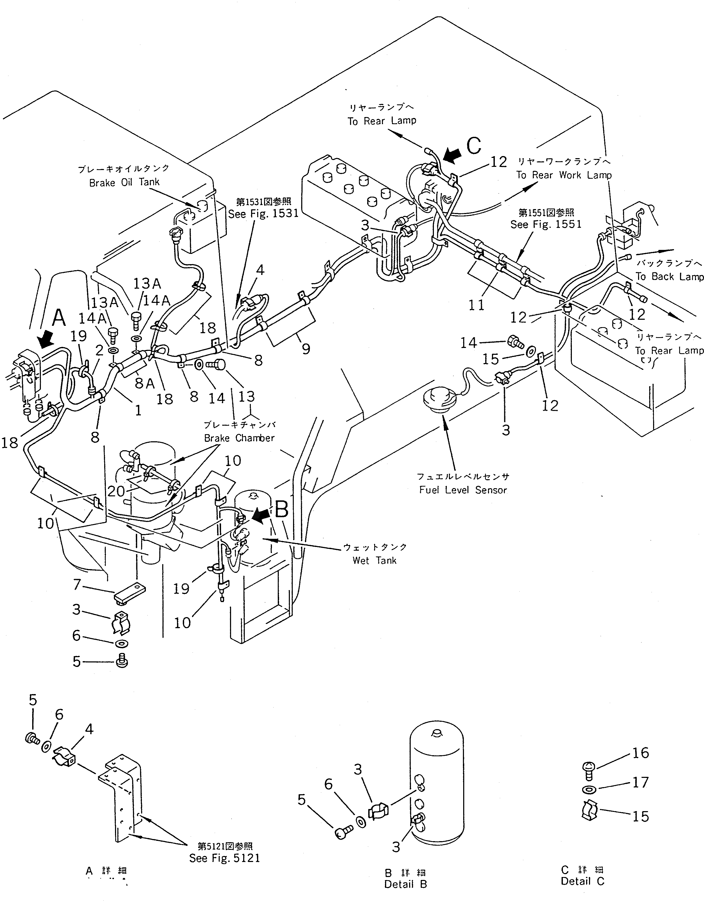
Запчасти Komatsu WA400-1 ЭЛЕКТРИКА ЗАДН. РАМА КОМПОНЕНТЫ ДВИГАТЕЛЯ И ЭЛЕКТРИКА

Схема запчастей Komatsu WA400-1 - ЭЛЕКТРИКА ЗАДН. РАМА КОМПОНЕНТЫ ДВИГАТЕЛЯ И ЭЛЕКТРИКА
FIT
1:1
100%

Артикул

Название

Примечание

Количество

1

424-06-12360

WIRE ASS'Y

SN: 10001-UP

1шт.

1

421-06-11970

DIODE

SN: 10001-UP

2шт.

2

424-06-12191

WIRE ASS'Y

SN: 10001-UP

1шт.

3

421-06-12910

CLIP

SN: 10001-UP

6шт.

3

0

CLIP

SN: (10001-10289)

6шт.

4

421-06-12610

CLIP

SN: 10001-UP

2шт.

5

01220-40608

SCREW

SN: 10001-UP

7шт.

6

01641-20608

WASHER

SN: 10001-UP

7шт.

7

424-06-12960

BRACKET

SN: 10001-UP

2шт.

8

424-06-12790

CLIP

SN: 10001-UP

4шт.

8A

424-06-12790

CLIP

SN: 10260-UP

2шт.

9

424-06-12740

CLIP

SN: 10001-UP

2шт.

10

08036-11214

CLIP

SN: 10001-UP

5шт.

11

424-06-12730

CLIP

SN: 10001-UP

5шт.

12

08036-10810

CLIP

SN: 10001-UP

1шт.

13

01010-51016

BOLT

SN: 10001-UP

14шт.

13A

01010-51016

BOLT

SN: 10260-UP

2шт.

14

01643-31032

WASHER

SN: 10001-UP

14шт.

14A

01643-31032

WASHER

SN: 10260-UP

2шт.

15

421-06-12910

CLIP

SN: 10001-UP

1шт.

15

0

CLIP

SN: (10001-10289)

1шт.

16

01220-40612

SCREW

SN: 10001-UP

1шт.

17

01643-20608

WASHER

SN: 10001-UP

1шт.

18

08034-00414

BAND

SN: 10001-UP

4шт.

19

08034-00823

BAND

SN: 10001-UP

3шт.

Выбрано товаров: 25