Запчасти Komatsu WA400-1 МАРКИРОВКА (TBG/ABE СПЕЦ-Я.) СПЕЦ. APPLICATION ЧАСТИ

Схема запчастей Komatsu WA400-1 - МАРКИРОВКА (TBG/ABE СПЕЦ-Я.) СПЕЦ. APPLICATION ЧАСТИ
FIT
1:1
100%

Артикул

Название

Примечание

Количество

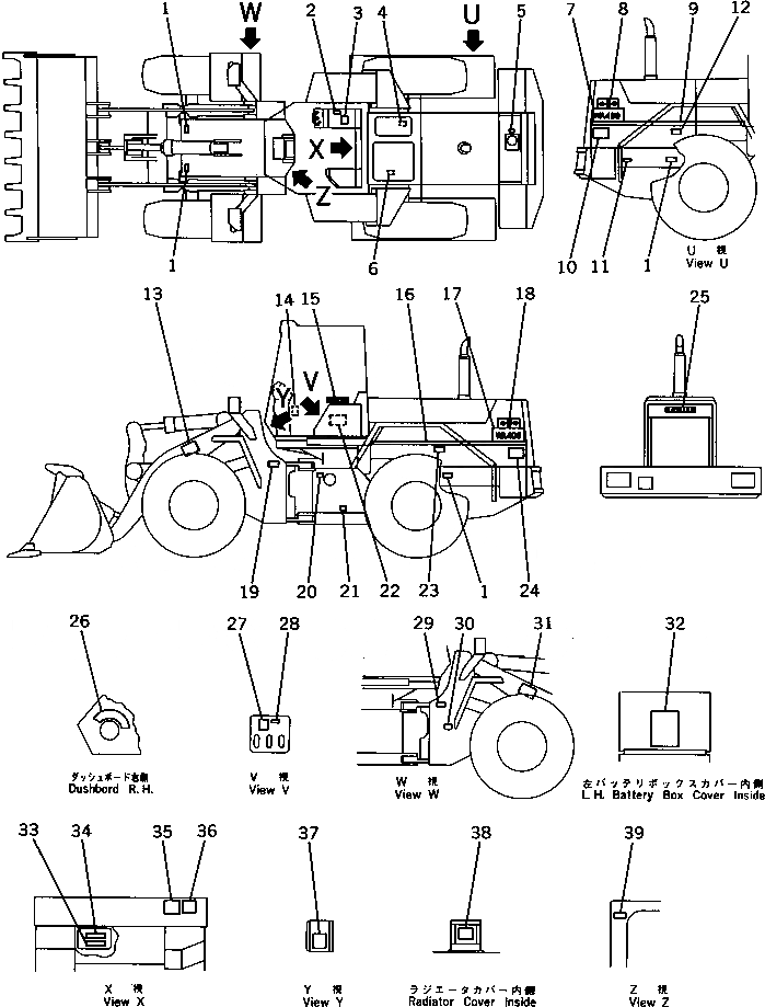
1

419-93-11930

PLATE, CAUTION,LIFT HERE

SN: 10376-UP

4шт.

2

09685-00008

PLATE, OPERATING,PARKING BRAKE

SN: 10824-UP

1шт.

2

0

PLATE, OPERATING,PARKING BRAKE

SN: 10001-10823

1шт.

3

425-93-11350

PLATE, OPERATING,RELAY

SN: 10376-UP

1шт.

4

424-93-11690

PLATE, CAUTION,BRAKE OIL

SN: 10001-UP

1шт.

5

09668-02000

PLATE, SAFETY,RADIATOR CAP

SN: 10001-UP

1шт.

6

09653-02000

PLATE, SAFETY,HYDRAULIC TANK

SN: 10001-UP

1шт.

7

424-93-11181

PLATE, MARK,WA400

SN: 10001-UP

1шт.

8

09694-50280

PLATE, MARK,SYMBOL

SN: 10001-UP

1шт.

9

423-93-11142

PLATE, STRIPE

SN: 10001-UP

1шт.

10

419-93-11950

PLATE, CAUTION,KEEP OUT

SN: 10001-UP

1шт.

11

09101-02000

PLATE, CAUTION,FUEL

SN: 10278-UP

1шт.

11

0

PLATE, CAUTION,FUEL

SN: 10001-10277

1шт.

12

20T-98-22330

PLATE, SAFETY,FAN BELT

SN: 10001-UP

1шт.

13

419-93-11950

PLATE, CAUTION,KEEP OUT

SN: 10001-UP

1шт.

14

423-93-11640

PLATE, OPERATING,MONITOR PANEL

SN: 10376-UP

1шт.

15

09690-50280

PLATE, MARK,KOMATSU

SN: 10001-UP

2шт.

16

423-93-11142

PLATE, STRIPE

SN: 10001-UP

1шт.

17

424-93-11181

PLATE, MARK,WA400

SN: 10001-UP

1шт.

18

09694-50280

PLATE, MARK,SYMBOL

SN: 10001-UP

1шт.

19

362-98-11620

PLATE, CAUTION,KEEP OUT

SN: 10001-UP

1шт.

20

425-93-11320

PLATE, CAUTION,TRANSMISSION OIL LEVEL

SN: 10001-UP

1шт.

21

362-98-11160

PLATE, CAUTION,FRAME LOCK

SN: 10001-UP

1шт.

22

424-93-11612

CHART, OIL

SN: 10824-UP

1шт.

22

0

CHART, OIL

SN: 10001-10823

1шт.

22

0

CHART, OIL

SN: (10001-10375)

1шт.

23

20T-98-22330

PLATE, SAFETY,FAN BELT

SN: 10001-UP

1шт.

24

419-93-11950

PLATE, CAUTION,KEEP OUT

SN: 10001-UP

1шт.

25

09690-50400

PLATE, MARK,KOMATSU

SN: 10001-UP

1шт.

26

09683-21070

PLATE, OPERATING,MAIN SWITCH

SN: 10001-UP

1шт.

27

421-93-11132

PLATE, OPERATING,WORK EQUIPMENT CONTROL LEVER

SN: 10001-UP

1шт.

28

09685-00004

PLATE, OPERATING,LOCK LEVER

SN: 10001-UP

1шт.

29

362-98-11620

PLATE, CAUTION,KEEP OUT

SN: 10001-UP

1шт.

30

09602-23635

PLATE, NAME,(LIMITED SUPPLY)

SN: 10001-UP

1шт.

30

04418-13060

SCREW

SN: 10001-UP

4шт.

31

419-93-11950

PLATE, CAUTION,KEEP OUT

SN: 10001-UP

1шт.

32

419-93-11630

PLATE, CAUTION,BATTERY

SN: 10001-UP

1шт.

33

424-93-11621

PLATE, OPERATING,FUSE

SN: 10001-UP

1шт.

34

424-93-11631

PLATE, OPERATING,FUSE

SN: 10001-UP

1шт.

35

419-93-11521

PLATE, SAFETY,STARTING AND AFTER OPERATING

SN: 10427-UP

1шт.

35

0

PLATE, SAFETY,STARTING AND AFTER OPERATING

SN: 10001-10426

1шт.

36

362-98-11150

PLATE, CAUTION,STARTING AND INSPECTION

SN: 10001-UP

1шт.

37

419-93-11990

PLATE, CAUTION,TRANSMISSION OIL TEMPERATURE

SN: 10669-UP

1шт.

37

0

PLATE, CAUTION,TRANSMISSION OIL TEMPERATURE

SN: 10278-10668

1шт.

37

0

PLATE, CAUTION,TRANSMISSION OIL TEMPERATURE

SN: 10001-10278

1шт.

38

419-93-11530

PLATE, CAUTION,TRANSMISSION OIL TEMPERATURE

SN: 10001-UP

1шт.

39

09152-02000

PLATE, SAFETY,AIR RESERVOIR DRAIN

SN: 10001-UP

1шт.

Выбрано товаров: 47