Запчасти Komatsu WA400-1 МАРКИРОВКА (АРАБСК.) МАРКИРОВКА¤ ИНСТРУМЕНТ И РЕМКОМПЛЕКТЫ

Схема запчастей Komatsu WA400-1 - МАРКИРОВКА (АРАБСК.) МАРКИРОВКА¤ ИНСТРУМЕНТ И РЕМКОМПЛЕКТЫ
FIT
1:1
100%

Артикул

Название

Примечание

Количество

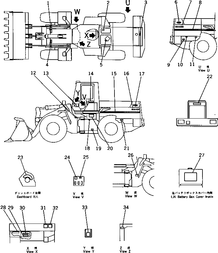
1

419-V01-1310

PLATE, CAUTION,LIFTING EYE

SN: 10001-UP

1шт.

2

423-V01-1170

PLATE, CAUTION,BRAKE OIL

SN: 10001-UP

1шт.

3

09668-00200

PLATE, SAFETY,RADIATOR CAP

SN: 10001-UP

1шт.

4

419-V01-1310

PLATE, CAUTION,LIFTING EYE

SN: 10001-UP

1шт.

5

09653-00200

PLATE, SAFETY,HYDRAULIC TANK

SN: 10001-UP

1шт.

6

09694-50280

PLATE, MARK,SYMBOL

SN: 10001-UP

1шт.

7

424-93-11181

PLATE, MARK,WA400

SN: 10001-UP

1шт.

8

423-93-11142

PLATE, STRIPE

SN: 10001-UP

1шт.

9

09101-00200

PLATE, CAUTION,FUEL

SN: 10001-UP

1шт.

10

419-V01-1140

PLATE, CAUTION,FAN BELT

SN: 10001-UP

1шт.

11

419-V01-1310

PLATE, CAUTION,LIFTING EYE

SN: 10001-UP

1шт.

12

419-V01-1160

PLATE, CAUTION,KEEP OUT

SN: 10001-UP

2шт.

13

423-V01-1190

PLATE, OPERATING,MONITOR PANEL

SN: 10001-UP

1шт.

14

09690-50280

PLATE, MARK,KOMATSU

SN: 10001-UP

2шт.

15

423-93-11142

PLATE, STRIPE

SN: 10001-UP

1шт.

16

424-93-11181

PLATE, MARK,WA400

SN: 10001-UP

1шт.

17

09694-50280

PLATE, MARK,SYMBOL

SN: 10001-UP

1шт.

18

423-V01-1140

PLATE, CAUTION,TRANSMISSION OIL LEVEL

SN: 10001-UP

1шт.

19

419-V01-1130

PLATE, CAUTION,FRAME LOCK

SN: 10001-UP

1шт.

20

424-V01-1111

CHART, OIL

SN: 10001-UP

1шт.

21

419-V01-1310

PLATE, CAUTION,LIFTING EYE

SN: 10001-UP

1шт.

22

09690-50400

PLATE, MARK,KOMATSU

SN: 10001-UP

1шт.

23

09683-02070

PLATE, OPERATING,MAIN SWITCH

SN: 10001-UP

1шт.

24

421-93-11132

PLATE, OPERATING,WORK EQUIPMENT CONTROL LEVER

SN: 10001-UP

1шт.

25

09685-00004

PLATE, OPERATING,LOCK LEVER

SN: 10001-UP

1шт.

26

424-V01-1120

PLATE, NAME,(LIMITED SUPPLY)

SN: 10001-UP

1шт.

26

04418-13060

SCREW

SN: 10001-UP

4шт.

27

419-V01-1210

PLATE, CAUTION,BATTERY

SN: 10001-UP

1шт.

28

423-V01-1130

PLATE, OPERATING,RELAY

SN: 10001-UP

1шт.

29

423-V01-1150

PLATE,FUSE

SN: 10001-UP

1шт.

30

423-V01-1160

PLATE,FUSE

SN: 10001-UP

1шт.

31

419-V01-1150

PLATE, SAFETY,STARTING AND AFTER OPERATING

SN: 10001-UP

1шт.

32

419-V01-1120

PLATE, CAUTION,STARTING AND INSPECTION

SN: 10001-UP

1шт.

33

419-V01-1380

PLATE, CAUTION,TRANSMISSION OIL TEMPERATURE

SN: 10001-UP

1шт.

34

09152-00200

PLATE, SAFETY,AIR RESERVOIR DRAIN

SN: 10001-UP

1шт.

Выбрано товаров: 35