Запчасти Komatsu WA400-1 СИСТЕМА ROPS(№-9999) РАМА И ЧАСТИ КОРПУСА

Схема запчастей Komatsu WA400-1 - СИСТЕМА ROPS(№-9999) РАМА И ЧАСТИ КОРПУСА
FIT
1:1
100%

Артикул

Название

Примечание

Количество

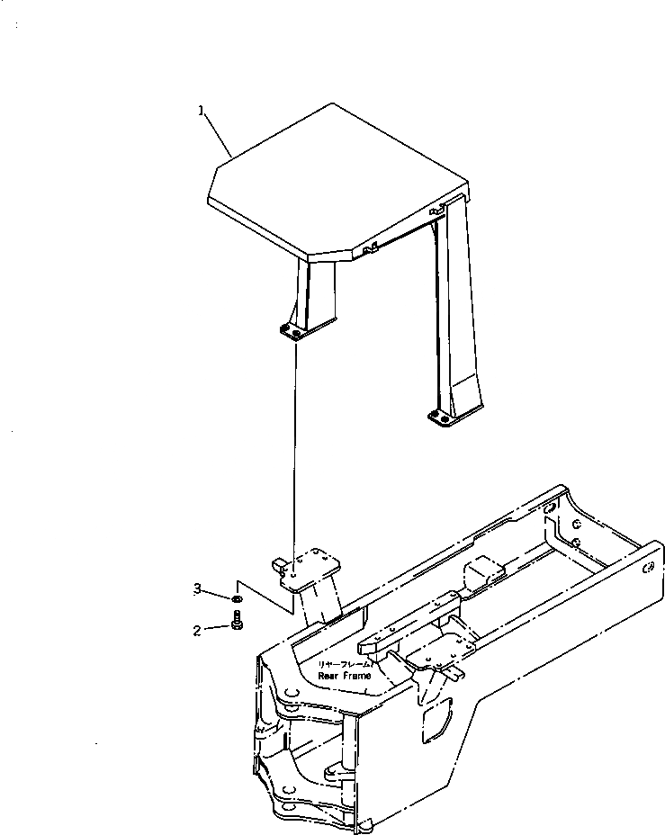
1

421-W70-1030

ROPS CANOPY ASS'Y

SN: 10001-19999

1шт.

2

01010-32480

BOLT

SN: 10001-@

12шт.

3

01643-32460

WASHER

SN: 10001-@

12шт.

4

09409-10001

BELT¤ LAP

SN: 10001-19999

1шт.

|4

09409-00001

BOLT

SN: 10001-19999

2шт.

|4

09409-00003

NUT

SN: 10001-19999

2шт.

|4

09409-00002

WASHER

SN: 10001-19999

2шт.

5

09409-20000

BELT¤ TETHER

SN: 10001-19999

2шт.

|5

09409-00001

BOLT

SN: 10001-19999

1шт.

|5

09409-00003

NUT

SN: 10001-19999

1шт.

|5

09409-00002

WASHER

SN: 10001-19999

1шт.

6

02030-70719

BOLT,TETHER

SN: 10001-19999

2шт.

Выбрано товаров: 12