Запчасти Komatsu WA400-1 ЭЛЕКТРИКА (ДЛЯ КАБИНА ДЛЯ 2 ЧЕЛ.)(№.-9999) СПЕЦ. APPLICATION ЧАСТИ

Схема запчастей Komatsu WA400-1 - ЭЛЕКТРИКА (ДЛЯ КАБИНА ДЛЯ 2 ЧЕЛ.)(№.-9999) СПЕЦ. APPLICATION ЧАСТИ
FIT
1:1
100%

Артикул

Название

Примечание

Количество

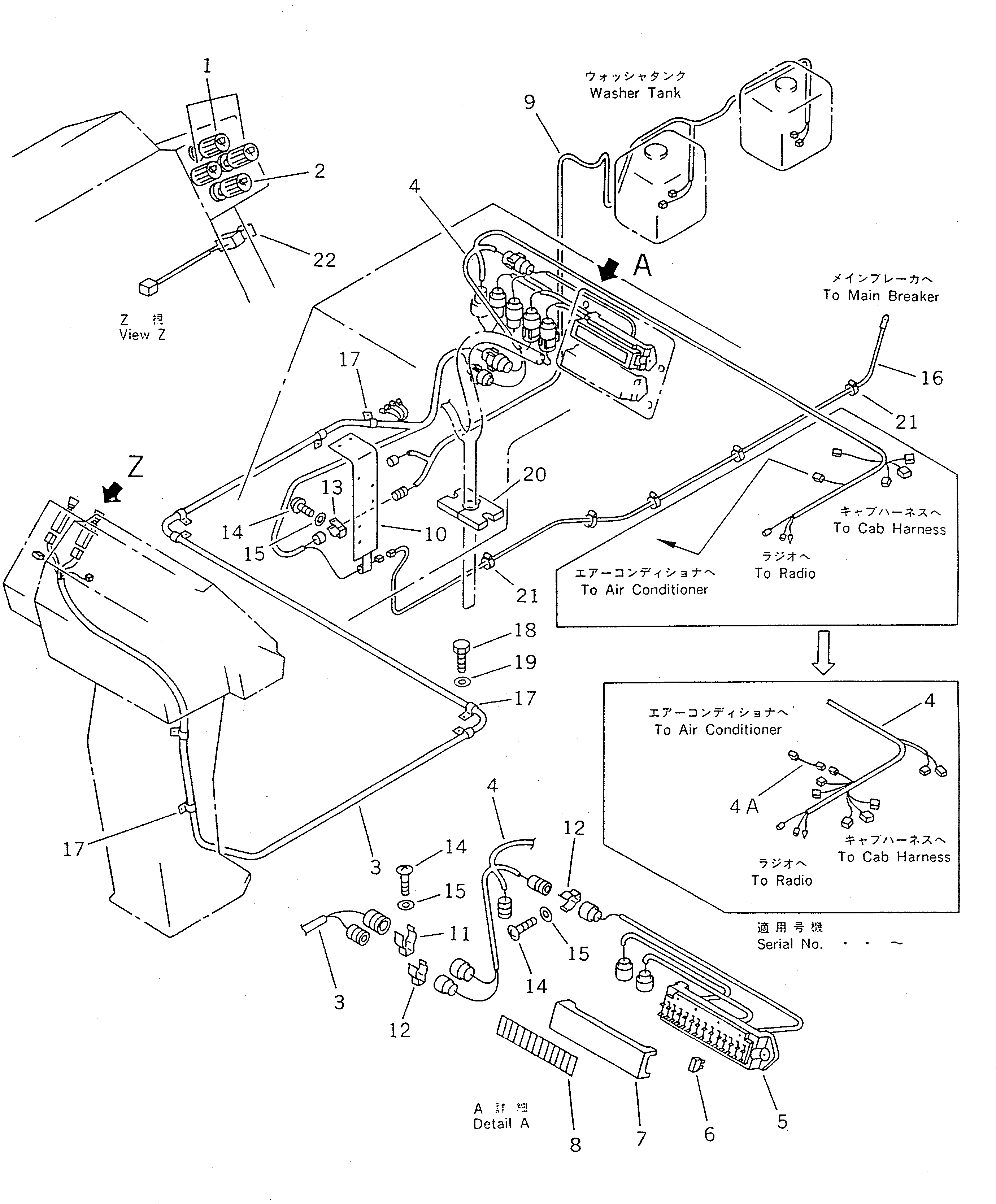
1

421-06-16141

SWITCH,FRONT WIPER

SN: 10001-19999

3шт.

2

421-06-16150

SWITCH,REAR WIPER

SN: 10001-@

1шт.

3

423-944-1513

WIRE ASS'Y

SN: .-19999

1шт.

4

418-944-1642

WIRE ASS'Y

SN: 10987-19999

1шт.

|4

423-944-1930

WIRE ASS'Y

SN: 10001-10986

1шт.

4A

418-T42-1512

WIRE ASS'Y

SN: ..-@

1шт.

5

423-944-1530

BOX ASS'Y,FUSE (MODIFIED PARTS)

SN: 10001-@

1шт.

6

283-06-16190

FUSE¤ 10A

SN: 10001-19999

28шт.

|6

22W-06-13160

FUSE¤ 20A

SN: 10001-19999

6шт.

7

283-06-16120

COVER

SN: 10001-@

1шт.

8

423-944-1860

PLATE,FUSE

SN: 10001-19999

1шт.

9

423-944-1520

WIRE ASS'Y

SN: 10001-19999

1шт.

10

423-944-1560

BRACKET

SN: 10001-@

1шт.

11

421-06-12610

CLIP

SN: 10001-@

1шт.

12

283-06-17120

CLIP

SN: 10001-@

2шт.

13

421-06-12910

CLIP

SN: 10001-@

1шт.

14

01220-40608

SCREW

SN: 10001-@

4шт.

15

01641-20608

WASHER

SN: 10001-@

4шт.

16

423-944-1540

WIRE

SN: 10001-@

1шт.

17

424-06-12740

CLIP

SN: 10001-19999

8шт.

18

01010-50816

BOLT

SN: 10001-19999

8шт.

19

01643-30823

WASHER

SN: 10001-19999

8шт.

20

423-944-1550

SHEET

SN: 10001-19999

1шт.

21

08034-00519

BAND

SN: 10001-@

6шт.

22

419-944-1240

SWITCH,WORK LAMP (2-ACTION TYPE)

SN: .-@

1шт.

Выбрано товаров: 25