Запчасти Komatsu WA400-1 ВЕРХН. ЗАЩИТА (С РАБОЧ. ОСВЕЩЕНИЕ) (ТУННЕЛЬН. СПЕЦ-Я.) СПЕЦ. APPLICATION ЧАСТИ

Схема запчастей Komatsu WA400-1 - ВЕРХН. ЗАЩИТА (С РАБОЧ. ОСВЕЩЕНИЕ) (ТУННЕЛЬН. СПЕЦ-Я.) СПЕЦ. APPLICATION ЧАСТИ
FIT
1:1
100%

Артикул

Название

Примечание

Количество

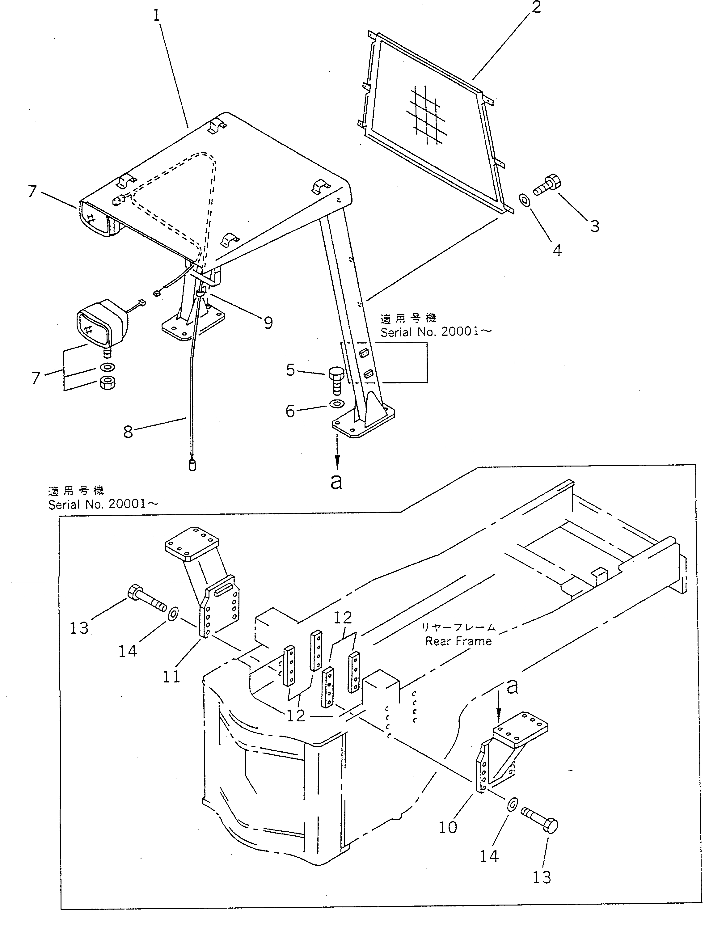
1

421-T25-1112

GUARD ASS'Y,HEAD

SN: 20001-UP

1шт.

|1

0

GUARD ASS'Y,HEAD

SN: 10001-19999

1шт.

|1

0

GUARD ASS'Y,HEAD

SN: (10001-.)

1шт.

2

421-T25-1120

GUARD,REAR (730MM)

SN: 10001-UP

1шт.

|2

0

GUARD,REAR (800MM)

SN: (10001-.)

1шт.

3

01010-51225

BOLT

SN: 10001-UP

6шт.

4

01643-31232

WASHER

SN: 10001-UP

6шт.

5

01010-52470

BOLT

SN: 10001-UP

8шт.

6

01643-32460

WASHER

SN: 10001-UP

8шт.

7

22W-06-12381

LAMP ASS'Y,WORK

SN: 10001-UP

2шт.

|7

22W-06-12170

BULB¤ 24V

SN: 10001-UP

1шт.

8

419-T25-1130

WIRE ASS'Y

SN: 10001-UP

1шт.

9

421-54-15520

CLIP

SN: 10001-UP

25шт.

10

421-928-1131

SUPPORT,L.H.

SN: 20001-UP

1шт.

11

421-928-1121

SUPPORT,R.H.

SN: 20001-UP

1шт.

12

421-928-1140

PLATE

SN: 20001-UP

4шт.

13

421-928-1150

BOLT

SN: 20001-UP

16шт.

14

01643-32460

WASHER

SN: 20001-UP

16шт.

Выбрано товаров: 18