Запчасти Komatsu WA400-1 СТОЯНОЧНЫЙ ТОРМОЗ УПРАВЛ-Е ВЕДУЩ. ВАЛ¤ ДИФФЕРЕНЦ. И КОЛЕСА

Схема запчастей Komatsu WA400-1 - СТОЯНОЧНЫЙ ТОРМОЗ УПРАВЛ-Е ВЕДУЩ. ВАЛ¤ ДИФФЕРЕНЦ. И КОЛЕСА
FIT
1:1
100%

Артикул

Название

Примечание

Количество

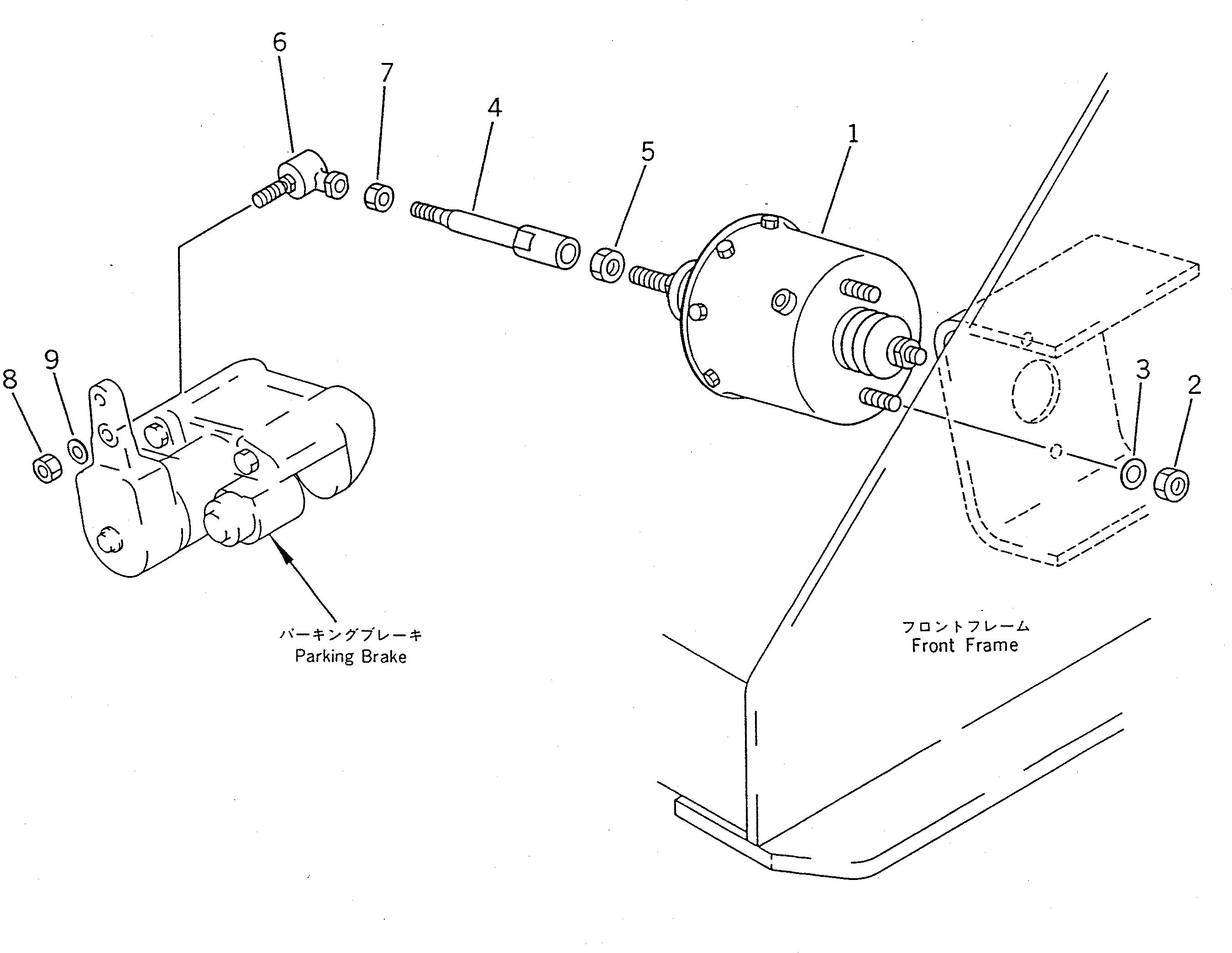
1

421-43-15642

SPRING CYLINDER A.,(SEE FIG.3341)

SN: 10001-UP

1шт.

2

01582-11613

NUT

SN: 10001-UP

2шт.

3

01643-31645

WASHER

SN: 10001-UP

2шт.

4

424-43-17110

ROD

SN: 10001-UP

1шт.

5

01583-11610

NUT

SN: 10001-UP

1шт.

6

04256-11230

JOINT,BALL

SN: 10001-UP

1шт.

7

01508-21207

NUT,L.H. THREAD

SN: 10001-UP

1шт.

8

424-09-12520

NUT

SN: 10001-UP

1шт.

9

01643-31232

WASHER

SN: 10001-UP

1шт.

Выбрано товаров: 0