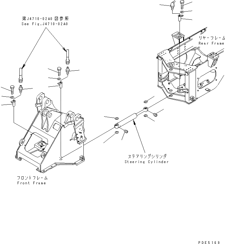
Запчасти Komatsu WA400-3-H ЦИЛИНДР РУЛЕВ. УПР-Я (ПАЛЕЦ) ОСНОВНАЯ РАМА И ЕЕ ЧАСТИ

Схема запчастей Komatsu WA400-3-H - ЦИЛИНДР РУЛЕВ. УПР-Я (ПАЛЕЦ) ОСНОВНАЯ РАМА И ЕЕ ЧАСТИ
1
1
1
2
2
2
3
3
3
4
4
4
4
5
5
6
7
8
FIT
1:1
100%

Артикул

Название

Примечание

Количество

1

423-46-21180

PIN

SN: 63001-UP

4шт.

2

01010-81220

BOLT

SN: 63001-UP

4шт.

3

175-54-34170

WASHER

SN: 63001-UP

4шт.

4

416-70-11350

SHIM¤ 1.0MM

SN: 63001-UP

8шт.

|4

424-46-12540

SHIM¤ 0.5MM

SN: 63001-UP

8шт.

5

07042-70108

PLUG

SN: 63001-64100

4шт.

6

423-09-12110

CONNECTOR

SN: 63001-UP

1шт.

7

423-09-12110

CONNECTOR

SN: 63001-UP

1шт.

8

07020-00675

FITTING,GREASE

SN: 63001-UP

2шт.

Выбрано товаров: 9