Запчасти Komatsu WA400-3-H ТРАНСМИССИЯ (ОНОСЯЩИЕСЯ К НЕЙ ЧАСТИ)(ДЛЯ ЭКСТРЕННОГО УПРАВЛЕНИЯ) ТРАНСМИССИЯ

Схема запчастей Komatsu WA400-3-H - ТРАНСМИССИЯ (ОНОСЯЩИЕСЯ К НЕЙ ЧАСТИ)(ДЛЯ ЭКСТРЕННОГО УПРАВЛЕНИЯ) ТРАНСМИССИЯ
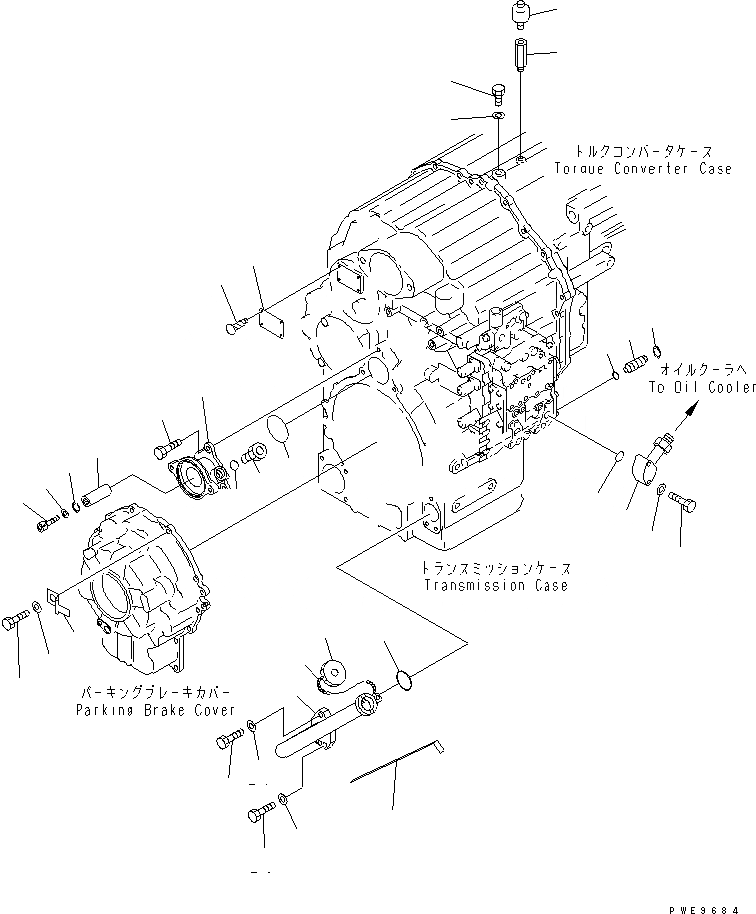
1
2
3
4
5
6
7
8
9
10
11
12
13
14
15
16
17
18
19
20
21
22
23
24
25
26
26
27
27
28
29
30
31
32
FIT
1:1
100%

Артикул

Название

Примечание

Количество

|1

714-17-10041

TRANSMISSION ASS'Y,(FOR EMERGENCY STEERING)

SN: 64001-UP

1шт.

|1

714-17-10040

TRANSMISSION ASS'Y,(FOR EMERGENCY STEERING)

SN: 63001-64000

1шт.

|$$3

THESE ASSEMBLIES CONSISTS OF ALL PARTS SHOWN IN FIGS.F4350-51A1 TO F4350-69A1.

-1шт.

1

07030-00252

BREATHER

SN: 63001-UP

1шт.

2

566-22-13170

JOINT

SN: 63001-UP

1шт.

3

419-15-18241

PLUG

SN: 63001-UP

1шт.

4

07002-02434

O-RING (K1)

SN: 63001-UP

1шт.

5

419-15-18251

RING,SNAP

SN: 63001-UP

1шт.

6

09608-05080

PLATE¤ NAME,(LIMITED SUPPLY)

SN: 63001-UP

1шт.

7

04418-13060

SCREW

SN: 63001-UP

4шт.

8

419-15-18220

PLUG

SN: 63001-UP

1шт.

9

07005-02216

GASKET (K1)

SN: 63001-UP

1шт.

10

714-11-11340

COVER

SN: 63001-UP

1шт.

11

07040-12414

PLUG

SN: 63001-UP

1шт.

12

07002-02434

O-RING (K1)

SN: 63001-UP

1шт.

13

07000-02085

O-RING (K1)

SN: 63001-UP

1шт.

14

01010-81230

BOLT

SN: 63001-UP

3шт.

15

714-07-18450

CONNECTION

SN: 63001-UP

1шт.

16

01252-30816

BOLT

SN: 63001-UP

1шт.

17

01643-30823

WASHER

SN: 63001-UP

1шт.

18

04065-01910

RING,SNAP

SN: 63001-UP

1шт.

19

01010-81240

BOLT

SN: 63001-UP

1шт.

20

01643-31232

WASHER

SN: 63001-UP

1шт.

21

08053-01512

CLIP

SN: 63001-UP

1шт.

22

714-07-14511

TUBE,FILLER

SN: 63001-UP

1шт.

23

714-07-14611

GAUGE,LEVEL

SN: 63001-UP

1шт.

24

6136-21-7120

CAP ASS'Y

SN: 63001-UP

1шт.

25

07000-73048

O-RING (K1)

SN: 63001-UP

1шт.

26

01010-81240

BOLT

SN: 63001-UP

3шт.

27

01643-31232

WASHER

SN: 63001-UP

3шт.

28

6136-21-7190

CHAIN

SN: 63001-UP

1шт.

29

714-07-18380

TUBE

SN: 63001-UP

1шт.

30

01011-81085

BOLT

SN: 63001-UP

2шт.

31

01643-31032

WASHER

SN: 63001-UP

2шт.

32

07000-73028

O-RING (K3)

SN: 63001-UP

1шт.

Выбрано товаров: 0