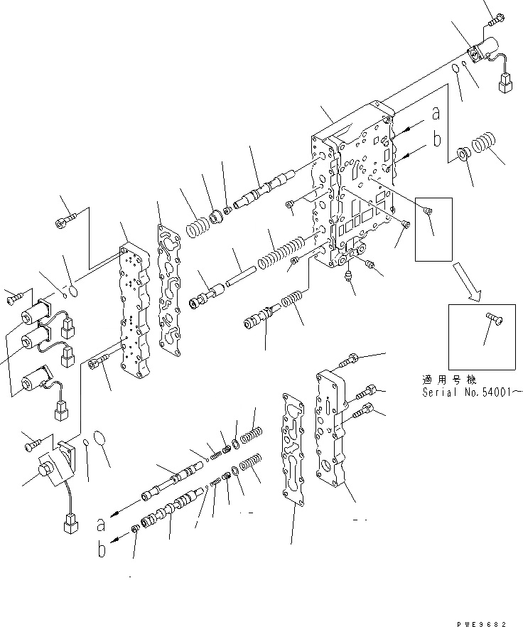
Запчасти Komatsu WA400-3A КЛАПАН УПРАВЛЕНИЯ ТРАНСМИССИЕЙ (НИЖНИЙ КЛАПАН) (ДЛЯ ЭКСТРЕННОГО УПРАВЛЕНИЯ) ТРАНСМИССИЯ

Схема запчастей Komatsu WA400-3A - КЛАПАН УПРАВЛЕНИЯ ТРАНСМИССИЕЙ (НИЖНИЙ КЛАПАН) (ДЛЯ ЭКСТРЕННОГО УПРАВЛЕНИЯ) ТРАНСМИССИЯ
1
2
3
4
5
6
7
7
8
8
8
9
9
10
10
11
11
12
12
13
14
14
15
15
16
17
18
18
19
20
21
22
23
23
24
24
25
25
26
27
28
29
29
30
31
31
32
33
34
34
35
36
36
FIT
1:1
100%

Артикул

Название

Примечание

Количество

|$$1

SERIAL NO. IN ( ) INDICATES TRANSMISSION SERIAL NO.

-1шт.

|1

714-17-10041

TRANSMISSION ASS'Y,(FOR EMERGENCY STEERING)

SN: 54001-UP

1шт.

|1

714-17-10050

TRANSMISSION ASS'Y,(FOR EMERGENCY STEERING)

SN: 53001-54000

1шт.

|$$4

THESE ASSEMBLIES CONSISTS OF ALL PARTS SHOWN IN FIGS.F4350-51A1 TO F4350-69A1.

-1шт.

|1

714-07-15012

VALVE ASS'Y,TRANSMISSION

SN: (101333)-UP

1шт.

|1

714-07-15011

VALVE ASS'Y,TRANSMISSION

SN: 54001-(101332)

1шт.

|1

714-07-17014

VALVE ASS'Y,TRANSMISSION

SN: (100961)-54000

1шт.

|1

0

VALVE ASS'Y,TRANSMISSION

SN: 53001-(100960)

1шт.

|$$9

THESE ASSEMBLIES CONSISTS OF ALL PARTS SHOWN IN FIGS.F4350-61A1 TO F4350-63A1.

-1шт.

|1

714-07-16100

VALVE ASS'Y,LOWER

SN: 54001-UP

1шт.

|1

714-07-17200

VALVE ASS'Y,LOWER

SN: 53001-UP

1шт.

1

0

BODY,LOWER VALVE

SN: 53001-UP

1шт.

2

714-07-16250

VALVE,PRIORITY

SN: 53001-UP

1шт.

3

714-07-16510

VALVE,F-R

SN: 54001-UP

1шт.

|3

714-07-16311

VALVE,F-R

SN: 53001-54000

1шт.

4

714-07-16520

VALVE,H-L

SN: 54001-UP

1шт.

|4

714-07-16321

VALVE,H-L

SN: 53001-54000

1шт.

5

714-07-16331

VALVE,SPEED

SN: 53001-UP

1шт.

6

714-07-16340

VALVE,BRAKE

SN: 53001-UP

1шт.

7

714-07-16620

SLEEVE

SN: 53001-UP

2шт.

8

02720-10104

PLUG

SN: 54001-UP

6шт.

|8

02720-10104

PLUG

SN: 53001-54000

3шт.

9

714-07-16570

PLUG

SN: 53001-UP

2шт.

10

04260-00635

BALL,CHECK VALVE

SN: 53001-UP

2шт.

11

714-07-16590

SPRING

SN: 53001-UP

2шт.

12

419-15-16631

SPACER

SN: 53001-UP

2шт.

13

714-07-16260

SPRING

SN: 53001-UP

1шт.

14

714-07-16370

SPRING

SN: 53001-UP

2шт.

15

419-15-16620

SPRING

SN: 53001-UP

2шт.

16

714-07-16380

SPRING

SN: 53001-UP

1шт.

17

714-07-16270

STOPPER

SN: 53001-UP

1шт.

18

419-15-15640

PLUG

SN: 53001-UP

3шт.

19

714-07-16842

COVER,LOWER VALVE

SN: 53001-UP

1шт.

20

714-07-16851

COVER,LOWER VALVE

SN: 53001-UP

1шт.

21

714-07-16950

GASKET (K2)

SN: 53001-UP

1шт.

22

714-07-16960

GASKET (K2)

SN: 53001-UP

1шт.

23

17A-15-17271

SOLENOID VALVE,SOLENOID

SN: (100694)-UP

4шт.

|23

0

VALVE ASS'Y,SOLENOID

SN: 53001-(100693)

4шт.

24

714-10-16960

O-RING (K2)

SN: 53001-(100693)

1шт.

25

714-10-16970

O-RING (K2)

SN: 53001-(100693)

1шт.

26

714-07-16730

VALVE ASS'Y,SOLENOID

SN: 53001-UP

1шт.

27

421-06-16510

O-RING (K2)

SN: 53001-UP

1шт.

28

421-06-16520

O-RING (K2)

SN: 53001-UP

1шт.

29

01220-40412

SCREW

SN: 53001-UP

16шт.

30

01220-40416

SCREW

SN: 53001-UP

4шт.

31

01220-40406

SCREW

SN: 54001-UP

1шт.

|31

419-15-15640

PLUG

SN: 53001-54000

1шт.

32

01010-80835

BOLT

SN: 53001-UP

7шт.

33

01252-40845

BOLT

SN: 53001-UP

2шт.

34

01252-40835

BOLT

SN: 53001-UP

12шт.

35

01252-40825

BOLT

SN: 53001-UP

2шт.

36

07042-30108

PLUG

SN: 53001-UP

2шт.

Выбрано товаров: 52