Запчасти Komatsu WA400-3A-SN ТРАНСМИССИЯ (АКСЕССУАРЫ) ТРАНСМИССИЯ

Схема запчастей Komatsu WA400-3A-SN - ТРАНСМИССИЯ (АКСЕССУАРЫ) ТРАНСМИССИЯ
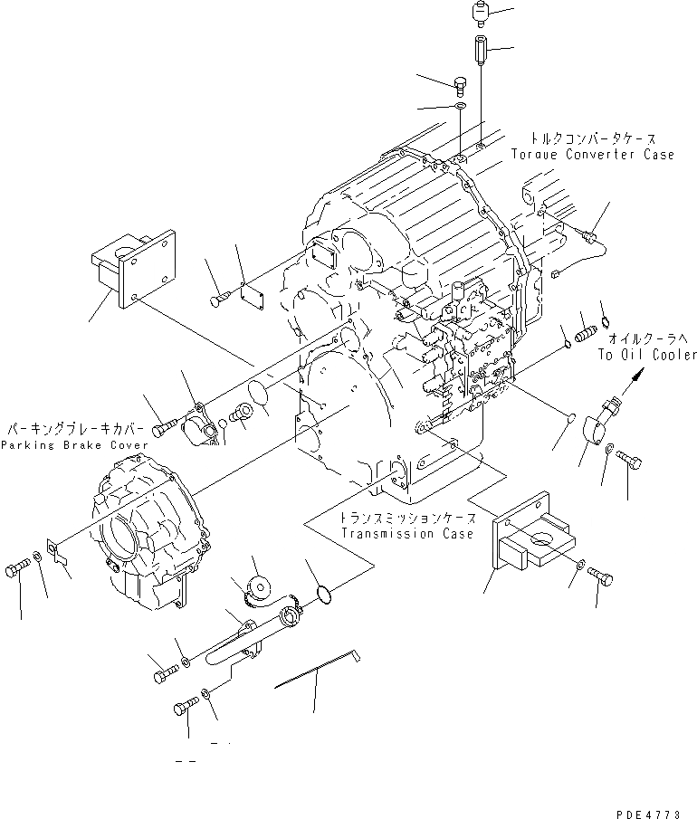
1
2
3
4
5
6
7
8
9
10
11
12
13
14
15
16
17
18
19
20
21
22
23
24
25
26
27
28
29
30
31
31
32
33
34
FIT
1:1
100%

Артикул

Название

Примечание

Количество

|1

714-17-10011

TRANSMISSION ASS'Y

SN: 54001-UP

1шт.

|1

714-17-10010

TRANSMISSION ASS'Y

SN: 53001-54000

1шт.

|$$3

THESE ASSEMBLIES CONSISTS OF ALL PARTS SHOWN IN FIGS.F4350-51A0 TO F4350-69A0.

-1шт.

1

07030-00252

BREATHER

SN: 53001-UP

1шт.

2

566-22-13170

JOINT

SN: 53001-UP

1шт.

3

419-15-18241

PLUG

SN: 53001-UP

1шт.

4

07002-02434

O-RING (K1)

SN: 53001-UP

1шт.

5

419-15-18251

RING,SNAP

SN: 53001-UP

1шт.

6

09608-05080

PLATE¤ NAME,(LIMITED SUPPLY)

SN: 53001-UP

1шт.

7

04418-13060

SCREW

SN: 53001-UP

4шт.

8

419-15-18220

PLUG

SN: 53001-UP

1шт.

9

07005-02216

GASKET (K1)

SN: 53001-UP

1шт.

10

714-11-11350

RETAINER

SN: 53001-UP

1шт.

11

07040-12414

PLUG

SN: 53001-UP

1шт.

12

07002-02434

O-RING (K1)

SN: 53001-UP

1шт.

13

07000-02085

O-RING (K1)

SN: 53001-UP

1шт.

14

01010-81230

BOLT

SN: 53001-UP

3шт.

15

01010-81240

BOLT

SN: 53001-UP

1шт.

16

01643-31232

WASHER

SN: 53001-UP

1шт.

17

08053-01512

CLIP

SN: 53001-UP

1шт.

18

714-07-14511

TUBE,FILLER

SN: 53001-UP

1шт.

19

714-07-14611

GAUGE,LEVEL

SN: 53001-UP

1шт.

20

6136-21-7120

CAP ASS'Y

SN: 53001-UP

1шт.

|20

6136-21-7180

GASKET

SN: 53001-UP

1шт.

21

07000-73048

O-RING (K1)

SN: 53001-UP

1шт.

22

01010-81240

BOLT

SN: 53001-UP

2шт.

23

01010-81240

BOLT

SN: 53001-UP

1шт.

24

01643-31232

WASHER

SN: 53001-UP

2шт.

25

01643-31232

WASHER

SN: 53001-UP

1шт.

26

6136-21-7190

CHAIN

SN: 53001-UP

1шт.

27

714-07-18380

TUBE

SN: 53001-UP

1шт.

28

01011-81085

BOLT

SN: 53001-UP

2шт.

29

01643-31032

WASHER

SN: 53001-UP

2шт.

30

07000-73028

O-RING (K3)

SN: 53001-UP

1шт.

31

421-01-21120

BRACKET

SN: 53001-54000

2шт.

32

01010-61650

BOLT

SN: 53001-54000

8шт.

33

01643-31645

WASHER

SN: 53001-54000

8шт.

34

7861-92-3320

SENSOR

SN: 53001-54000

1шт.

Выбрано товаров: 38