Запчасти Komatsu WA400-5 РУКОЯТЬ И КОЛЕНЧАТЫЙ РЫЧАГ (MOUTING ЧАСТИ) (ДЛЯ АВТОМАТИЧ. СМАЗ.) РАБОЧЕЕ ОБОРУДОВАНИЕ

Схема запчастей Komatsu WA400-5 - РУКОЯТЬ И КОЛЕНЧАТЫЙ РЫЧАГ (MOUTING ЧАСТИ) (ДЛЯ АВТОМАТИЧ. СМАЗ.) РАБОЧЕЕ ОБОРУДОВАНИЕ
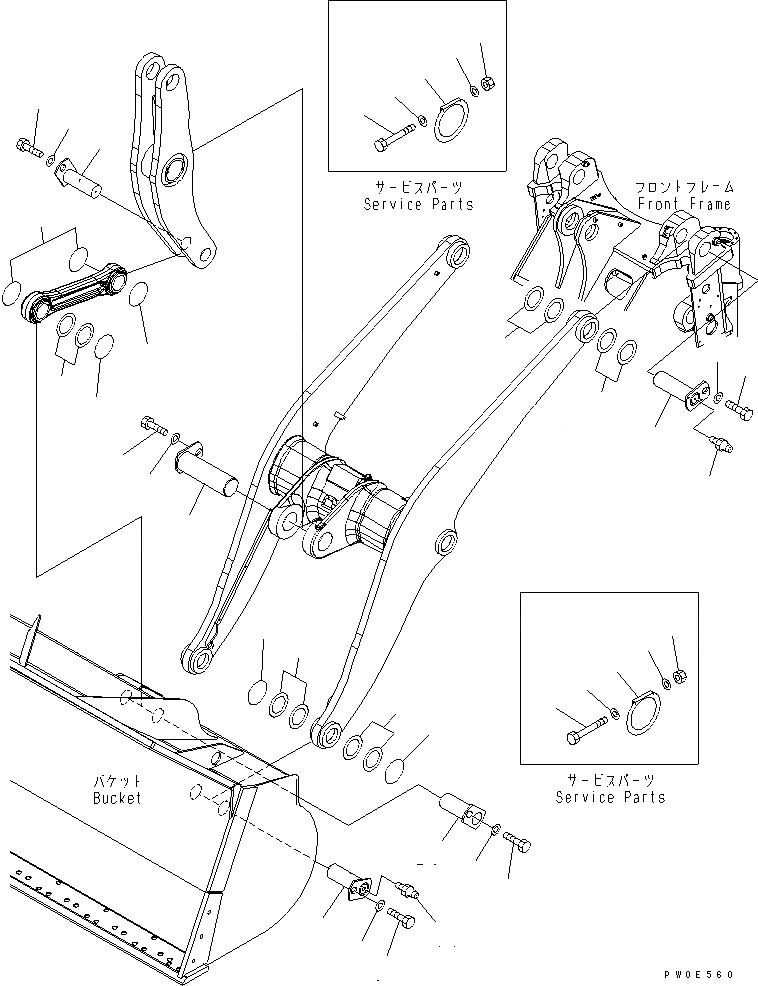
1
2
3
3
4
5
6
7
7
8
8
9
10
11
12
13
13
14
15
16
17
18
19
20
21
22
22
22
23
23
24
24
25
26
26
27
28
FIT
1:1
100%

Артикул

Название

Примечание

Количество

1

424-70-11712

PIN

SN: 70001-UP

2шт.

2

07020-00675

FITTING,GREASE

SN: 70001-UP

2шт.

3

423-70-11781

SHIM, 1.5MM

SN: 70001-UP

2шт.

3

423-70-11881

SHIM, 3.0MM

SN: 70001-UP

4шт.

4

01010-81630

BOLT

SN: 70001-UP

2шт.

5

421-70-11280

WASHER

SN: 70001-UP

2шт.

6

424-70-11910

PIN

SN: 70001-UP

2шт.

7

423-70-11711

SHIM, 1.5MM

SN: 70001-UP

2шт.

7

423-70-11811

SHIM, 3.0MM

SN: 70001-UP

2шт.

8

0

O-RING

SN: 70001-UP

4шт.

9

01010-81630

BOLT

SN: 70001-UP

2шт.

10

421-70-11280

WASHER

SN: 70001-UP

2шт.

11

07020-00000

FITTING,GREASE

SN: 70001-UP

2шт.

12

01596-00606

NUT,(SERVICE PARTS)

SN: 70001-UP

4шт.

13

01641-20608

WASHER,(SERVICE PARTS)

SN: 70001-UP

8шт.

14

236-46-13620

BOLT,(SERVICE PARTS)

SN: 70001-UP

4шт.

15

421-70-11410

O-RING,(SERVICE PARTS)

SN: 70001-UP

4шт.

16

424-70-11960

PIN

SN: 70001-UP

1шт.

17

01010-81630

BOLT

SN: 70001-UP

1шт.

18

421-70-11280

WASHER

SN: 70001-UP

1шт.

19

423-S95-2921

PIN

SN: 70001-UP

1шт.

20

424-70-11922

PIN

SN: 70001-UP

1шт.

21

423-70-11711

SHIM, 1.5MM

SN: 70001-UP

1шт.

21

423-70-11811

SHIM, 3.0MM

SN: 70001-UP

1шт.

22

0

O-RING

SN: 70001-UP

4шт.

23

01010-81630

BOLT

SN: 70001-UP

2шт.

24

421-70-11280

WASHER

SN: 70001-UP

2шт.

25

01596-00606

NUT,(SERVICE PARTS)

SN: 70001-UP

4шт.

26

01641-20608

WASHER,(SERVICE PARTS)

SN: 70001-UP

8шт.

27

236-46-13620

BOLT,(SERVICE PARTS)

SN: 70001-UP

4шт.

28

421-70-11410

O-RING,(SERVICE PARTS)

SN: 70001-UP

4шт.

Выбрано товаров: 31