Запчасти Komatsu WA400-5 ТРАНСМИССИЯ (УПРАВЛЯЮЩ. КЛАПАН И КРЕПЛЕНИЕ) СИЛОВАЯ ПЕРЕДАЧА

Схема запчастей Komatsu WA400-5 - ТРАНСМИССИЯ (УПРАВЛЯЮЩ. КЛАПАН И КРЕПЛЕНИЕ) СИЛОВАЯ ПЕРЕДАЧА
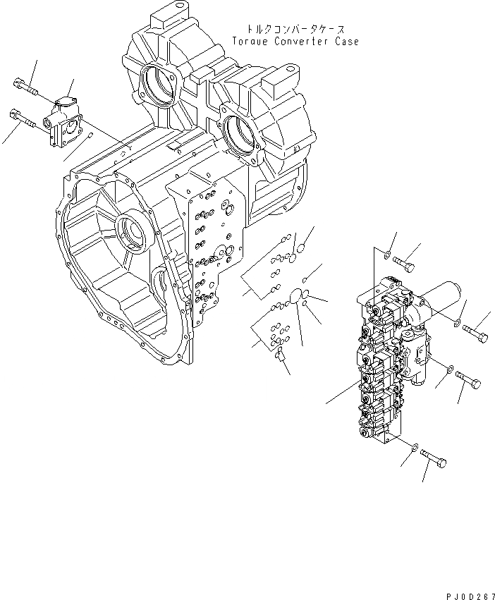
1
2
3
4
5
6
7
8
9
10
11
12
13
14
14
14
15
15
15
15
16
17
FIT
1:1
100%

Артикул

Название

Примечание

Количество

|$$1

SERIAL NO. IN ( ) INDICATES TRANSMISSION SERIAL NO.

-1шт.

|$3

714-12-20203

TORQFLOW ASS'Y

SN: 70001-UP

1шт.

|$4

0

TORQFLOW ASS'Y

SN: (70001-(110159))

1шт.

|$$4

THESE ASSEMBLIES CONSISTS OF ALL PARTS SHOWN IN FIGS.F4350-51A0 TO F4350-63A0.

-1шт.

|$6

714-12-20213

TRANSMISSION ASS'Y,(WITH LOCK-UP)

SN: 70001-UP

1шт.

|$7

0

TRANSMISSION ASS'Y,(WITH LOCK-UP)

SN: (70001-(110159))

1шт.

|$$7

THESE ASSEMBLIES CONSISTS OF ALL PARTS SHOWN IN FIGS.F4350-51A0 TO F4350-63A2.

-1шт.

1

714-07-25401

VALVE ASS'Y,FLOW CONTROL

SN: (110077)-UP

1шт.

1

0

VALVE ASS'Y,FLOW CONTROL

SN: 70001-(110076)

1шт.

2

01252-31065

BOLT

SN: 70001-UP

1шт.

3

01252-31055

BOLT

SN: 70001-UP

3шт.

4

07000-73040

O-RING (K1)

SN: 70001-UP

1шт.

5

714-07-25020

VALVE ASS'Y,MAIN

SN: 70023-UP

1шт.

5

0

VALVE ASS'Y,MAIN

SN: 70001-70022

1шт.

5

0

VALVE ASS'Y,MAIN

SN: (70001-70022)

1шт.

5

714-07-25030

VALVE ASS'Y,(WITH LOCK-UP)

SN: 70023-UP

1шт.

5

0

VALVE ASS'Y,(WITH LOCK-UP)

SN: 70001-70022

1шт.

5

0

VALVE ASS'Y,(WITH LOCK-UP)

SN: (70001-70022)

1шт.

6

01010-81055

BOLT

SN: 70001-UP

6шт.

7

01643-31032

WASHER

SN: 70001-UP

6шт.

8

01011-81020

BOLT

SN: 70001-UP

1шт.

9

01643-31032

WASHER

SN: 70001-UP

1шт.

10

01011-81005

BOLT

SN: 70001-UP

2шт.

11

01643-31032

WASHER

SN: 70001-UP

2шт.

12

01011-81010

BOLT

SN: 70001-UP

1шт.

13

01643-31032

WASHER

SN: 70001-UP

1шт.

14

07000-73028

O-RING (K1)

SN: 70001-UP

3шт.

15

07000-72015

O-RING (K1)

SN: 70001-UP

25шт.

16

07000-72012

O-RING (K1)

SN: 70001-UP

2шт.

17

07000-73045

O-RING (K1)

SN: 70001-UP

1шт.

Выбрано товаров: 30