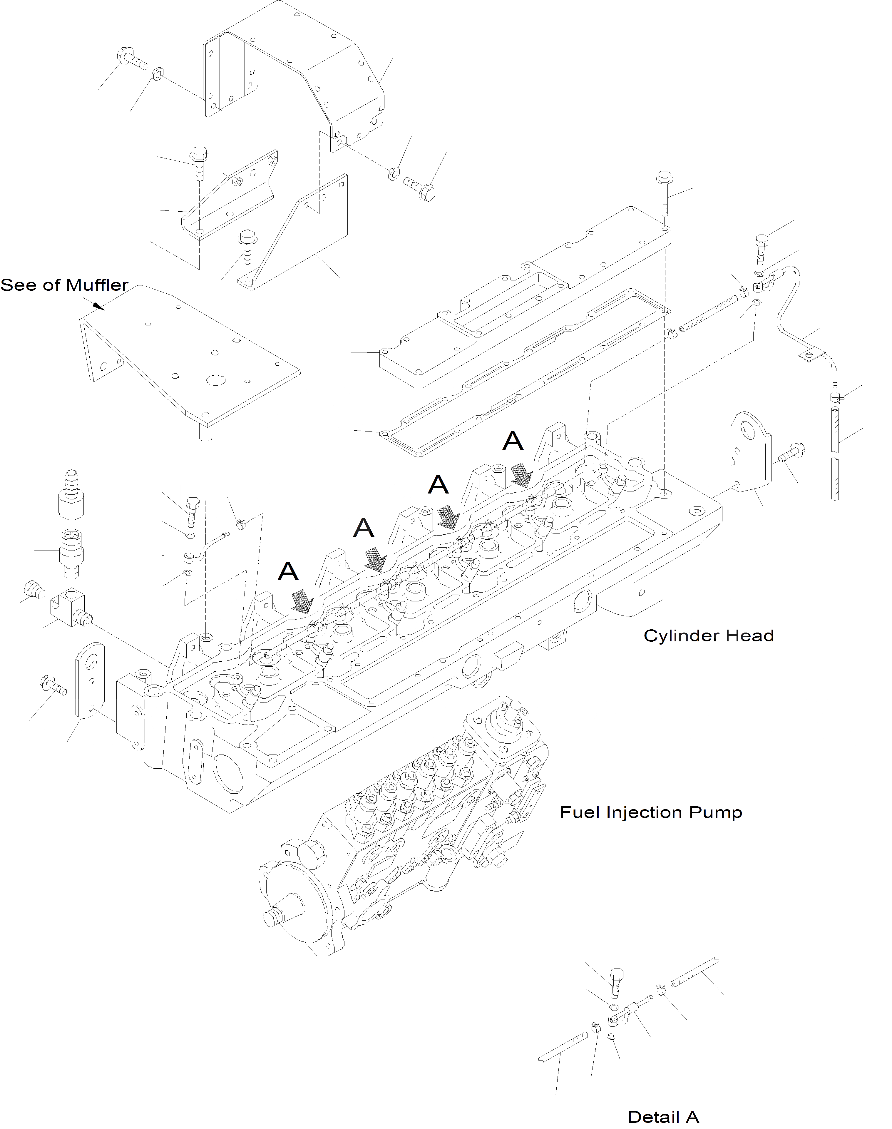
Запчасти Komatsu WA400-5 ГОЛОВКА ЦИЛИНДРОВ И ATTACHING ЧАСТИ ДВИГАТЕЛЬ, КРЕПЛЕНИЕ ДВИГАТЕЛЯ

Схема запчастей Komatsu WA400-5 - ГОЛОВКА ЦИЛИНДРОВ И ATTACHING ЧАСТИ ДВИГАТЕЛЬ, КРЕПЛЕНИЕ ДВИГАТЕЛЯ
16
18
17
12
17
7
6
4
5
3
2
9
10
8
11
18
17
15
16
17
13
16
15
19
20
14
18
17
16
17
1
21
23
24
7
26
25
27
26
22
FIT
1:1
100%

Артикул

Название

Примечание

Количество

1

1307686H1

COVER

DeutschDesc: DECKEL

1шт.

2

6742-01-0840

GASKET

DeutschDesc: DICHTUNG

1шт.

3

6732-21-6630

SCREW

DeutschDesc: SCHRAUBE

11шт.

4

6731-81-8250

STUD

DeutschDesc: STUTZEN

1шт.

5

6732-11-1930

PLUG

DeutschDesc: VERSCHLUSSSTOPFEN

1шт.

6

6742-01-3530

VALVE CHECK

DeutschDesc: PRUEFVENTIL

1шт.

7

6735-61-5110

CONNECTOR

DeutschDesc: ANSCHLUSS

1шт.

8

6732-51-5130

SCREW

DeutschDesc: SCHRAUBE

2шт.

9

6742-01-2540

SCREW

DeutschDesc: SCHRAUBE

2шт.

10

6742-01-5152

BRACKET

DeutschDesc: HALTER

1шт.

11

6742-01-2560

BRACKET

DeutschDesc: HALTER

1шт.

12

6741-71-5310

TUBE

DeutschDesc: ROHR

1шт.

13

6741-71-5320

TUBE

DeutschDesc: ROHR

4шт.

14

6741-71-5330

TUBE

DeutschDesc: ROHR

1шт.

15

07270-30411

HOSE

DeutschDesc: SCHLAUCH

5шт.

16

07285-00080

CLIP

DeutschDesc: SCHELLE

10шт.

17

6732-71-6260

PLAIN WASHER

DeutschDesc: UNTERLEGSCHEIBE

12шт.

18

6732-71-6240

BANJO BOLT

DeutschDesc: HOHLSCHRAUBE

6шт.

19

6206-71-9130

HOSE

DeutschDesc: SCHLAUCH

1шт.

20

07285-00155

CLIP

DeutschDesc: SCHELLE

1шт.

21

6743-81-8840

BRACKET

DeutschDesc: HALTER

1шт.

22

01435-01020

SCREW

DeutschDesc: SCHRAUBE

2шт.

23

6743-81-8850

BRACKET

DeutschDesc: HALTER

1шт.

24

01435-01020

SCREW

DeutschDesc: SCHRAUBE

2шт.

25

6743-81-8860

BRACKET

DeutschDesc: HALTER

1шт.

26

01435-00820

SCREW

DeutschDesc: SCHRAUBE

4шт.

27

6201-81-6560

PLAIN WASHER

DeutschDesc: UNTERLEGSCHEIBE

4шт.

Выбрано товаров: 0