Качественные детали и логистика
Оригинальные и аналоговые запчасти с доставкой по России, Казахстану и Беларуси
©2022 PartSell ООО "Система" ИНН 2463123282 ОГРН 1212400004838
Центральный офис: г. Красноярск, Академика Киренского, д.87, пом.4
Телефон: 8 (800) 777-65-74 Email: zakaz@partsell.ru
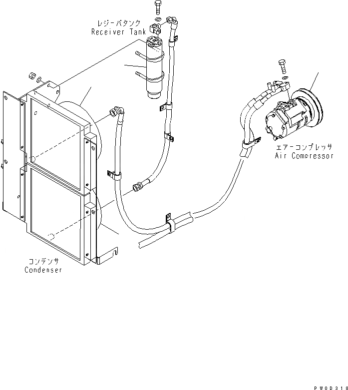
КОНДИЦ. ВОЗДУХА (КОМПРЕССОР И КОНДЕНСАТОР)
№
Артикул
Название
Примечание
Количество
|$0
421-07-31410
AIR CONDITIONER KIT
SN: A40001-UP
1шт.
1
20Y-979-3120
TANK
2
COMPRESSOR ASS'Y,(SEE FIG. K0710-02A0)
-1шт.
3
CONDENSER ASS'Y,(SEE FIG. K0710-03A1)
Выбрано товаров: 0