Запчасти Komatsu WA420-1 РУЛЕВ. УПРАВЛЕНИЕ ЗАПРАШИВАЮЩ. КЛАПАН (/)(№-9999) РУЛЕВ. УПРАВЛЕНИЕ И СИСТЕМА УПРАВЛЕНИЯS

Схема запчастей Komatsu WA420-1 - РУЛЕВ. УПРАВЛЕНИЕ ЗАПРАШИВАЮЩ. КЛАПАН (/)(№-9999) РУЛЕВ. УПРАВЛЕНИЕ И СИСТЕМА УПРАВЛЕНИЯS
FIT
1:1
100%

Артикул

Название

Примечание

Количество

|$0

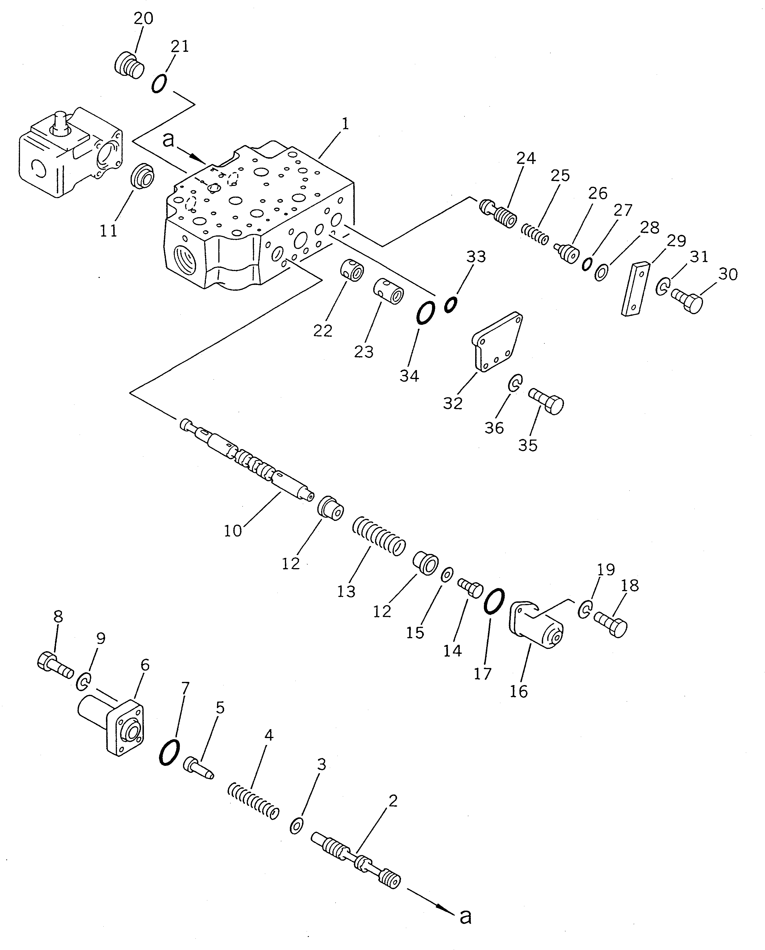
702-23-62003

VALVE ASS'Y,STEERING DEMAND

SN: 10001-19999

1шт.

|$1

0

VALVE ASS'Y,STEERING DEMAND

SN: (10058-.)

1шт.

|$2

0

VALVE ASS'Y,STEERING DEMAND

SN: (10001-10057)

1шт.

|$$4

THESE ASSEMBLIES CONSIST OF ALL PARTS SHOWN IN FIGS.4101 TO 4103.

-1шт.

1

0

BODY

SN: 10001-19999

1шт.

2

0

SPOOL

SN: 10001-19999

1шт.

3

287-17-11251

RETAINER

SN: 10001-19999

1шт.

4

702-23-64170

SPRING

SN: 10001-19999

1шт.

5

702-13-61390

BOSS

SN: 10001-19999

1шт.

6

702-13-61181

COVER

SN: 10001-19999

1шт.

7

07000-13038

O-RING

SN: 10001-19999

1шт.

8

01010-51040

BOLT

SN: 10001-19999

4шт.

9

01602-21030

WASHER,SPRING

SN: 10001-19999

4шт.

10

0

SPOOL

SN: 10001-19999

1шт.

11

702-13-61650

COLLAR

SN: 10001-19999

1шт.

12

702-13-61160

RETAINER

SN: 10001-19999

2шт.

13

702-23-61270

SPRING

SN: 10001-19999

1шт.

14

702-13-61490

BOLT

SN: 10001-19999

1шт.

15

01643-30823

WASHER

SN: 10001-19999

1шт.

16

702-13-61140

CASE

SN: 10001-19999

1шт.

17

07000-13040

O-RING

SN: 10001-19999

1шт.

18

702-23-21280

BOLT

SN: 10001-19999

2шт.

19

01602-20825

WASHER,SPRING

SN: 10001-19999

2шт.

20

07040-12414

PLUG

SN: 10001-19999

1шт.

21

07002-12434

O-RING

SN: 10001-19999

1шт.

22

702-23-61150

ORIFICE

SN: 10001-19999

1шт.

23

702-23-21160

ORIFICE

SN: 10001-19999

1шт.

24

702-13-61281

POPPET

SN: 10001-19999

1шт.

25

702-13-61270

SPRING

SN: 10001-19999

1шт.

26

702-13-61290

SEAT

SN: 10001-19999

1шт.

27

07000-12018

O-RING

SN: 10001-19999

1шт.

28

07001-02018

RING,BACK-UP

SN: 10001-19999

1шт.

29

702-13-61240

PLATE

SN: 10001-19999

1шт.

30

01010-51030

BOLT

SN: 10001-19999

2шт.

31

01602-21030

WASHER,SPRING

SN: 10001-19999

2шт.

32

702-23-61230

COVER

SN: 10001-19999

1шт.

33

07000-13025

O-RING

SN: 10001-19999

1шт.

34

07000-13032

O-RING

SN: 10001-19999

1шт.

35

01010-51035

BOLT

SN: 10001-19999

5шт.

36

01602-21030

WASHER,SPRING

SN: 10001-19999

5шт.

Выбрано товаров: 40