Качественные детали и логистика
Оригинальные и аналоговые запчасти с доставкой по России, Казахстану и Беларуси
©2022 PartSell ООО "Система" ИНН 2463123282 ОГРН 1212400004838
Центральный офис: г. Красноярск, Академика Киренского, д.87, пом.4
Телефон: 8 (800) 777-65-74 Email: zakaz@partsell.ru
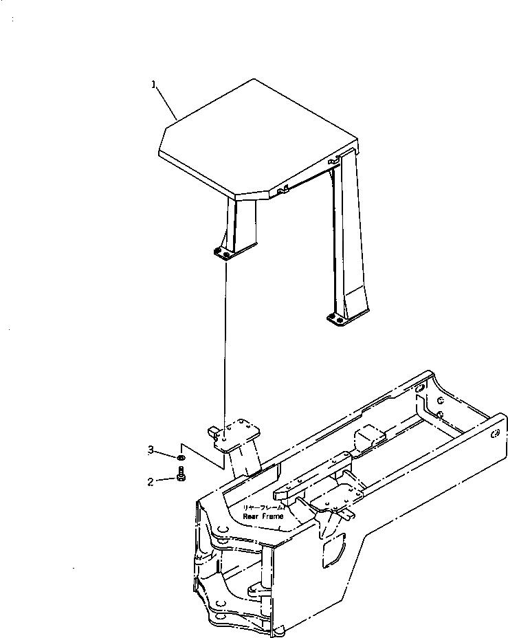
СИСТЕМА ROPS(№-9999)
№
Артикул
Название
Примечание
Количество
|$0
421-W70-1020
ROPS CANOPY ASS'Y,(NORTH AMERICA SPEC.)
SN: 10001-@
1шт.
|$1
421-W70-1070
ROPS CANOPY ASS'Y,(EUROPA SPEC.)
SN: 10001-19999
1
0
CANOPY,ROPS
2
01010-32480
BOLT
12шт.
3
01643-32460
WASHER
4
09409-10001
BELT, LAP
5
09409-20000
BELT, TETHER
2шт.
6
02030-70719
Выбрано товаров: 0