Запчасти Komatsu WA420-1 ТРУБКИ КОНДИЦИОНЕРА (DENSO) (/)(№-) РАМА И ЧАСТИ КОРПУСА

Схема запчастей Komatsu WA420-1 - ТРУБКИ КОНДИЦИОНЕРА (DENSO) (/)(№-) РАМА И ЧАСТИ КОРПУСА
FIT
1:1
100%

Артикул

Название

Примечание

Количество

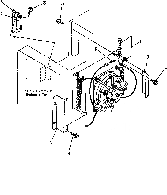
1

425-963-1120

CONDENSER ASS'Y,(SEE FIG.5535)

SN: 20001-UP

1шт.

2

423-963-1360

BRACKET

SN: 20001-UP

1шт.

3

423-963-1430

BRACKET

SN: 20001-UP

1шт.

4

01435-01016

BOLT

SN: 20001-UP

4шт.

5

01435-01220

BOLT

SN: 20001-UP

4шт.

6

198-911-4610

TANK,RESERVOIR

SN: 20001-UP

1шт.

6

145-Z79-4860

BOLT,FUSE

SN: 20001-UP

1шт.

7

425-963-1150

HOLDER

SN: 20001-UP

1шт.

8

01435-00820

BOLT

SN: 20001-UP

2шт.

9

421-963-1350

WIRE ASS'Y

SN: 20001-UP

1шт.

Выбрано товаров: 10