Запчасти Komatsu WA420-1 ОБОГРЕВАТЕЛЬ. (/) (DENSO)(№.-) РАМА И ЧАСТИ КОРПУСА

Схема запчастей Komatsu WA420-1 - ОБОГРЕВАТЕЛЬ. (/) (DENSO)(№.-) РАМА И ЧАСТИ КОРПУСА
FIT
1:1
100%

Артикул

Название

Примечание

Количество

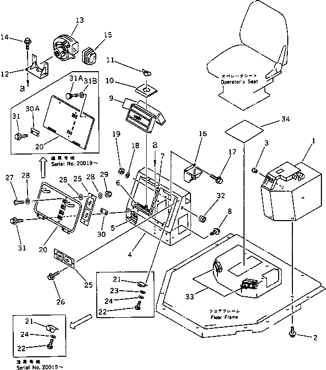
1

418-T42-1111

HEATER ASS'Y,(SEE FIG.5595)

SN: ..-UP

1шт.

1

0

HEATER UNIT,(SEE FIG.5595)

SN: .-..

1шт.

2

01435-01220

BOLT

SN: .-UP

3шт.

3

07049-01215

PLUG

SN: .-UP

2шт.

4

421-T43-1212

BOX ASS'Y

SN: ..-UP

1шт.

4

423-963-1240

BOX ASS'Y

SN: .-..

1шт.

5

423-963-1330

INSULATOR

SN: .-UP

2шт.

6

423-963-1310

INSULATOR

SN: .-UP

2шт.

7

421-T43-1230

SHEET

SN: .-..

1шт.

8

01435-01220

BOLT

SN: .-UP

2шт.

9

421-07-12312

FILTER

SN: 10001-UP

2шт.

10

425-07-11130

PLATE

SN: 10001-UP

1шт.

11

01540-20840

NUT

SN: 10001-UP

1шт.

12

425-963-1210

BRACKET

SN: .-UP

1шт.

13

425-963-1160

BLOWER ASS'Y,(SEE FIG.5597)

SN: .-UP

1шт.

14

01435-00820

BOLT

SN: .-UP

4шт.

15

425-963-1180

DUCT,(SEE FIG.5597)

SN: .-UP

1шт.

16

425-963-1170

DAMPER ASS'Y,(SEE FIG.5595)

SN: .-UP

1шт.

17

01435-00820

BOLT

SN: .-UP

2шт.

18

01643-30823

WASHER

SN: .-UP

2шт.

19

01580-10806

NUT

SN: .-UP

2шт.

20

421-T43-1390

COVER

SN: 20019-UP

1шт.

20

421-T43-1310

COVER

SN: .-20018

1шт.

21

421-T43-1350

PLATE

SN: 20019-UP

2шт.

21

09452-14503

CATCHER

SN: .-20018

2шт.

22

01220-40308

SCREW

SN: .-UP

4шт.

23

01641-20305

WASHER

SN: .-20018

4шт.

24

01601-20307

WASHER,SPRING

SN: .-UP

4шт.

25

423-T43-1430

FILTER

SN: .-UP

2шт.

26

01435-00816

BOLT

SN: .-UP

2шт.

27

01220-40820

SCREW

SN: 10001-UP

2шт.

28

01643-30823

WASHER

SN: 10001-UP

6шт.

29

01580-10806

NUT

SN: .-UP

2шт.

30

421-T43-1330

PLATE

SN: 20019-UP

2шт.

30

421-T43-1320

PLATE

SN: .-20018

2шт.

30A

421-T43-1340

PLATE

SN: 20019-UP

2шт.

31

01435-00616

BOLT

SN: .-UP

4шт.

31A

425-54-12960

SCREW

SN: 20019-UP

2шт.

31B

01643-30623

WASHER

SN: 20019-UP

2шт.

32

08037-02512

GROMMET

SN: .-UP

1шт.

33

421-07-12512

GRILLE ASS'Y

SN: 10001-UP

2шт.

34

423-07-11110

INSULATOR

SN: .-UP

1шт.

Выбрано товаров: 42