Запчасти Komatsu WA420-1 ПОГРУЗ. И НАСОС РУЛЕВ. УПРАВЛ-Я (/)(№-) УПРАВЛ-Е РАБОЧИМ ОБОРУДОВАНИЕМ

Схема запчастей Komatsu WA420-1 - ПОГРУЗ. И НАСОС РУЛЕВ. УПРАВЛ-Я (/)(№-) УПРАВЛ-Е РАБОЧИМ ОБОРУДОВАНИЕМ
FIT
1:1
100%

Артикул

Название

Примечание

Количество

|$0

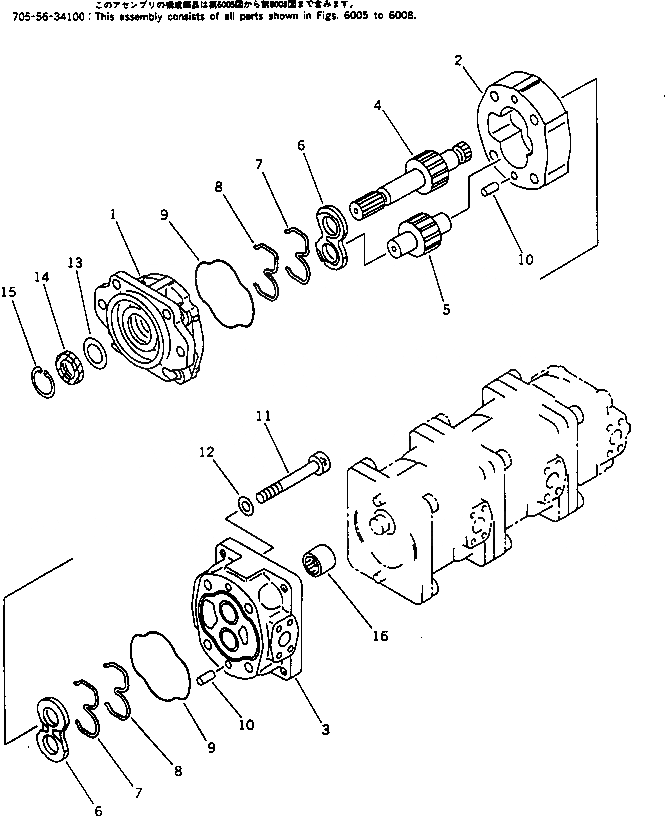
705-56-34100

PUMP ASS'Y,(SAR80+63+50+12)

SN: 20001-UP

1шт.

|$$2

THIS ASSEMBLY CONSISTS OF ALL PARTS SHOWN IN FIGS.6005 TO 6008.

-1шт.

|$2

705-12-38211

PUMP ASS'Y,(SAR80)

SN: 20001-UP

1шт.

1

0

BRACKET ASS'Y

SN: 10001-UP

1шт.

1

0

BUSHING

SN: 10001-UP

2шт.

2

0

CASE,GEAR

SN: 10001-UP

1шт.

3

0

CARRIER

SN: 10001-UP

1шт.

3

0

BUSHING

SN: 10001-UP

2шт.

4

0

GEAR,DRIVE

SN: 10001-UP

1шт.

5

0

GEAR,DRIVEN

SN: 10001-UP

1шт.

6

705-17-03610

PLATE,SIDE

SN: 10001-UP

2шт.

7

705-17-03443

RING,BACK-UP

SN: 20001-UP

2шт.

8

705-17-03473

SEAL,RING

SN: 20001-UP

2шт.

9

705-17-03381

O-RING

SN: 20001-UP

2шт.

10

04020-01228

PIN,DOWEL

SN: 10001-UP

4шт.

11

705-17-03760

BOLT

SN: 10001-UP

4шт.

12

01643-51645

WASHER

SN: 20001-UP

4шт.

13

705-17-03870

PLATE

SN: 10001-UP

1шт.

14

705-17-03811

SEAL,OIL

SN: 20001-UP

1шт.

15

04065-05220

RING,SNAP

SN: 10001-UP

1шт.

16

705-17-03330

COUPLING

SN: 10001-UP

1шт.

Выбрано товаров: 0