Запчасти Komatsu WA420-1 ЭЛЕКТРИКА (КОНСОЛЬН. БЛОК¤ ПРАВ.) (ЕСКАНАТ СПЕЦ-Я.)(№-) КОМПОНЕНТЫ ДВИГАТЕЛЯ И ЭЛЕКТРИКА

Схема запчастей Komatsu WA420-1 - ЭЛЕКТРИКА (КОНСОЛЬН. БЛОК¤ ПРАВ.) (ЕСКАНАТ СПЕЦ-Я.)(№-) КОМПОНЕНТЫ ДВИГАТЕЛЯ И ЭЛЕКТРИКА
FIT
1:1
100%

Артикул

Название

Примечание

Количество

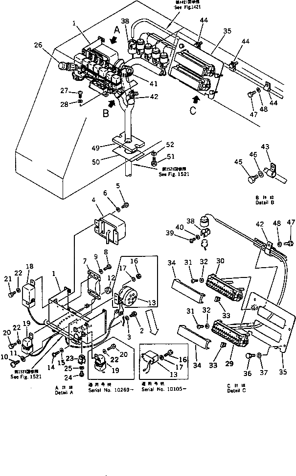
1

421-06-11731

BOX

SN: 10001-10454

1шт.

2

01010-51020

BOLT

SN: 10001-@

4шт.

3

01643-30623

WASHER

SN: 10001-@

4шт.

4

7861-72-3000

CONTROLLER ASS'Y

SN: 10001-10268

1шт.

5

01010-50616

BOLT

SN: 10001-10268

4шт.

6

01643-30623

WASHER

SN: 10001-10268

4шт.

7

423-06-11211

TIMER,BI-METAL

SN: 10001-10454

1шт.

8

01235-40410

SCREW

SN: 10001-10454

1шт.

9

01641-20405

WASHER

SN: 10001-10454

1шт.

10

01220-40520

SCREW

SN: 10001-10454

1шт.

11

01641-20508

WASHER

SN: 10001-10454

1шт.

12

01580-10504

NUT

SN: 10001-@

1шт.

13

207-06-31160

BUZZER

SN: 10105-@

1шт.

13

0

BUZZER

SN: 10001-10104

1шт.

14

01220-40616

SCREW

SN: 10001-10104

2шт.

15

01640-20610

WASHER

SN: 10001-10104

2шт.

16

01220-40412

SCREW

SN: 10105-@

2шт.

16

01580-10605

NUT

SN: 10001-10104

2шт.

17

01641-20405

WASHER

SN: 10105-@

2шт.

17

01602-20619

WASHER,SPRING

SN: 10001-10104

2шт.

18

22W-06-13251

FLASHER

SN: 10001-@

1шт.

19

287-06-16410

RELAY

SN: 10269-@

7шт.

19

287-06-16410

RELAY

SN: 10001-10268

6шт.

19

287-06-16420

BRACKET

SN: 10001-10454

1шт.

20

01010-50612

BOLT

SN: 10269-@

8шт.

20

01010-50612

BOLT

SN: 10001-10268

7шт.

21

01010-50610

BOLT

SN: 10269-@

1шт.

21

01010-50612

BOLT

SN: 10001-10268

1шт.

22

01643-30623

WASHER

SN: 10269-@

9шт.

22

01643-30623

WASHER

SN: 10001-10268

8шт.

23

283-06-17130

CLIP

SN: 10001-10268

3шт.

24

01220-40608

SCREW

SN: 10001-10268

3шт.

25

01641-20608

WASHER

SN: 10001-10268

3шт.

26

195-822-6151

LIGHTER

SN: 10001-@

1шт.

27

01220-40410

SCREW

SN: 10001-@

2шт.

28

01641-20405

WASHER

SN: 10001-@

2шт.

29

424-06-12430

BOX ASS'Y,FUSE

SN: 10001-@

1шт.

30

424-06-12420

BOX ASS'Y,FUSE

SN: 10001-@

1шт.

31

01220-40516

SCREW

SN: 10001-@

4шт.

32

01641-20508

WASHER

SN: 10001-@

4шт.

33

283-06-16190

FUSE, 10A

SN: 10001-@

24шт.

33

22W-06-13160

FUSE, 20A

SN: 10001-@

6шт.

34

283-06-16120

COVER

SN: 10001-@

2шт.

35

424-06-12441

BRACKET

SN: 10279-@

1шт.

35

0

BRACKET

SN: 10001-10278

1шт.

36

01010-50812

BOLT

SN: 10001-@

4шт.

37

01643-30823

WASHER

SN: 10001-@

4шт.

38

421-06-12610

CLIP

SN: 10001-@

5шт.

39

01220-40608

SCREW

SN: 10001-@

5шт.

40

01641-20608

WASHER

SN: 10001-@

5шт.

41

08037-05016

GROMMET

SN: 10001-@

1шт.

42

08036-03014

CLIP

SN: 10001-@

2шт.

43

08036-01814

CLIP

SN: 10001-@

1шт.

44

08036-10814

CLIP

SN: 10001-@

3шт.

45

01010-51220

BOLT

SN: 10001-@

2шт.

46

01643-31232

WASHER

SN: 10001-@

2шт.

47

01010-51020

BOLT

SN: 10001-@

4шт.

48

01643-31032

WASHER

SN: 10001-@

4шт.

49

419-06-12230

SEAT

SN: 10001-@

1шт.

50

419-06-12220

PLATE

SN: 10001-@

1шт.

51

01010-50616

BOLT

SN: 10001-@

2шт.

52

01643-30623

WASHER

SN: 10001-@

2шт.

Выбрано товаров: 62