Запчасти Komatsu WA420-1 МАРКИРОВКА (TBG/ABE СПЕЦ-Я.)(№-) СПЕЦ. APPLICATION ЧАСТИ

Схема запчастей Komatsu WA420-1 - МАРКИРОВКА (TBG/ABE СПЕЦ-Я.)(№-) СПЕЦ. APPLICATION ЧАСТИ
FIT
1:1
100%

Артикул

Название

Примечание

Количество

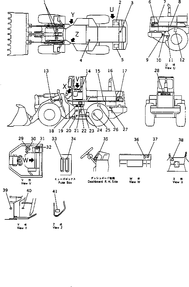
1

419-93-11930

PLATE, CAUTION,LIFTING EYE

SN: 20001-UP

2шт.

2

419-93-11630

PLATE, CAUTION,BATTERY

SN: 20001-UP

1шт.

3

09668-02000

PLATE, SAFETY,RADIATOR CAP

SN: 20001-UP

1шт.

4

09653-02000

PLATE, SAFETY,HYDRAULIC TANK

SN: 20001-UP

1шт.

5

419-93-11630

PLATE, CAUTION,BATTERY

SN: 20001-UP

1шт.

6

09694-50280

PLATE, MARK,SYMBOL

SN: 20001-UP

1шт.

7

424-93-11810

PLATE, MARK,WA420

SN: 20001-UP

1шт.

8

423-93-11142

PLATE, STRIPE

SN: 20001-UP

1шт.

9

09101-02000

PLATE, CAUTION,FUEL

SN: 20001-UP

1шт.

10

20T-982-2330

PLATE, CAUTION,FAN

SN: 20001-UP

1шт.

11

421-93-11710

PLATE, CAUTION,ENGINE OIL DRAIN

SN: 20001-UP

1шт.

12

419-93-11930

PLATE, CAUTION,LIFTING EYE

SN: 20001-UP

1шт.

13

419-93-11950

PLATE, CAUTION,KEEP OUT

SN: 20001-UP

2шт.

14

09690-50280

PLATE, MARK,KOMATSU

SN: 20001-UP

2шт.

15

423-93-11142

PLATE, STRIPE

SN: 20001-UP

1шт.

16

424-93-11810

PLATE, MARK,WA420

SN: 20001-UP

1шт.

17

09694-50280

PLATE, MARK,SYMBOL

SN: 20001-UP

1шт.

18

09152-02000

PLATE, SAFETY,AIR TANK, DRAIN

SN: 20001-UP

1шт.

19

362-98-11620

PLATE, CAUTION,KEEP OUT

SN: 20001-UP

1шт.

20

362-98-11160

PLATE, CAUTION,FRAME LOCK

SN: 20001-UP

1шт.

21

425-93-11320

PLATE, CAUTION,TRANSMISSION OIL LEVEL

SN: 20001-UP

1шт.

22

09152-02000

PLATE, SAFETY,AIR TANK, DRAIN

SN: 20001-UP

1шт.

23

424-93-11732

CHART, OIL

SN: 20001-UP

1шт.

24

09152-02000

PLATE, SAFETY,AIR TANK, DRAIN

SN: 20001-UP

1шт.

25

423-93-11630

PLATE, OPERATING,AIR DRYER

SN: 20001-UP

1шт.

26

419-93-11930

PLATE, CAUTION,LIFTING EYE

SN: 20001-UP

1шт.

27

421-93-12280

PLATE, OPERATING,REMOTE GREASE, REAR AXLE

SN: 20001-UP

1шт.

28

09690-50400

PLATE, MARK,KOMATSU

SN: 20001-UP

1шт.

29

421-93-11132

PLATE, OPERATING,BUCKET CONTROL LEVER

SN: 20001-UP

1шт.

30

09685-00003

PLATE, OPERATING,LEVER LOCK

SN: 20001-UP

1шт.

31

421-93-12260

PLATE, OPERATING,RELAY

SN: 20001-UP

1шт.

32

09685-00008

PLATE, OPERATING,LEVER LOCK

SN: 20001-UP

1шт.

33

424-93-11622

PLATE, OPERATING,FUSE

SN: 20001-UP

1шт.

34

424-93-11632

PLATE, OPERATING,FUSE

SN: 20001-UP

1шт.

35

09683-21070

PLATE, OPERATING,STARTING SWITCH

SN: 20001-UP

1шт.

36

419-93-11521

PLATE, SAFETY,STARTING AND AFTER OPERATING

SN: 20001-UP

1шт.

37

362-98-11150

PLATE, CAUTION,STARTING AND INSPECTION

SN: 20001-UP

1шт.

38

419-93-11990

PLATE, CAUTION,TRANSMISSION OIL TEMPERATURE

SN: 20001-UP

1шт.

39

362-98-11620

PLATE, CAUTION,KEEP OUT

SN: 20001-UP

1шт.

40

09602-25635

PLATE, NAME,(LIMITED SUPPLY)

SN: 20001-UP

1шт.

40

04418-13060

SCREW

SN: 20001-UP

4шт.

41

423-93-11641

PLATE, OPERATING,MONITOR PANEL

SN: 20001-UP

1шт.

Выбрано товаров: 42