Запчасти Komatsu WA420-1 МАРКИРОВКА (РОССИЯ)(№-) МАРКИРОВКА¤ ИНСТРУМЕНТ И РЕМКОМПЛЕКТЫ

Схема запчастей Komatsu WA420-1 - МАРКИРОВКА (РОССИЯ)(№-) МАРКИРОВКА¤ ИНСТРУМЕНТ И РЕМКОМПЛЕКТЫ
FIT
1:1
100%

Артикул

Название

Примечание

Количество

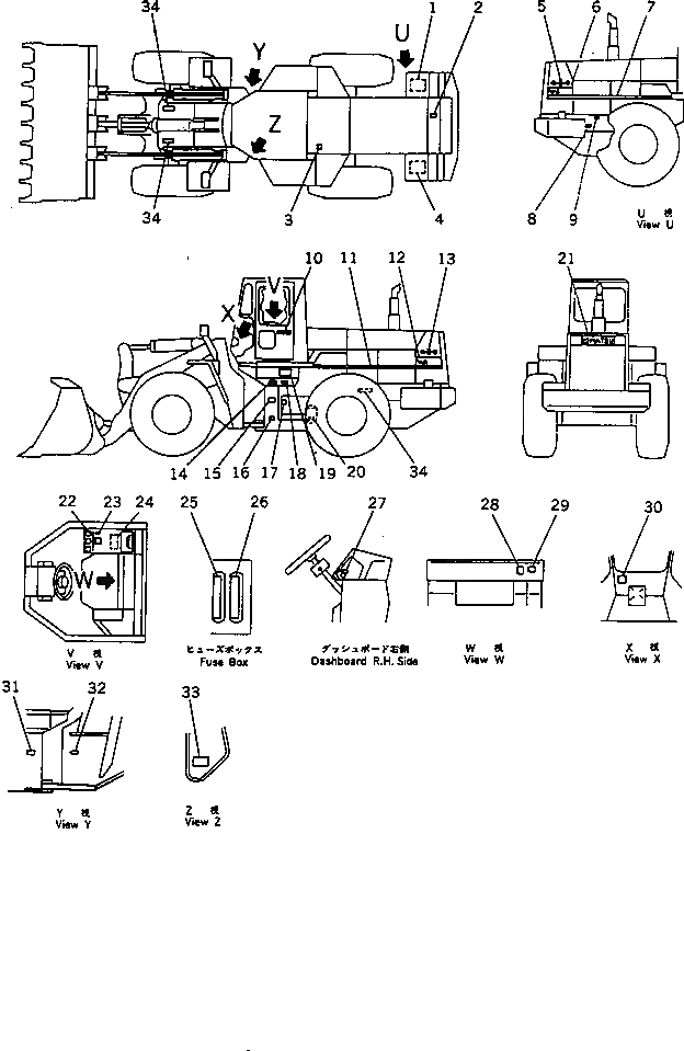
1

418-V06-1190

PLATE, CAUTION,BATTERY

SN: 20001-UP

1шт.

2

09668-04000

PLATE, SAFETY,RADIATOR CAP

SN: 20001-UP

1шт.

3

09653-04001

PLATE, SAFETY,HYDRAULIC TANK

SN: 20001-UP

1шт.

4

418-V06-1190

PLATE, CAUTION,BATTERY

SN: 20001-UP

1шт.

5

09694-50280

PLATE, MARK,SYMBOL

SN: 20001-UP

1шт.

6

424-93-11810

PLATE, MARK,WA420

SN: 20001-UP

1шт.

7

423-93-11142

PLATE, STRIPE

SN: 20001-UP

1шт.

8

09101-04000

PLATE, CAUTION,FUEL

SN: 20001-UP

1шт.

9

418-V06-1140

PLATE, CAUTION,FAN

SN: 20001-UP

1шт.

10

09690-50280

PLATE, MARK,KOMATSU

SN: 20001-UP

2шт.

11

423-93-11142

PLATE, STRIPE

SN: 20001-UP

1шт.

12

424-93-11810

PLATE, MARK,WA420

SN: 20001-UP

1шт.

13

09694-50280

PLATE, MARK,SYMBOL

SN: 20001-UP

1шт.

14

09152-04000

PLATE, SAFETY,AIR TANK, DRAIN

SN: 20001-UP

1шт.

15

418-V06-1160

PLATE, CAUTION,KEEP OUT

SN: 20001-UP

1шт.

16

418-V06-1130

PLATE, CAUTION,FRAME LOCK

SN: 20001-UP

1шт.

17

427-V06-1130

PLATE, CAUTION,TRANSMISSION OIL LEVEL

SN: 20001-UP

1шт.

18

09152-04000

PLATE, SAFETY,AIR TANK, DRAIN

SN: 20001-UP

1шт.

19

424-V06-1110

CHART, OIL

SN: 20001-UP

1шт.

20

427-V06-1180

PLATE, OPERATING,AIR TANK, DRAIN

SN: 20001-UP

1шт.

21

09690-50400

PLATE, MARK,KOMATSU

SN: 20001-UP

1шт.

22

421-93-11132

PLATE, OPERATING,BUCKET CONTROL LEVER

SN: 20001-UP

1шт.

23

09685-00003

PLATE, OPERATING,LEVER LOCK

SN: 20001-UP

1шт.

24

424-V06-1150

PLATE, OPERATING,RELAY

SN: 20001-UP

1шт.

25

424-V06-1130

PLATE, OPERATING,FUSE

SN: 20001-UP

1шт.

26

424-V06-1140

PLATE, OPERATING,FUSE

SN: 20001-UP

1шт.

27

09683-40070

PLATE, OPERATING,STARTING SWITCH

SN: 20001-UP

1шт.

28

418-V06-1150

PLATE, SAFETY,STARTING AND AFTER OPERATING

SN: 20001-UP

1шт.

29

418-V06-1120

PLATE, CAUTION,STARTING AND INSPECTION

SN: 20001-UP

1шт.

30

418-V06-1170

PLATE, CAUTION,TRANSMISSION OIL TEMPERATURE

SN: 20001-UP

1шт.

31

418-V06-1160

PLATE, CAUTION,KEEP OUT

SN: 20001-UP

1шт.

32

09601-40835

PLATE, NAME,(LIMITED SUPPLY)

SN: 20001-UP

1шт.

32

04418-13060

SCREW

SN: 20001-UP

4шт.

33

424-V06-1120

PLATE, OPERATING,MONITOR PANEL

SN: 20001-UP

1шт.

34

418-V06-1220

PLATE, OPERATING,LIFTING

SN: 20001-UP

4шт.

Выбрано товаров: 35