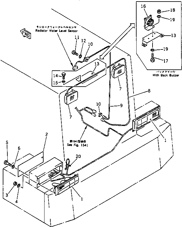
Запчасти Komatsu WA420-1 ЭЛЕКТРИКА (ЗАДН. ОСВЕЩЕНИЕ)(№-9999) КОМПОНЕНТЫ ДВИГАТЕЛЯ И ЭЛЕКТРИКА

Схема запчастей Komatsu WA420-1 - ЭЛЕКТРИКА (ЗАДН. ОСВЕЩЕНИЕ)(№-9999) КОМПОНЕНТЫ ДВИГАТЕЛЯ И ЭЛЕКТРИКА
FIT
1:1
100%

Артикул

Название

Примечание

Количество

1

415-06-13220

COMBINATION LAMP A.,L.H. REAR

SN: 10001-@

1шт.

1

415-06-13210

COMBINATION LAMP A.,R.H. REAR

SN: 10001-@

1шт.

1

415-06-13270

LENS,L.H.

SN: 10001-@

1шт.

1

415-06-13260

LENS,R.H.

SN: 10001-@

1шт.

1

08105-12420

BULB, 25W

SN: 10001-@

2шт.

1

08104-12420

BULB, 25/10W

SN: 10001-@

1шт.

1

08102-02403

BULB, 3W

SN: 10001-@

1шт.

2

424-06-14190

PLATE

SN: 10093-19999

2шт.

3

01580-10504

NUT

SN: 10001-@

8шт.

4

01641-20508

WASHER

SN: 10001-@

8шт.

5

01010-51020

BOLT

SN: 10093-19999

4шт.

6

01643-31032

WASHER

SN: 10093-19999

4шт.

7

421-06-13202

WORK LAMP ASS'Y

SN: 10001-@

2шт.

7

22W-06-12170

BULB

SN: 10001-@

1шт.

7

421-06-13120

CUSHION

SN: 10001-@

4шт.

8

424-06-12132

WIRE ASS'Y

SN: 10001-@

1шт.

9

424-06-12122

WIRE ASS'Y

SN: 10001-@

1шт.

10

421-06-12910

CLIP

SN: 10001-19999

2шт.

11

01220-40608

SCREW

SN: 10001-19999

2шт.

12

01641-20608

WASHER

SN: 10001-19999

2шт.

13

424-06-11460

PLATE,(WITHOUT BACK BUZZER)

SN: 10001-19999

1шт.

13

424-06-19123

BRACKET,(WITH BACK BUZZER)

SN: 10135-19999

1шт.

14

01010-51020

BOLT

SN: 10001-19999

2шт.

15

01643-31032

WASHER

SN: 10001-19999

2шт.

16

427-06-11310

BUZZER,BACK

SN: 10135-19999

1шт.

17

01220-40512

SCREW

SN: 10135-19999

4шт.

18

01580-10504

NUT

SN: 10135-19999

4шт.

19

01641-20508

WASHER

SN: 10135-19999

8шт.

20

08034-00536

BAND

SN: 10001-19999

1шт.

Выбрано товаров: 29