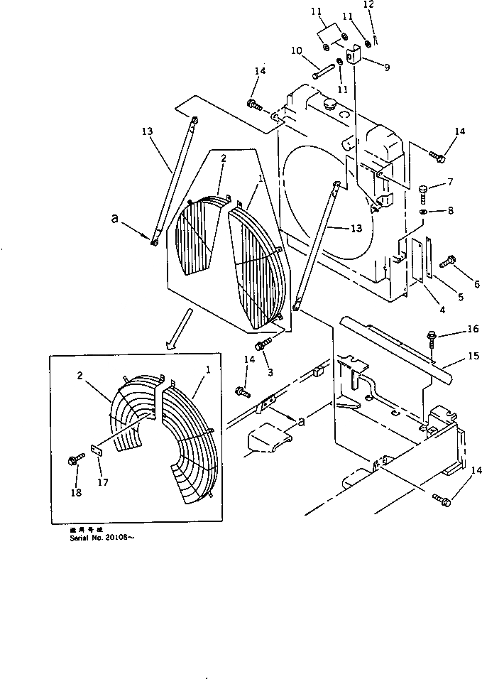
Запчасти Komatsu WA420-1 РАДИАТОР COVER(№-) КОМПОНЕНТЫ ДВИГАТЕЛЯ И ЭЛЕКТРИКА

Схема запчастей Komatsu WA420-1 - РАДИАТОР COVER(№-) КОМПОНЕНТЫ ДВИГАТЕЛЯ И ЭЛЕКТРИКА
FIT
1:1
100%

Артикул

Название

Примечание

Количество

1

423-03-11120

GUARD,L.H.

SN: 20108-UP

1шт.

1

0

GUARD,L.H.

SN: 20001-20107

1шт.

|$$3

(423-03-11120,423-03-11130,

-1шт.

|$$4

416-03-11420,01435-00814(2))

-1шт.

2

423-03-11130

GUARD,R.H.

SN: 20108-UP

1шт.

2

0

GUARD,R.H.

SN: 20001-20107

1шт.

|$$7

(423-03-11130,423-03-11120,

-1шт.

|$$8

416-03-11420,01435-00814(2))

-1шт.

3

01435-01020

BOLT

SN: 20001-UP

7шт.

4

424-03-11781

RUBBER

SN: 20001-UP

2шт.

5

424-03-11821

PLATE

SN: 20001-UP

2шт.

6

01435-01016

BOLT

SN: 20035-UP

4шт.

6

01435-01020

BOLT

SN: 20001-20034

4шт.

7

01010-51430

BOLT

SN: 20037-UP

2шт.

7

01010-31430

BOLT

SN: 20001-20036

2шт.

8

01643-31445

WASHER

SN: 20001-UP

2шт.

9

424-54-14340

STOPPER

SN: 10001-UP

1шт.

10

424-54-14330

PIN

SN: 10001-UP

1шт.

11

01641-01223

WASHER

SN: 10001-UP

4шт.

12

04050-03022

PIN,COTTER

SN: 10001-UP

1шт.

13

424-03-11810

STAY

SN: 10001-UP

2шт.

14

01435-01225

BOLT

SN: 20001-UP

4шт.

15

424-03-11763

PLATE

SN: 20001-UP

1шт.

16

01435-01020

BOLT

SN: 20001-UP

3шт.

17

416-03-11420

PLATE

SN: 20108-UP

1шт.

18

01435-00814

BOLT

SN: 20108-UP

2шт.

Выбрано товаров: 26