Запчасти Komatsu WA420-1LC FIG NO. УПРАВЛ-Е ТРАНСМИССИЕЙ ПЕРЕКЛЮЧАТЕЛЬ РУЛЕВ. УПРАВЛЕНИЕ СИСТЕМА УПРАВЛЕНИЯ

Схема запчастей Komatsu WA420-1LC - FIG NO. УПРАВЛ-Е ТРАНСМИССИЕЙ ПЕРЕКЛЮЧАТЕЛЬ РУЛЕВ. УПРАВЛЕНИЕ СИСТЕМА УПРАВЛЕНИЯ
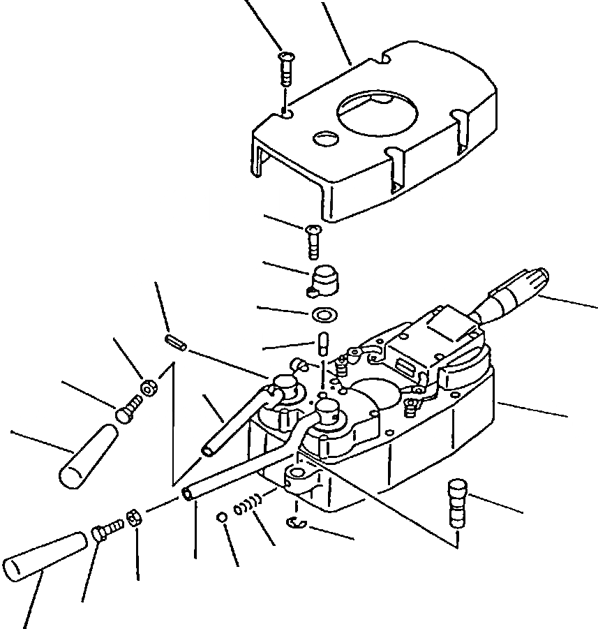
21
20
19
17
11
18
2
6
16
5
3
1
4
14
15
12
7
13
10
9
8
FIT
1:1
100%

Артикул

Название

Примечание

Количество

|$0

421-06-11605

SWITCH ASSEMBLY, TRANSMISSION

1шт.

1

NSS

SWITCH ASSEMBLY

1шт.

2

421-06-18220

KNOB ASSEMBLY, LAMP AND TURN SIGNAL WITH LIGHT

-1шт.

|$3

SWITCH

1шт.

3

421-06-18191

LEVER ASSEMBLY, TRANSMISSION (F-R)

1шт.

4

421-06-18160

KNOB

1шт.

N/I

01190-00604

HELISERT

1шт.

5

421-06-18230

BOLT

1шт.

6

421-06-18240

NUT

1шт.

7

421-06-18211

LEVER ASSEMBLY, TRANSMISSION SPEED

1шт.

8

421-60-18160

KNOB

1шт.

N/I

01190-00604

HELISERT

1шт.

9

421-06-18230

BOLT

1шт.

10

421-06-18240

NUT

1шт.

11

04025-00520

PIN, SPRING

2шт.

12

421-06-18120

SPRING

1шт.

13

04260-00317

BALL

1шт.

14

421-06-18110

PIN, LOCK

1шт.

15

421-06-18130

RING, SNAP

1шт.

16

7815-11-1010

BULB, 3 W

1шт.

17

421-06-18170

LENS, HAZARD PILOT

1шт.

18

421-06-18180

PACKING

1шт.

19

01220-40310

SCREW

2шт.

20

421-06-18140

COVER

1шт.

21

421-06-18150

SCREW

4шт.

N/I

08050-12810

CONNECTOR, ELECTRICAL - FEMALE

1шт.

N/I

08050-12010

CONNECTOR, ELECTRICAL - MALE

1шт.

N/I

08050-12200

O-RING

1шт.

N/I

08050-12300

GROMMET

1шт.

N/I

08050-00600

PLUG

3шт.

N/I

08050-00400

TERMINAL, ELECTRICAL

9шт.

Выбрано товаров: 31