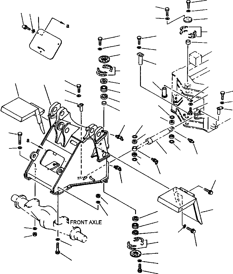
Запчасти Komatsu WA420-1LC FIG NO. ПЕРЕДН. РАМА И ЦЕНТР. HINGE ПАЛЕЦS РАМА, ЧАСТИ КОРПУСА & SUPERSTRUCTURE

Схема запчастей Komatsu WA420-1LC - FIG NO. ПЕРЕДН. РАМА И ЦЕНТР. HINGE ПАЛЕЦS РАМА, ЧАСТИ КОРПУСА & SUPERSTRUCTURE
17
19
18
39
40
38
20
15
16
7
29
10
8
30
5
28
6
36
45
11
1
4
12
37
36
3
14
35
37
13
4
34
35
9
33
2
34
33
41
33
42
34
49
31
33
34
48
32
21
43
44
23
42
22
42
23
47
43
25
42
46
24
41
27
26
FIT
1:1
100%

Артикул

Название

Примечание

Количество

1

424-16-11781

FRAME, FRONT

a

1шт.

1

424-877-1341

FRAME, FRONT

b

1шт.

2

07020-00675

FITTING, GREASE

1шт.

3

421-46-11361

BEARING

1шт.

4

421-46-11750

SEAL, DUST

2шт.

5

421-46-11710

RETAINER

1шт.

6

421-46-11371

SHIM - 0.004 IN. (0.1 MM)

20шт.

|$7

421-46-11381

SHIM - 0.020 IN. (0.5 MM)

20шт.

7

01010-31240

BOLT

10шт.

8

01643-31232

WASHER

1шт.

9

424-46-11171

SPACER

1шт.

10

424-46-11160

SPACER

1шт.

11

424-46-11182

SHAFT

1шт.

12

419-70-11340

PLATE

1шт.

13

01010-31630

BOLT

1шт.

14

01643-31645

WASHER

1шт.

15

421-46-11421

COVER

1шт.

16

421-46-11430

SHIM - 0.008 IN. (0.2 MM)

10шт.

|$18

421-46-11440

SHIM - 0.020 IN. (0.5 MM)

8шт.

|$19

421-46-11450

SHIM - 0.039 IN. (1.0 MM)

4шт.

17

01010-31695

BOLT

4шт.

18

01643-31645

WASHER

4шт.

19

01010-31250

BOLT

6шт.

20

01643-31232

WASHER

6шт.

21

07020-00675

FITTING, GREASE

1шт.

22

421-46-11361

BEARING

1шт.

23

07011-00080

SEAL, DUST

2шт.

24

421-46-11470

RETAINER

1шт.

25

421-46-11371

SHIM - 0.008 IN. (0.1 MM)

20шт.

|$29

421-46-11381

SHIM - 0.020 IN. (0.5 MM)

20шт.

26

01010-31235

BOLT

10шт.

27

01643-31232

WASHER

10шт.

28

421-46-11461

SHAFT

1шт.

29

01010-31625

BOLT

1шт.

30

421-70-11280

WASHER

1шт.

31

07020-00000

FITTING, GREASE

2шт.

32

07020-00675

FITTING, GREASE

2шт.

33

424-09-12310

SEAL, DUST

8шт.

34

424-46-12540

SHIM - 0.020 IN. (0.5 MM)

4шт.

|$39

416-70-11350

SHIM - 0.039 IN. (1.0 MM)

16шт.

35

424-46-12120

PIN

4шт.

36

01010-81220

BOLT

4шт.

37

175-54-34170

WASHER

4шт.

38

423-46-11121

COVER, ACCESS

a

1шт.

38

423-46-11161

COVER, ACCESS

b

1шт.

39

01010-81230

BOLT

3шт.

40

124-54-26540

WASHER

3шт.

41

01011-62770

BOLT

8шт.

42

01643-32780

WASHER

16шт.

43

01580-2722

NUT

8шт.

44

424-54-11813

FENDER, FRONT - L.H

1шт.

45

424-54-11823

FENDER, FRONT - R.H

1шт.

46

01435-01230

BOLT

2шт.

47

01643-31232

WASHER

4шт.

48

01435-01230

BOLT

2шт.

49

CYLINDER, STEERING (SEE PG 04-014)

-29шт.

|$61

-1шт.

|$57

F1 - FOR MACHINES WITH TWO-SPOOL EQUIPMENT CONTROL VALVE.

-1шт.

|$62

-1шт.

|$63

-1шт.

|$60

F2 - FOR MACHINES WITH THREE-SPOOL EQUIPMENT CONTROL VALVE.

-1шт.

|$64

-1шт.

Выбрано товаров: 62