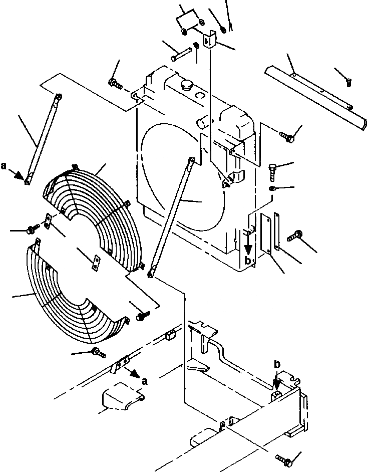
Запчасти Komatsu WA420-1LC FIG NO. КРЕПЛЕНИЕ РАДИАТОРА КОМПОНЕНТЫ ДВИГАТЕЛЯ & ЭЛЕКТРИКА

Схема запчастей Komatsu WA420-1LC - FIG NO. КРЕПЛЕНИЕ РАДИАТОРА КОМПОНЕНТЫ ДВИГАТЕЛЯ & ЭЛЕКТРИКА
18
19
19
16
6
17
15
7
19
14
15
1
11
12
13
5
4
10
9
8
3
2
15
15
FIT
1:1
100%

Артикул

Название

Примечание

Количество

1

423-03-11610

GUARD, ENGINE FAN - TOP

a

1шт.

1

423-03-A1110

GUARD, ENGINE FAN - TOP

b

1шт.

1

423-963-1530

GUARD, ENGINE FAN - TOP

c

1шт.

1

423-963-A310

GUARD, ENGINE FAN - TOP

d

1шт.

2

423-03-11610

GUARD, ENGINE FAN - BOTTOM

a

1шт.

2

423-03-A1110

GUARD, ENGINE FAN - BOTTOM

b

1шт.

2

423-963-1530

GUARD, ENGINE FAN - BOTTOM

c

1шт.

2

423-963-A310

GUARD, ENGINE FAN - BOTTOM

d

1шт.

3

01435-01016

BOLT

8шт.

4

416-03-11420

PLATE

2шт.

5

01435-00812

BOLT

4шт.

6

424-03-11764

PLATE

1шт.

7

01435-01020

BOLT

3шт.

8

424-03-11781

RUBBER

2шт.

9

424-03-11821

PLATE

2шт.

10

01435-01016

BOLT

4шт.

11

01010-31430

BOLT

2шт.

12

01643-31445

WASHER

2шт.

13

424-03-11810

STAY - L.H

a

1шт.

13

423-963-1540

STAY - L.H

b

1шт.

14

424-03-11810

STAY - R.H

1шт.

15

01435-01225

BOLT

4шт.

16

424-54-14330

PIN

1шт.

17

424-54-14340

STOPPER

1шт.

18

04050-13022

PIN, COTTER

1шт.

19

01641-01223

WASHER

4шт.

|$30

-1шт.

|$27

F1 - FOR MACHINES WITHOUT AIR CONDITIONING.

-1шт.

|$31

-1шт.

|$29

F2 - FOR MACHINES WITH AIR CONDITIONING.

-1шт.

|$32

-1шт.

Выбрано товаров: 31