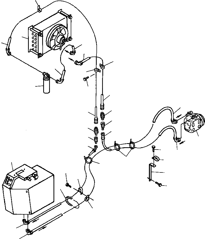
Запчасти Komatsu WA420-1LC FIG NO. КАБИНА ТРУБКИ КОНДИЦИОНЕРА заводской номер A THRU A И A THRU A РАМА, ЧАСТИ КОРПУСА & SUPERSTRUCTURE

Схема запчастей Komatsu WA420-1LC - FIG NO. КАБИНА ТРУБКИ КОНДИЦИОНЕРА заводской номер A THRU A И A THRU A РАМА, ЧАСТИ КОРПУСА & SUPERSTRUCTURE
20
6
9
7
5
20
7
20
8
22
5
14
4
9
3
10
2
11
1
12
16
2
13
15
19
19
21
17
20
19
18
20
12
14
FIT
1:1
100%

Артикул

Название

Примечание

Количество

|$0

LINE - COMPRESSOR TO CONDENSER

-1шт.

1

COMPRESSOR ASSEMBLY (SEE PG 05-168)

-29шт.

2

09488-70616

HOSE, AT COMPRESSOR

1шт.

3

423-T46-1280

CONNECTOR

1шт.

4

423-T46-1260

CONNECTOR

1шт.

5

09488-70607

HOSE, AT CONDENSER

1шт.

|$$7

-1шт.

|$7

LINE - CONDENSER TO AIR CONDITIONER

-1шт.

6

CONDENSER ASSEMBLY (SEE PG 05-164)

-29шт.

7

423-963-1370

HOSE, CONDENSER TO RECEIVER TANK

1шт.

8

TANK, RECEIVER (SEE PG 05-164)

-29шт.

9

423-963-1380

HOSE, RECEIVER TANK TO AIR CONDITIONER

1шт.

10

423-T46-1270

CONNECTOR

1шт.

11

423-T46-1290

CONNECTOR

1шт.

12

423-963-1390

HOSE, RECEIVER TANK TO AIR CONDITIONER

1шт.

|$$16

-1шт.

|$16

LINE - AIR CONDITIONER TO COMPRESSOR

-1шт.

13

UNIT ASSEMBLY, AIR CONDITIONER (SEE PG 05-152)

-29шт.

14

423-963-1520

HOSE, AIR CONDITIONER TO COMPRESSOR

1шт.

|$$20

-1шт.

|$20

CLAMPS AND TIE STRAPS

-1шт.

15

175-804-3230

CLAMP, HOSE

1шт.

16

01435-01020

BOLT

1шт.

17

423-963-1510

PLATE

1шт.

18

01435-01020

BOLT

1шт.

19

08034-00536

STRAP, TIE

4шт.

20

421-09-12170

CLAMP, HOSE

5шт.

21

01435-01220

BOLT

1шт.

22

01435-01016

BOLT

1шт.

|$29

423-963-1700

KIT, CONDENSER TO COMPRESSOR LINE HOSE

1шт.

Выбрано товаров: 30