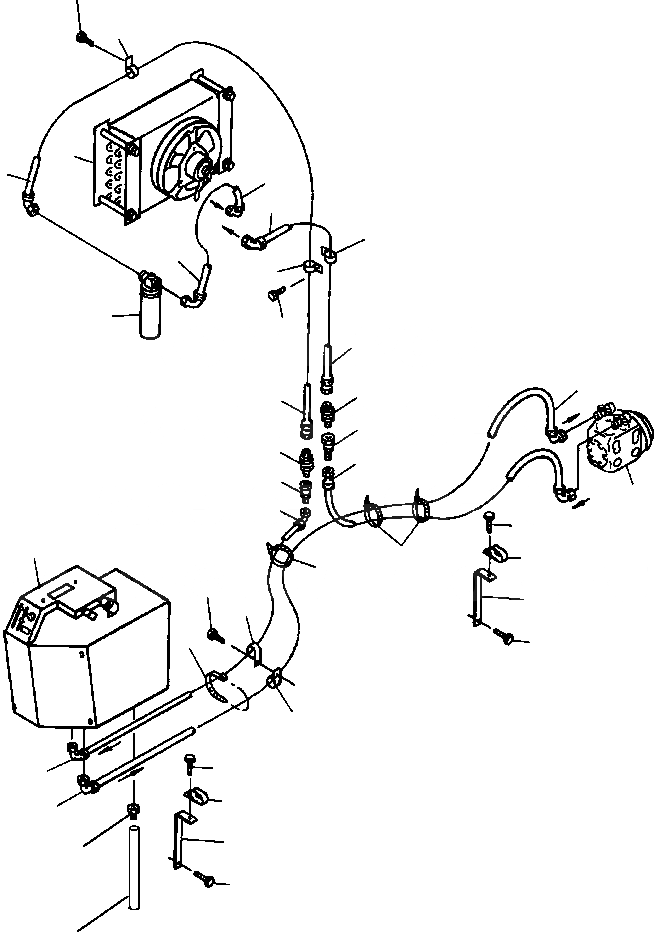
Запчасти Komatsu WA420-1LC FIG NO. A КАБИНА ТРУБКИ КОНДИЦИОНЕРА заводской номер A, A И UP РАМА, ЧАСТИ КОРПУСА & SUPERSTRUCTURE

Схема запчастей Komatsu WA420-1LC - FIG NO. A КАБИНА ТРУБКИ КОНДИЦИОНЕРА заводской номер A, A И UP РАМА, ЧАСТИ КОРПУСА & SUPERSTRUCTURE
21
15
6
9
7
5
15
7
15
8
22
5
14
4
9
3
10
2
11
1
12
16
13
19
20
19
21
17
15
19
18
15
16
12
20
14
17
23
18
24
FIT
1:1
100%

Артикул

Название

Примечание

Количество

1

COMPRESSOR, AIR CONDITIONER (SEE PG 05-134)

-29шт.

2

423-963-A210

HOSE, COMPRESSOR TO CONNECTOR

1шт.

3

423-963-A140

CONNECTOR, FEMALE - 3/4 IN

1шт.

4

423-963-A150

CONNECTOR, MALE - 3/4 IN

1шт.

5

423-963-A220

HOSE, CONNECTOR TO CONDENSER

1шт.

6

CONDENSER ASSEMBLY (SEE PG 05-166)

-29шт.

7

423-963-A230

HOSE, CONDENSER TO RECEIVER TANK

1шт.

8

RECEIVER DRYER (SEE PG 05-146)

-29шт.

9

423-963-A240

HOSE, RECEIVER TANK TO CONNECTOR

1шт.

10

423-963-A130

CONNECTOR, MALE - 5/8 IN

1шт.

11

423-963-A120

CONNECTOR, FEMALE - 5/8 IN

1шт.

12

423-963-A250

HOSE, CONNECTOR TO EVAPORATOR

1шт.

13

UNIT, AIR CONDITIONER (SEE PG 05-156)

-29шт.

14

423-963-A260

HOSE, EVAPORATOR TO COMPRESSOR

1шт.

15

421-07-11550

CLAMP, HOSE

5шт.

16

01435-01020

BOLT

2шт.

17

423-963-1510

PLATE

2шт.

18

01435-01020

BOLT

2шт.

19

08034-20536

STRAP, TIE

4шт.

20

421-09-12170

CLAMP, HOSE

1шт.

21

01435-01220

BOLT

3шт.

22

01435-01016

BOLT

1шт.

23

425-963-A360

FITTING, DRAIN HOSE

1шт.

24

425-963-A350

HOSE ASSEMBLY, DRAIN

1шт.

|$24

425-963-AF10

HOSE, DRAIN

1шт.

|$25

425-963-AA10

VALVE, DRAIN CHECK

1шт.

|$26

425-963-AA70

UNION, HOSE BARB

1шт.

N/I

04434-51812

CLIP

1шт.

N/I

04434-51810

CLIP

1шт.

N/I

21T-68-11320

CLIP

1шт.

N/I

08019-01014

CLAMP, HOSE

1шт.

Выбрано товаров: 0