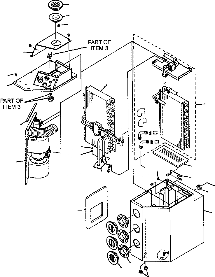
Запчасти Komatsu WA420-1LC FIG NO. A ОБОГРЕВАТЕЛЬ. И КОНДИЦ. БЛОК РАМА, ЧАСТИ КОРПУСА & SUPERSTRUCTURE

Схема запчастей Komatsu WA420-1LC - FIG NO. A ОБОГРЕВАТЕЛЬ. И КОНДИЦ. БЛОК РАМА, ЧАСТИ КОРПУСА & SUPERSTRUCTURE
9
20
21
8
16
2
5
3
19
18
17
4
14
15
11
10
6
13
1
7
9
12
FIT
1:1
100%

Артикул

Название

Примечание

Количество

|$0

425-963-A010

UNIT ASSEMBLY, HEATER AND AIR CONDITIONER

1шт.

1

425-963-A620

HOUSING, WELDMENT

1шт.

2

COIL ASSEMBLY, EVAPORATOR (SEE PG 05-162)

-29шт.

3

COIL ASSEMBLY, HEATER (SEE PG 05-160)

-29шт.

4

FAN ASSEMBLY (SEE PG 05-182)

-29шт.

5

COVER ASSEMBLY (SEE PG 05-158)

-29шт.

6

425-963-A980

GROMMET - 1 IN

1шт.

7

425-963-AB30

MOUNT, VENT

3шт.

8

425-963-A540

PLATE, TOP, SWITCH BOX

1шт.

9

425-963-AB20

VENT ASSEMBLY

4шт.

10

HARNESS, WIRING (SEE PG 05-162)

-29шт.

11

425-963-A560

PLATE, COVER

1шт.

12

425-963-A990

GROMMET - 7/8 IN

2шт.

13

425-963-A590

GASKET, FOAM

1шт.

14

425-963-A550

SUPPORT, COIL

1шт.

15

425-963-A860

BOLT, TORX TRUSS - 1/4-20 X 1/2 IN

3шт.

16

425-963-A850

BOLT, TORX TRUSS - #10-32 X 1/2 IN

13шт.

17

120 380

WASHER - 1/4 IN. LOCKING

1шт.

18

01580-10605

NUT - M6 X 1.0

1шт.

19

425-963-AE90

FOAM, FAN ASSEMBLY - 9 1/4 IN. LONG

1шт.

20

425-963-AB10

ADAPTER, HOSE - 2 1/2 IN. LONG

1шт.

21

425-963-A750

CLIP, HOSE

3шт.

|$24

-1шт.

|$23

F1 - USED ON MACHINES S/N A25124 AND A25136 AND UP.

-1шт.

|$25

-1шт.

Выбрано товаров: 25