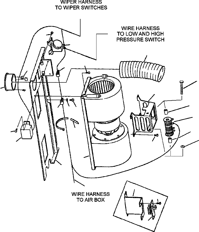
Запчасти Komatsu WA420-1LC FIG NO. 87A ОБОГРЕВАТЕЛЬ. И КОНДИЦ. БЛОК ВЕНТИЛЯТОР ASSEMBLY - MACHINES заводской номер A И A И UP РАМА, ЧАСТИ КОРПУСА & SUPERSTRUCTURE

Схема запчастей Komatsu WA420-1LC - FIG NO. 87A ОБОГРЕВАТЕЛЬ. И КОНДИЦ. БЛОК ВЕНТИЛЯТОР ASSEMBLY - MACHINES заводской номер A И A И UP РАМА, ЧАСТИ КОРПУСА & SUPERSTRUCTURE
21
11
17
18
22
13
19
8
5
4
9
15
14
13
7
20
9
11
10
16
12
2
1
3
21
11
6
21
FIT
1:1
100%

Артикул

Название

Примечание

Количество

1

425-963-A630

PLATE, FAN ASSEMBLY

1шт.

2

425-963-AE30

BLOWER ASSEMBLY - EARLIER VERSION

a

1шт.

2

425-963-AE31

BLOWER ASSEMBLY - CURRENT VERSION

b

1шт.

3

425-963-A690

BRACKET, RESISTOR MOUNTING - Z TYPE

1шт.

4

425-963-A691

BRACKET, RESISTOR MOUNTING - U TYPE

1шт.

5

425-963-A970

ADAPTER, FLEX HOSE

1шт.

6

425-963-AA30

PAD, RESISTOR - EARLIER VERSION

1шт.

7

425-963-AA31

RESISTOR - CURRENT VERSION

1шт.

8

26 288 R1

BOLT, RESISTOR

1шт.

9

425-963-AF30

BUSHING, RESISTOR

2шт.

10

9413 992

NUT, RESISTOR

1шт.

11

425-963-A850

BOLT, TORX TRUSS - #10-32 X 1/2 IN

2шт.

12

425-963-AF40

SCREW, MOUNTING

4шт.

13

425-963-AA60

CLAMP, WIRING

2шт.

14

425-963-A790

BOLT, FLANGED HEX - #10-32 X 1/2 IN

2шт.

15

147 579

WASHER, FLAT - 3/16 IN

2шт.

16

425-963-AA90

RELAY

1шт.

17

425-963-AB50

THERMOSTAT

1шт.

18

425-963-AE70

HOSE, DUCT

1шт.

19

425-963-A750

CLIP, HOSE

3шт.

20

08034-20519

STRAP, NYLON TIE

1шт.

21

425-963-AD30

HARNESS, WIRING

a

1шт.

21

425-963-AD31

HARNESS, WIRING

b

1шт.

22

187 828

BOLT, CAP SOCKET - #10-32 X 1/2 IN

5шт.

|$60

-1шт.

|$25

F1 - USED WITH Z-TYPE RESISTOR MOUNTING BRACKET, ITEM 3. THE

-1шт.

|$26

RESISTOR AND ALL PARTS ARE REPLACED. ORDER ALL OF THE

-1шт.

|$27

FOLLOWING PARTS:

-1шт.

4

425-963-A691

BRACKET, RESISTOR MOUNTING - U TYPE

1шт.

7

425-963-AA31

RESISTOR

1шт.

8

26 288 R1

BOLT, RESISTOR

1шт.

9

425-963-AF30

BUSHING, RESISTOR

2шт.

10

9413 992

NUT, RESISTOR

1шт.

12

425-963-AF40

SCREW, MOUNTING

4шт.

21

425-963-AD31

HARNESS, WIRING

1шт.

|$61

-1шт.

|$36

F2 - USED WITH U-TYPE RESISTOR MOUNTING BRACKET ITEM 4.

-1шт.

|$62

-1шт.

|$63

-1шт.

|$39

F3 - ORDER BLOWER ASSEMBLY 425-963-AE31 WHEN REPLACING AN

-1шт.

|$40

EARLIER VERSION BLOWER ASSEMBLY. HAVING Z-TYPE RESISTOR

-1шт.

|$41

MOUNTING BRACKET, ITEM 3 AND RESISTOR, ITEM 6 WITH CURRENT

-1шт.

|$42

VERSION BLOWER, ALSO ORDER ALL OF THE FOLLOWING PARTS:

-1шт.

4

425-963-A691

BRACKET, RESISTOR MOUNTING U-TYPE

1шт.

7

425-963-AA31

RESISTOR

1шт.

8

26 288 R1

BOLT, RESISTOR

1шт.

9

425-963-AF30

BUSHING, RESISTOR

2шт.

10

9413 992

NUT, RESISTOR

1шт.

12

425-963-AF40

SCREW, MOUNTING

4шт.

21

425-963-AD31

HARNESS, WIRING

1шт.

|$64

-1шт.

|$51

F4 - USED WITH EARLIER VERSION RESISTOR, ITEM 6 AND Z-TYPE RESISTOR

-1шт.

|$52

MOUNTING BRACKET, ITEM 3. THE RESISTOR AND ALL PARTS ARE

-1шт.

|$53

REPLACED ORDER ALL OF THE ABOVE PARTS.

-1шт.

|$65

-1шт.

|$55

F5 - USED WITH CURRENT VERSION RESISTOR, ITEM 7 AND U-TYPE RESISTOR

-1шт.

|$56

MOUNTING BRACKET, ITEM 4.

-1шт.

|$66

-1шт.

|$58

F6 - USED ON MACHINES WITH HEATER/DEFROST AND A/C ONLY. NOT USED ON

-1шт.

|$59

MACHINES WITH HEATER/DEFROST ONLY.

-1шт.

Выбрано товаров: 60