Запчасти Komatsu WA420-1LC FIG NO. ДВИГАТЕЛЬ И КРЕПЛЕНИЕ ТРАНСМИССИИ КОМПОНЕНТЫ ДВИГАТЕЛЯ & ЭЛЕКТРИКА

Схема запчастей Komatsu WA420-1LC - FIG NO. ДВИГАТЕЛЬ И КРЕПЛЕНИЕ ТРАНСМИССИИ КОМПОНЕНТЫ ДВИГАТЕЛЯ & ЭЛЕКТРИКА
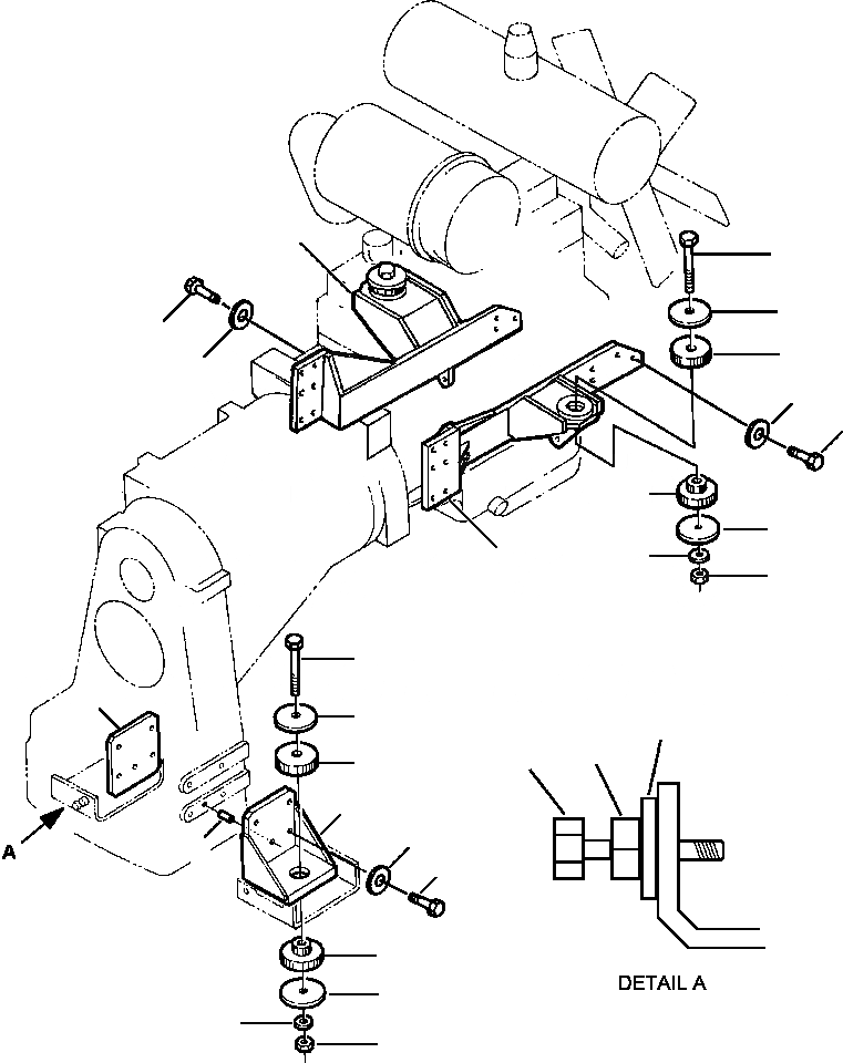
14
8
9
16
10
18
18
17
11
9
12
15
13
8
1
9
5
6
4
10
1
3
7
2
11
9
12
13
FIT
1:1
100%

Артикул

Название

Примечание

Количество

1

424-01-11173

BRACKET, TRANSMISSION MOUNTING

2шт.

2

01010-31445

BOLT, MOUNTING

8шт.

3

01643-31445

WASHER

8шт.

4

01016-52070

BOLT, ADJUSTING

4шт.

5

01643-32060

WASHER

4шт.

6

01580-12016

NUT

4шт.

7

04020-01228

PIN, DOWEL

2шт.

8

01011-32445

BOLT

4шт.

9

424-01-11220

WASHER

8шт.

|$9

424-01-11310

CUSHION ASSEMBLY

4шт.

10

424-01-11330

CUSHION - TOP

1шт.

11

424-01-11320

CUSHION - BOTTOM

1шт.

12

01643-32460

WASHER

4шт.

13

01580-02419

NUT

4шт.

14

423-01-A1340

SUPPORT, ENGINE MOUNTING - R.H

1шт.

15

423-01-A1320

SUPPORT, ENGINE MOUNTING - L.H

1шт.

16

01010-81240

BOLT, MOUNTING

12шт.

17

01010-81250

BOLT, MOUNTING

7шт.

18

01643-31232

WASHER

19шт.

Выбрано товаров: 19