Запчасти Komatsu WA420-1LC СИСТЕМА СМАЗКИ МАСЛООХЛАДИТЕЛЬ БЕЗ ТЕРМОСТАТ СИСТЕМА СМАЗКИ МАСЛ. СИСТЕМА

Схема запчастей Komatsu WA420-1LC - СИСТЕМА СМАЗКИ МАСЛООХЛАДИТЕЛЬ БЕЗ ТЕРМОСТАТ СИСТЕМА СМАЗКИ МАСЛ. СИСТЕМА
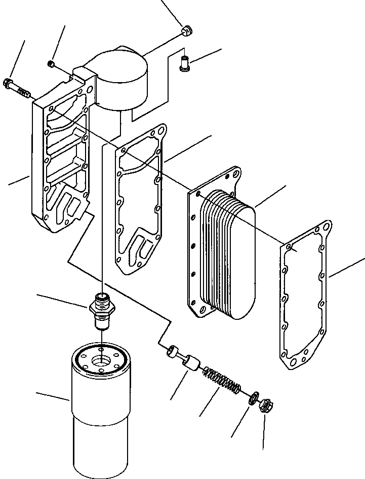
7
14
8
5
3
2
4
1
6
9
10
11
12
13
FIT
1:1
100%

Артикул

Название

Примечание

Количество

1

6742-01-1080

GASKET, LUBRICATING OIL COOLER

1шт.

2

6742-01-2450

CORE, COOLER

1шт.

3

1241 217 H2

GASKET, FILTER HEAD

1шт.

4

1242 021 H1

HEAD, LUBRICATING OIL FILTER

1шт.

5

6736-61-2510

VALVE, BYPASS

1шт.

6

1239 676 H1

ADAPTER

1шт.

7

6732-11-1920

PLUG, PIPE

1шт.

8

6735-61-2120

BOLT - M8 X 1.25 X 45

11шт.

9

1241 160 H1

ELEMENT, LUBRICATING OIL FILTER

1шт.

10

6742-01-2470

PLUNGER, PRESSURE REGULATOR

1шт.

11

1241 100 H1

SPRING, PRESSURE REGULATOR

1шт.

12

1240 942 H1

WASHER, SEALING

1шт.

13

1241 007 H1

PLUG, RETAINER

1шт.

14

6732-11-1930

PLUG, PIPE

1шт.

Выбрано товаров: 14