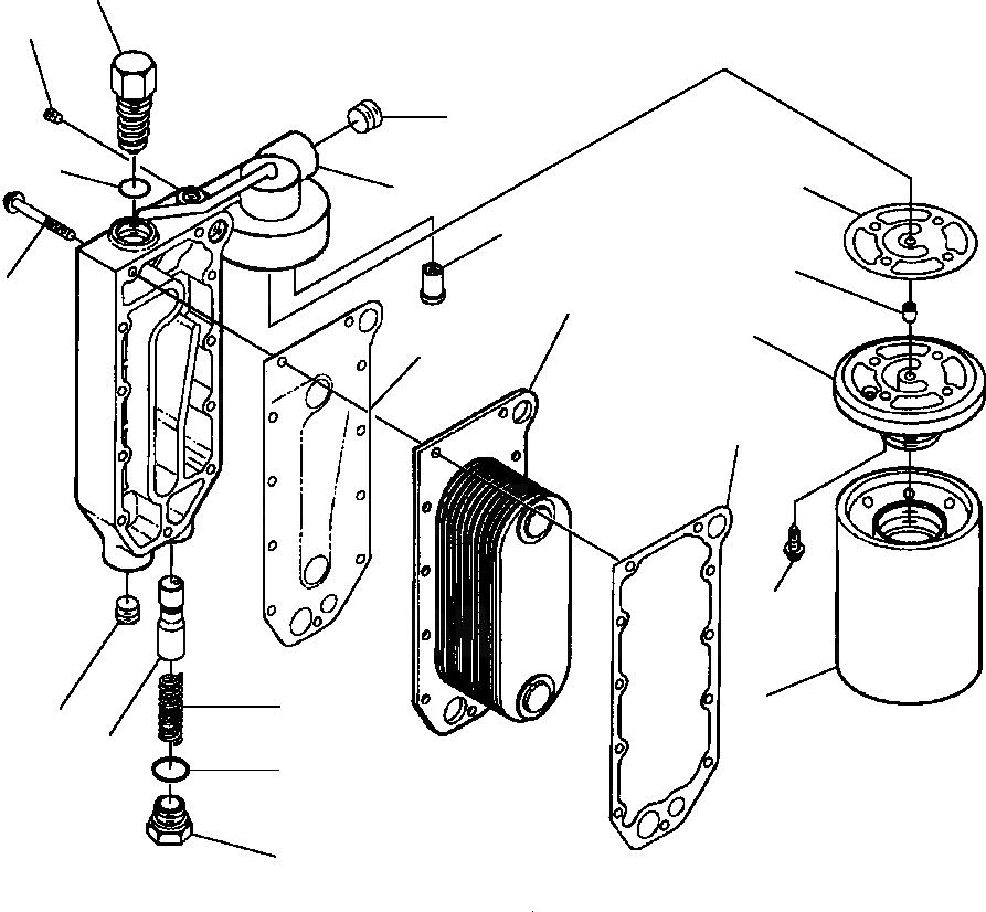
Запчасти Komatsu WA420-1LC СИСТЕМА СМАЗКИ МАСЛООХЛАДИТЕЛЬ С ТЕРМОСТАТ СИСТЕМА СМАЗКИ МАСЛ. СИСТЕМА

Схема запчастей Komatsu WA420-1LC - СИСТЕМА СМАЗКИ МАСЛООХЛАДИТЕЛЬ С ТЕРМОСТАТ СИСТЕМА СМАЗКИ МАСЛ. СИСТЕМА
5
3
4
6
14
18
15
13
8
10
17
11
9
16
7
20
19
12
2
1
FIT
1:1
100%

Артикул

Название

Примечание

Количество

1

6742-01-2530

PLUG, THREADED

1шт.

2

1295 154 H1

O-RING

1шт.

3

6732-11-1930

PLUG, PIPE

2шт.

4

6732-11-1920

PLUG, PIPE

1шт.

5

6742-01-2520

THERMOSTAT

1шт.

6

6742-01-2420

O-RING

1шт.

7

1295 155 H1

ELEMENT, LUBRICATING OIL FILTER

1шт.

8

6742-01-2440

BOLT

11шт.

9

6742-01-1080

GASKET, OIL COOLER CORE

1шт.

10

6742-01-2450

CORE, COOLER

1шт.

11

6742-01-2460

GASKET, COOLER COVER

1шт.

12

6742-01-2470

PLUNGER, PRESSURE REGULATOR

1шт.

|$12

6742-01-5041

FILTER HEAD ASSEMBLY

1шт.

13

1238 209 H1

DOWEL, PIN

1шт.

14

6742-01-2490

GASKET, FILTER HEAD

1шт.

15

6736-61-2510

VALVE, BYPASS

1шт.

16

6732-21-6610

BOLT - M8 X 1.25 X 25

4шт.

17

6742-01-2500

HEAD, LUBRICATING OIL FILTER

1шт.

18

NSS

COVER, LUBRICATING OIL COOLER

1шт.

19

6742-01-2410

PLUG, PIPE

1шт.

20

1241 100 H1

SPRING, COMPRESSION

1шт.

Выбрано товаров: 0