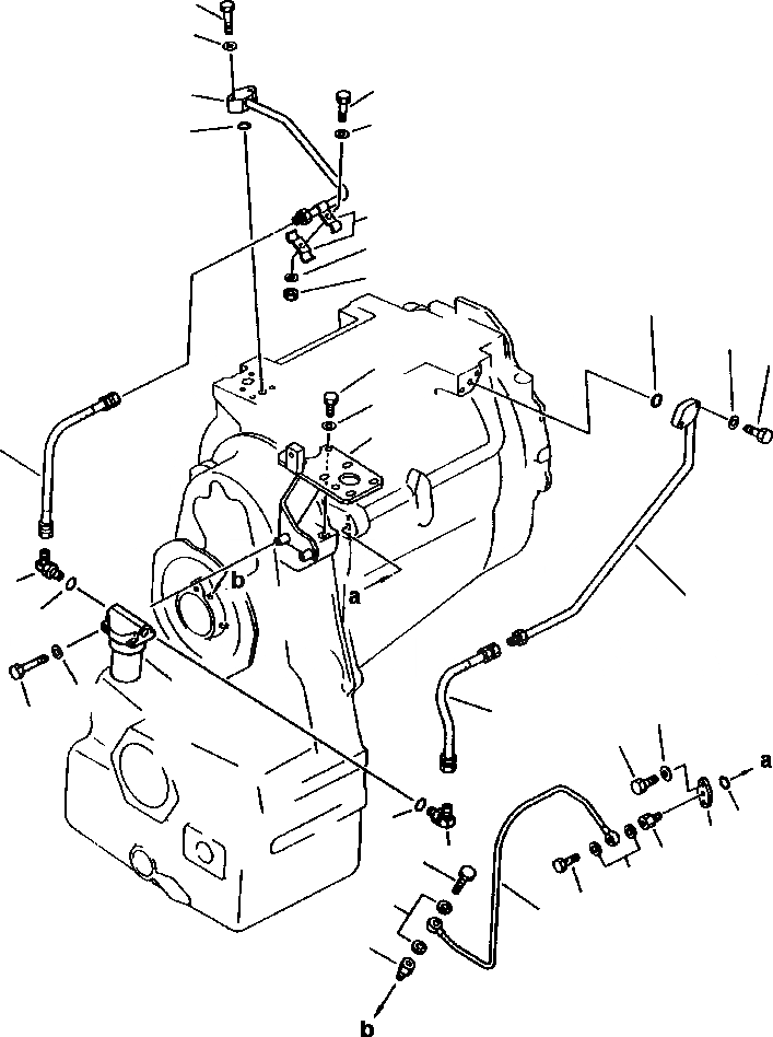
Запчасти Komatsu WA420-1LC FIG NO. ТРАНСМИССИЯ МАСЛОПРОВОДЯЩАЯ ЛИНИЯ ГИДРОТРАНСФОРМАТОР И ТРАНСМИССИЯ

Схема запчастей Komatsu WA420-1LC - FIG NO. ТРАНСМИССИЯ МАСЛОПРОВОДЯЩАЯ ЛИНИЯ ГИДРОТРАНСФОРМАТОР И ТРАНСМИССИЯ
4
6
17
1
19
3
16
19
18
3
6
5
9
10
8
7
14
2
15
11
13
23
7
12
22
15
21
20
26
14
24
27
27
26
25
24
FIT
1:1
100%

Артикул

Название

Примечание

Количество

|$0

TRANSMISSION ASSEMBLY (SEE PG 02-008)

-29шт.

1

424-15-11712

TUBE

1шт.

2

424-15-11723

TUBE

1шт.

3

07000-73022

O-RING

2шт.

4

01010-81045

BOLT

2шт.

5

01010-81030

BOLT

2шт.

6

01643-31032

WASHER

4шт.

7

07102-20303

HOSE

2шт.

8

423-15-11740

BRACKET

1шт.

9

01010-81235

BOLT

3шт.

10

01643-31232

WASHER

3шт.

11

425-15-11750

FILTER ASSEMBLY

1шт.

|$12

209-38-12470

ELEMENT

1шт.

|$13

209-38-12480

O-RING

1шт.

|$14

209-38-12490

RING, BACK-UP

1шт.

12

01010-80860

BOLT

2шт.

13

01643-30823

WASHER

2шт.

14

421-15-11790

ELBOW

2шт.

15

07002-02034

O-RING

2шт.

16

112-901-1250

CLAMP

2шт.

17

01010-81030

BOLT

1шт.

18

01580-11008

NUT

1шт.

19

01643-31032

WASHER

2шт.

20

424-15-11350

FLANGE

1шт.

21

07000-73022

O-RING

1шт.

22

01010-81025

BOLT

2шт.

23

01643-31032

WASHER

2шт.

24

421-15-13920

NIPPLE

2шт.

25

424-15-13910

TUBE

1шт.

26

07206-30508

BOLT, JOINT

2шт.

27

07005-00812

GASKET

4шт.

|$33

-1шт.

|$32

F1 - ALSO INCLUDED IN SERVICE KIT 424-15-05121.

-1шт.

|$34

-1шт.

Выбрано товаров: 34