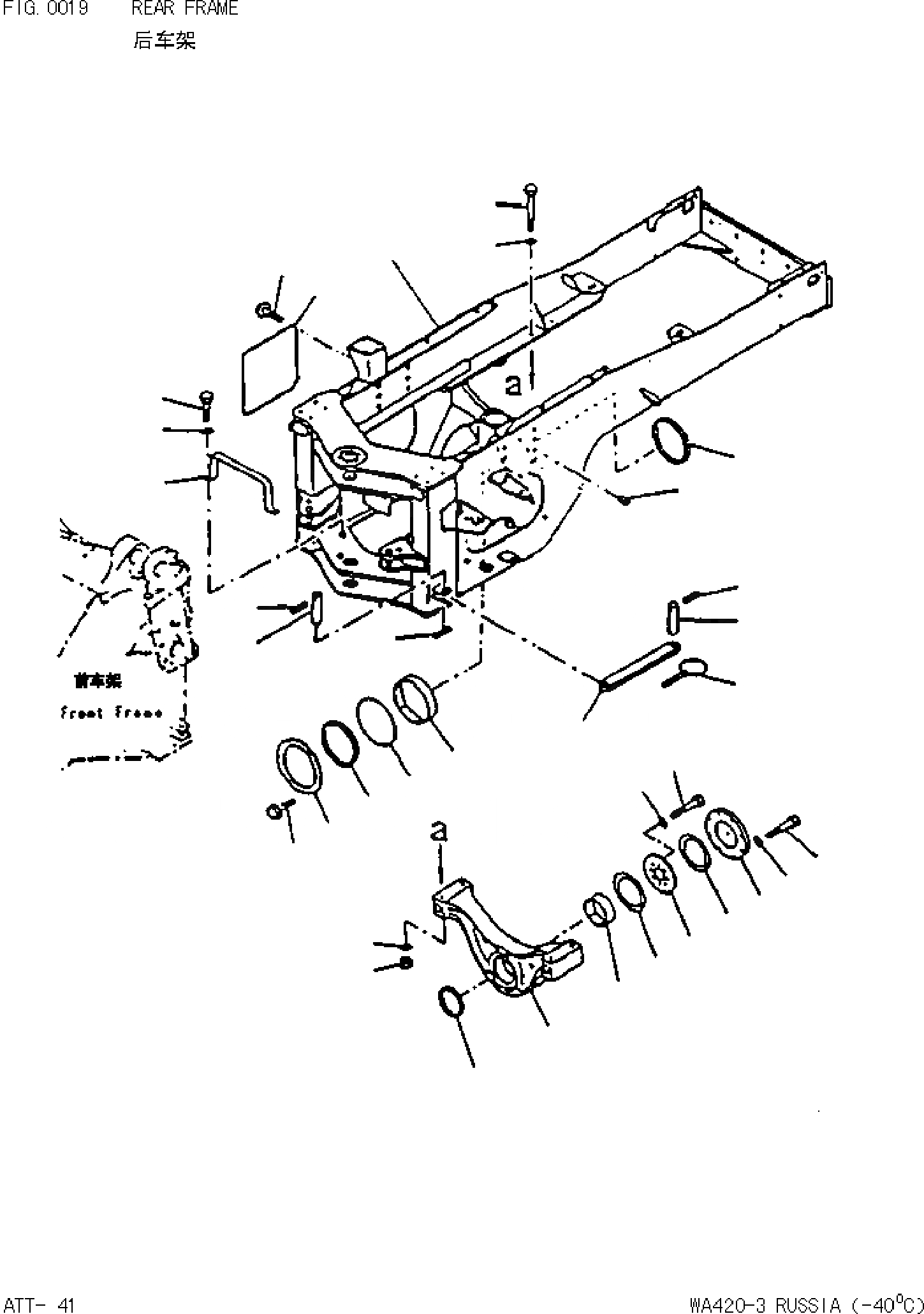
Запчасти Komatsu WA420-3 ЗАДН. РАМА

Схема запчастей Komatsu WA420-3 - ЗАДН. РАМА
18
19
1
23
24
31
32
30
27
26
7
4
5
6
2
25
14
13
33
28
19
20
10
8
9
12
11
12
15
17
16
29
26
27
3
FIT
1:1
100%

Артикул

Название

Примечание

Количество

1

424W93Z970

FRAME REAR

1шт.

2

4244612162

BUSHING FRONT

1шт.

3

4214615121

PACKING

1шт.

4

4244612310

RETAINER

1шт.

5

4214615112

PACKING

1шт.

6

0700005305

O-RING

1шт.

7

0143501235

BOLT

6шт.

8

4244612156

SUPPORT.REAR

1шт.

9

4244612172

BUSHING

1шт.

10

4214615132

PACKING

1шт.

11

4244612221

PLATE,THRUSH

1шт.

12

4244612182

WASHER.THRUSH

2шт.

13

0101031665

BOLT

8шт.

14

0164331645

WASHER

8шт.

15

4244612191

COVER

1шт.

16

0101031665

BOLT

8шт.

17

0164331645

WASHER

8шт.

18

0101162790

BOLT

4шт.

19

0164332780

WASHER

8шт.

20

0158022722

NUT

4шт.

21

4244624110

COVER.L.H

1шт.

23

4234624120

COVER.R.H

1шт.

26

4214612721

PIN

2шт.

27

0402501065

.PIN.SPRING

1шт.

28

0402501065

PIN.SPRING

1шт.

29

4214612740

PIN.LINCH

1шт.

30

4244622740

GUARD

1шт.

31

0101081635

BOLT

2шт.

32

0164331645

WASHER

2шт.

33

0704903342

PLUG

8шт.

Выбрано товаров: 30