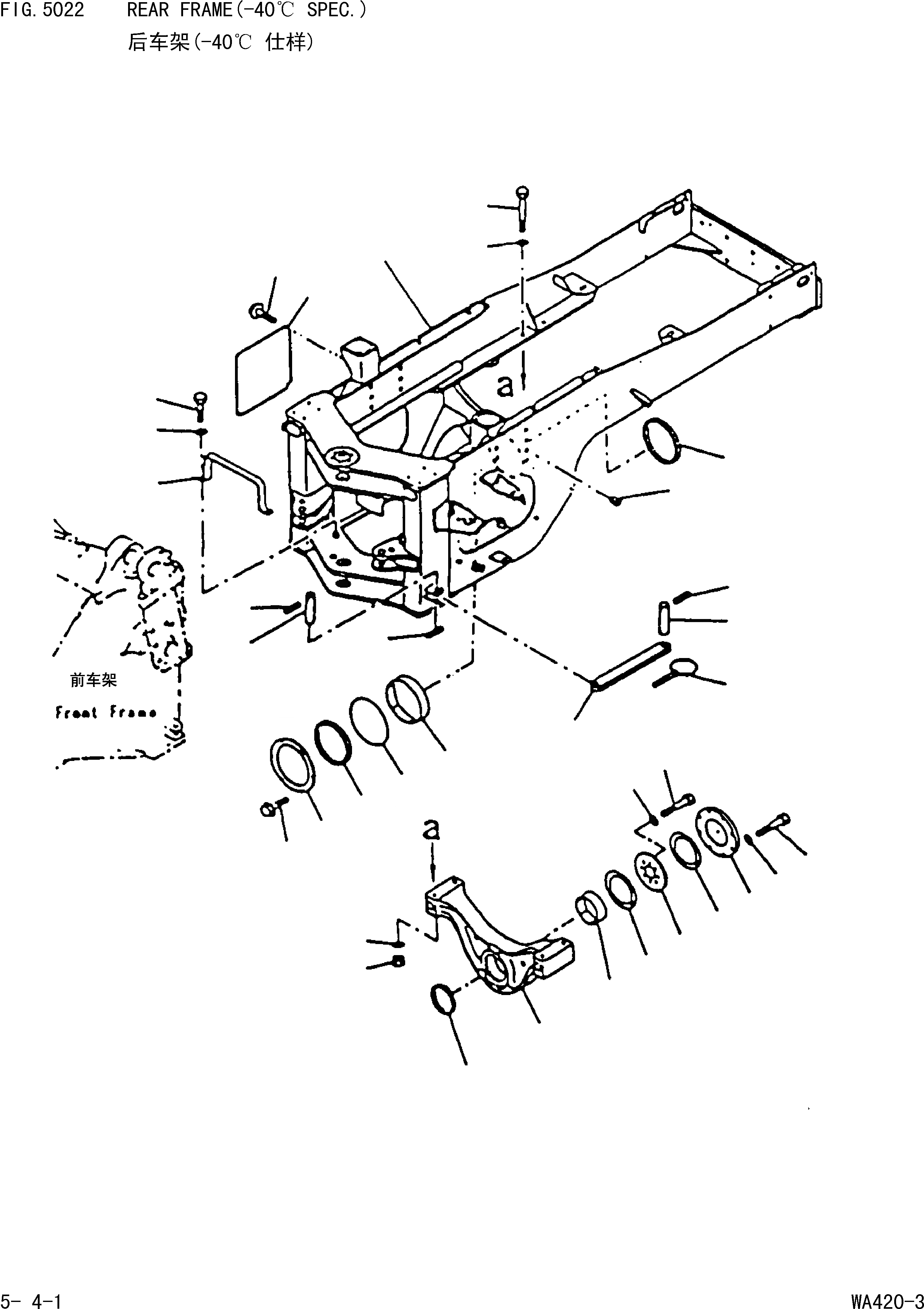
Запчасти Komatsu WA420-3 ЗАДН. РАМА(-40С СПЕЦ-Я.) [РАМА И ЧАСТИ КОРПУСА]

Схема запчастей Komatsu WA420-3 - ЗАДН. РАМА(-40С СПЕЦ-Я.) [РАМА И ЧАСТИ КОРПУСА]
19
18
1
23
24
31
32
30
27
26
28
25
14
13
29
26
27
3
33
2
6
5
16
17
15
12
11
12
9
8
10
19
20
7
4
FIT
1:1
100%

Артикул

Название

Примечание

Количество

1

424-W93-Z971

FRAME REAR

Field_1: 15001-

1шт.

2

424-46-12162

BUSHING FRONT

Field_1: 15001-

1шт.

3

421-46-15121

PACKING

Field_1: 15001-

1шт.

4

424-46-12310

RETAINER

Field_1: 15001-

1шт.

5

421-46-15112

PACKING

Field_1: 15001-

1шт.

6

07000-05305

O-RING

Field_1: 15001-

1шт.

7

01435-01235

BOLT

Field_1: 15001-

6шт.

8

424-46-12156

SUPPORT.REAR

Field_1: 15001-

1шт.

9

424-46-12172

BUSHING

Field_1: 15001-

1шт.

10

421-46-15132

PACKING

Field_1: 15001-

1шт.

11

424-46-12221

PLATE,THRUSH

Field_1: 15001-

1шт.

12

424-46-12182

WASHER.THRUSH

Field_1: 15001-

2шт.

13

01010-31665

BOLT

Field_1: 15001-

8шт.

14

01643-31645

WASHER

Field_1: 15001-

8шт.

15

424-46-12191

COVER

Field_1: 15001-

1шт.

16

01010-31665

BOLT

Field_1: 15001-

8шт.

17

01643-31645

WASHER

Field_1: 15001-

8шт.

18

01011-62790

BOLT

Field_1: 15001-

4шт.

19

01643-32780

WASHER

Field_1: 15001-

8шт.

20

01580-22722

NUT

Field_1: 15001-

4шт.

21

424-46-24110

COVER.L.H

Field_1: 15001-

1шт.

23

423-46-24120

COVER.R.H

Field_1: 15001-

1шт.

26

421-46-12721

PIN

Field_1: 15001-

2шт.

27

04025-01065

PIN.SPRING

Field_1: 15001-

1шт.

28

04025-01065

PIN.SPRING

Field_1: 15001-

1шт.

29

421-46-12740

PIN.LINCH

Field_1: 15001-

1шт.

30

424-46-22740

GUARD

Field_1: 15001-

1шт.

31

01010-81635

BOLT

Field_1: 15001-

2шт.

32

01643-31645

WASHER

Field_1: 15001-

2шт.

33

07049-03342

PLUG

Field_1: 15001-

8шт.

Выбрано товаров: 30