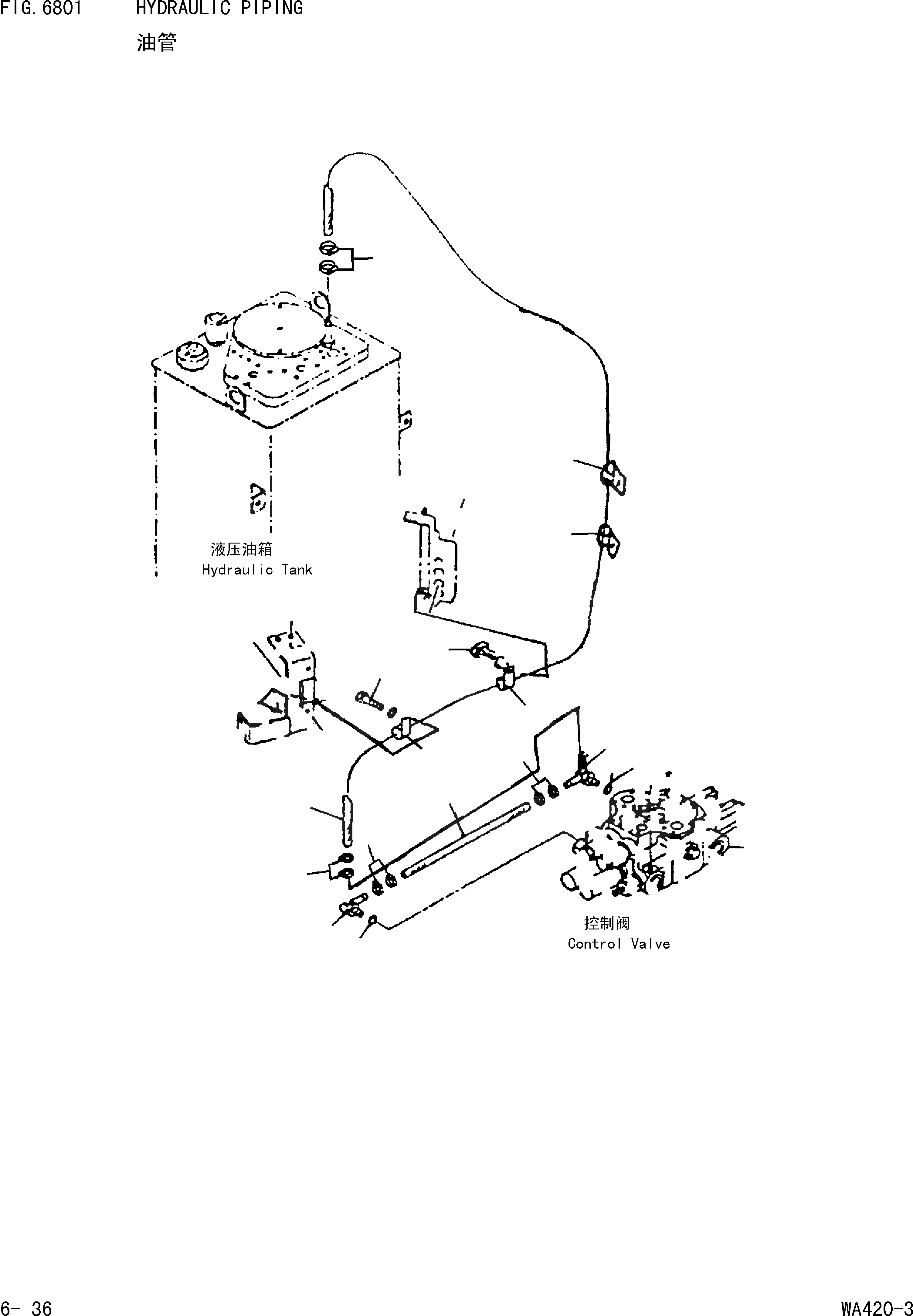
Запчасти Komatsu WA420-3 ГИДРОЛИНИЯ [УПРАВЛ-Е РАБОЧИМ ОБОРУДОВАНИЕМ]

Схема запчастей Komatsu WA420-3 - ГИДРОЛИНИЯ [УПРАВЛ-Е РАБОЧИМ ОБОРУДОВАНИЕМ]
5
7
7
8
8
5
7
7
4
6
1
3
3
2
5
5
FIT
1:1
100%

Артикул

Название

Примечание

Количество

1

419-62-13590

ELBOW

Field_1: 15001-

1шт.

2

419-62-13610

ELBOW

Field_1: 15001-

1шт.

3

07002-12434

O-RING

Field_1: 15001-

2шт.

4

07260-20920

HOSE

Field_1: 15001-

1шт.

5

07281-00197

CLAMP

Field_1: 15001-

8шт.

6

07261-20928

HOSE

Field_1: 15001-

1шт.

7

04434-51610

CLIP

Field_1: 15001-

4шт.

8

01435-01016

BOLT

Field_1: 15001-

2шт.

Выбрано товаров: 8