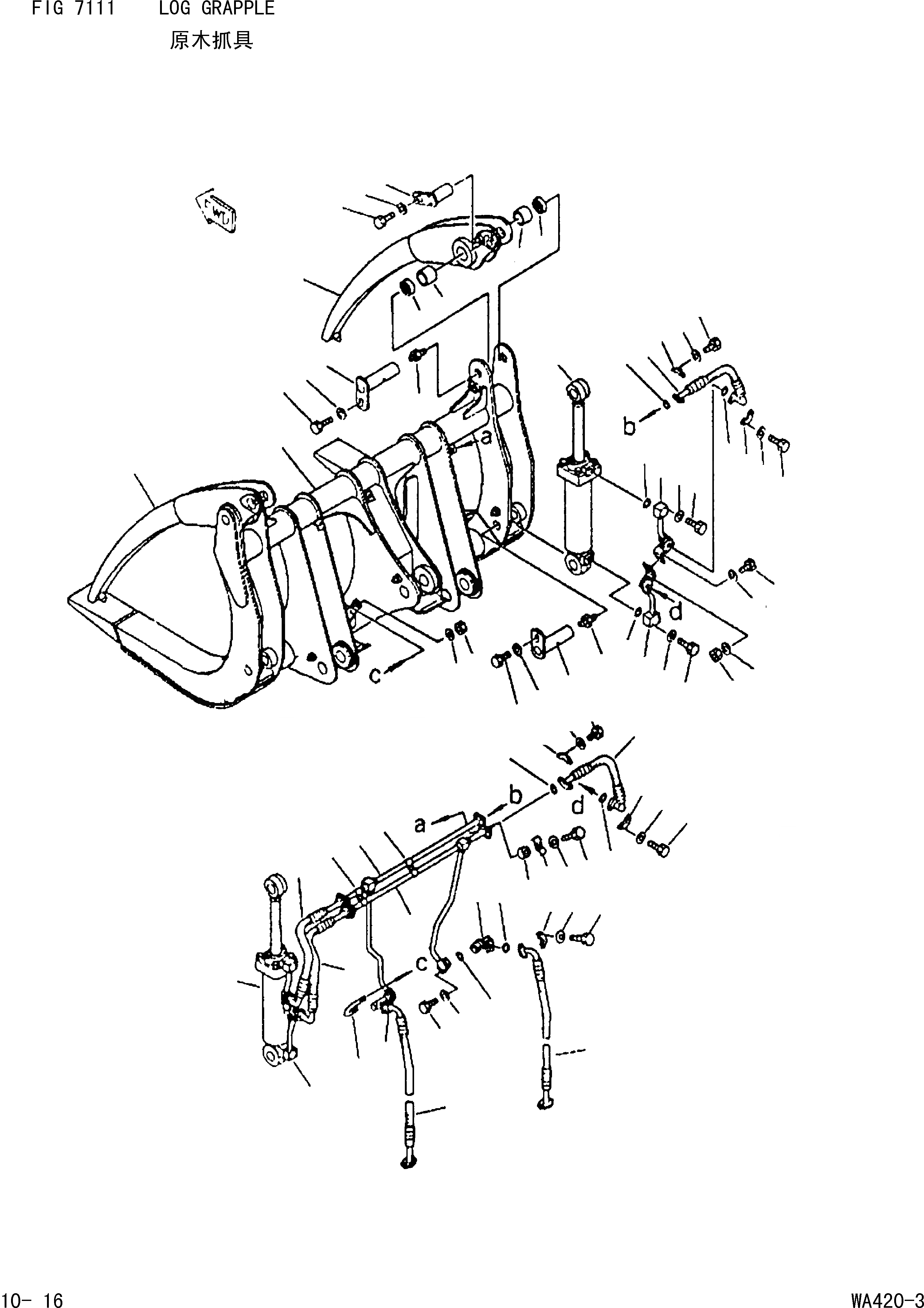
Запчасти Komatsu WA420-3 ЗАХВАТ ДЛЯ БРЕВЕН [НАВЕСНОЕ ОБОРУДОВАНИЕ(ОПЦ.)]

Схема запчастей Komatsu WA420-3 - ЗАХВАТ ДЛЯ БРЕВЕН [НАВЕСНОЕ ОБОРУДОВАНИЕ(ОПЦ.)]
12
16
15
4
10
7
9
1
4
8
11
6
5
5
6
29
28
30
32
31
29
30
32
31
38
37
35
34
36
40
40
39
36
37
34
35
14
13
16
15
42
43
29
30
32
31
28
30
32
31
29
20
17
17
25
44
23
44
28
11
33
28
24
22
18
45
44
47
46
21
19
27
26
19
41
FIT
1:1
100%

Артикул

Название

Примечание

Количество

1

424-FKZ-1312

CARRIER

Field_1: 15001-

1шт.

|$1

424-880-0010

ARM ASS'Y

Field_1: 15001-

2шт.

4

424-880-1320

ARM

Field_1: 15001-

1шт.

5

419-70-11871

BUSHING

Field_1: 15001-

2шт.

6

419-09-11110

SEAL, DUST

Field_1: 15001-

4шт.

7

424-880-1140

PIN

Field_1: 15001-

2шт.

8

07020-00000

FITTING, GREASE

Field_1: 15001-

2шт.

9

01010-61625

BOLT

Field_1: 15001-

2шт.

10

421-70-11280

WASHER

Field_1: 15001-

2шт.

11

707-01-13260

CYLINDER ASS'Y

Field_1: 15001-

2шт.

12

424-880-1170

PIN

Field_1: 15001-

2шт.

13

424-880-1150

PIN

Field_1: 15001-

2шт.

14

07020-00000

FITTING, GREASE

Field_1: 15001-

2шт.

15

01010-61625

BOLT

Field_1: 15001-

4шт.

16

421-70-11280

WASHER

Field_1: 15001-

4шт.

17

07124-21011

HOSE

Field_1: 15001-

2шт.

18

07000-13032

O-RING

Field_1: 15001-

2шт.

19

07371-31049

FLANGE,SPLIT

Field_1: 15001-

4шт.

20

07372-21035

BOLT

Field_1: 15001-

8шт.

21

01643-51032

WASHER

Field_1: 15001-

8шт.

22

07128-11000

JOINT,SWIVEL

Field_1: 15001-

2шт.

23

424-880-1220

TUBE,L.H

Field_1: 15001-

1шт.

24

424-880-1210

TUBE,R.H

Field_1: 15001-

1шт.

25

07000-13035

O-RING

Field_1: 15001-

2шт.

26

01010-61060

BOLT

Field_1: 15001-

8шт.

27

01643-51032

WASHER

Field_1: 15001-

8шт.

28

07124-20609

HOSE

Field_1: 15001-

4шт.

29

07000-13025

O-RING

Field_1: 15001-

8шт.

30

07371-30638

FLANGE,SPLIT

Field_1: 15001-

16шт.

31

01010-60830

BOLT

Field_1: 15001-

32шт.

32

01643-50823

WASHER

Field_1: 15001-

32шт.

33

424-880-1190

TUBE,L.H

Field_1: 15001-

2шт.

34

424-880-1180

TUBE,R.H

Field_1: 15001-

2шт.

35

07000-13032

O-RING

Field_1: 15001-

4шт.

36

01010-61060

BOLT

Field_1: 15001-

16шт.

37

01643-51032

WASHER

Field_1: 15001-

16шт.

38

01010-61035

BOLT

Field_1: 15001-

2шт.

39

01580-11008

NUT

Field_1: 15001-

2шт.

40

01643-31032

WASHER

Field_1: 15001-

4шт.

41

07283-23442

CLIP

Field_1: 15001-

2шт.

42

01597-01009

NUT

Field_1: 15001-

4шт.

43

01643-31032

WASHER

Field_1: 15001-

4шт.

44

425-880-1380

CLAMP

Field_1: 15001-

3шт.

45

203-62-21720

SPACER

Field_1: 15001-

3шт.

46

01010-61040

BOLT

Field_1: 15001-

3шт.

47

01643-31032

WASHER

Field_1: 15001-

3шт.

Выбрано товаров: 46