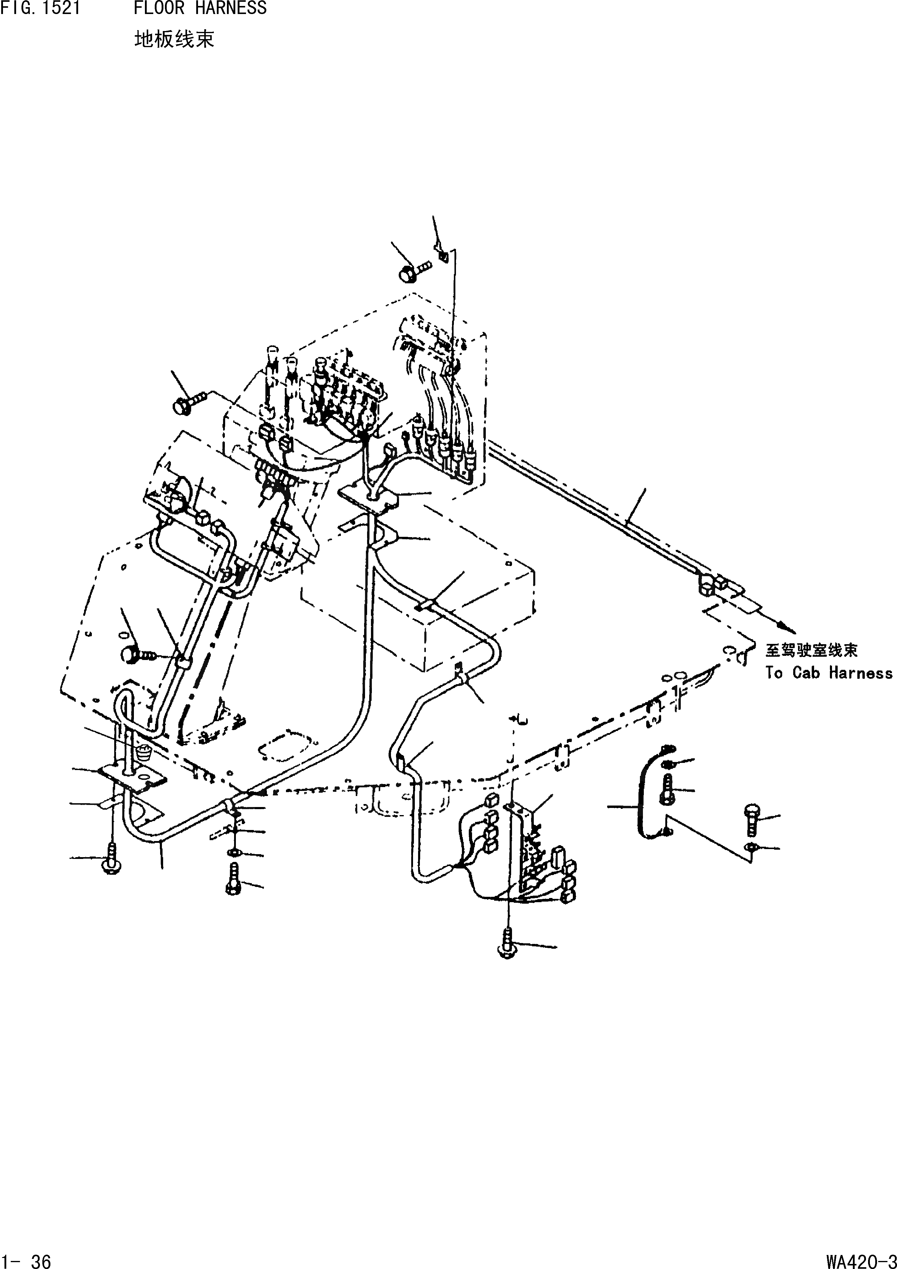
Запчасти Komatsu WA420-3 ПОЛ Э/ПРОВОДКА [КОМПОНЕНТЫ ДВИГАТЕЛЯ И ЭЛЕКТРИКА]

Схема запчастей Komatsu WA420-3 - ПОЛ Э/ПРОВОДКА [КОМПОНЕНТЫ ДВИГАТЕЛЯ И ЭЛЕКТРИКА]
11
12
15
3
13
9
10
19
9
7
6
14
2
9
9
4
22
21
24
23
20
5
22
21
16
18
17
9
1
8
7
FIT
1:1
100%

Артикул

Название

Примечание

Количество

1

423-06-22820

WIRING HARNESS

Field_1: 15001-

1шт.

|$1

08020-10000

DIODE

Field_1: 15001-

5шт.

|$2

08034-20519

BAND

Field_1: 15001-

68шт.

2

423-06-22830

WIRING HARNESS

Field_1: 15001-

1шт.

|$4

08034-20519

BAND

Field_1: 15001-

6шт.

3

419-06-22690

WIRING HARNESS

Field_1: 15001-

1шт.

4

421-06-22940

BRACKET

Field_1: 15001-

1шт.

5

01435-01016

BOLT

Field_1: 15001-

2шт.

6

419-06-12651

SHEET

Field_1: 15001-

1шт.

7

419-S62-2660

PLATE

Field_1: 15001-

2шт.

8

01435-00610

BOLT

Field_1: 15001-

4шт.

9

08036-02514

CLIP

Field_1: 15001-

7шт.

10

01435-01016

BOLT

Field_1: 15001-

6шт.

11

08053-01510

CLIP

Field_1: 15001-

2шт.

12

01435-00610

BOLT

Field_1: 15001-

2шт.

13

08034-20519

BAND

Field_1: 15001-

2шт.

14

04434-51810

CLIP

Field_1: 15001-

1шт.

15

01435-01016

BOLT

Field_1: 15001-

1шт.

16

08036-10814

CLIP

Field_1: 15001-

1шт.

17

01010-81020

BOLT

Field_1: 15001-

1шт.

18

01643-31032

WASHER

Field_1: 15001-

1шт.

19

08034-20519

BAND

Field_1: 15001-

2шт.

20

08028-12045

CABLE

Field_1: 15001-

1шт.

21

01010-81010

BOLT

Field_1: 15001-

2шт.

22

01643-31032

WASHER

Field_1: 15001-

2шт.

23

419-06-D2790

SHEET

Field_1: 15048-

1шт.

|$26

0

SHEET

Field_1: 15001-15047

1шт.

24

363-54-32220

PLUG

Field_1: 15048-

1шт.

Выбрано товаров: 28